3471_01 - 第126页
Ultraprint 2000 Hi E Series Illustrated Parts Breakdown/Engineering Drawings 1-126 Programmable Squeegee Carriage Assembly 990232 (3 of 3) 990232_3 57 69 54 55 57 64 63 56 58 63 61 64,65,66 56 68 See Detail abov e Rear v…

Illustrated Parts Breakdown
1-125
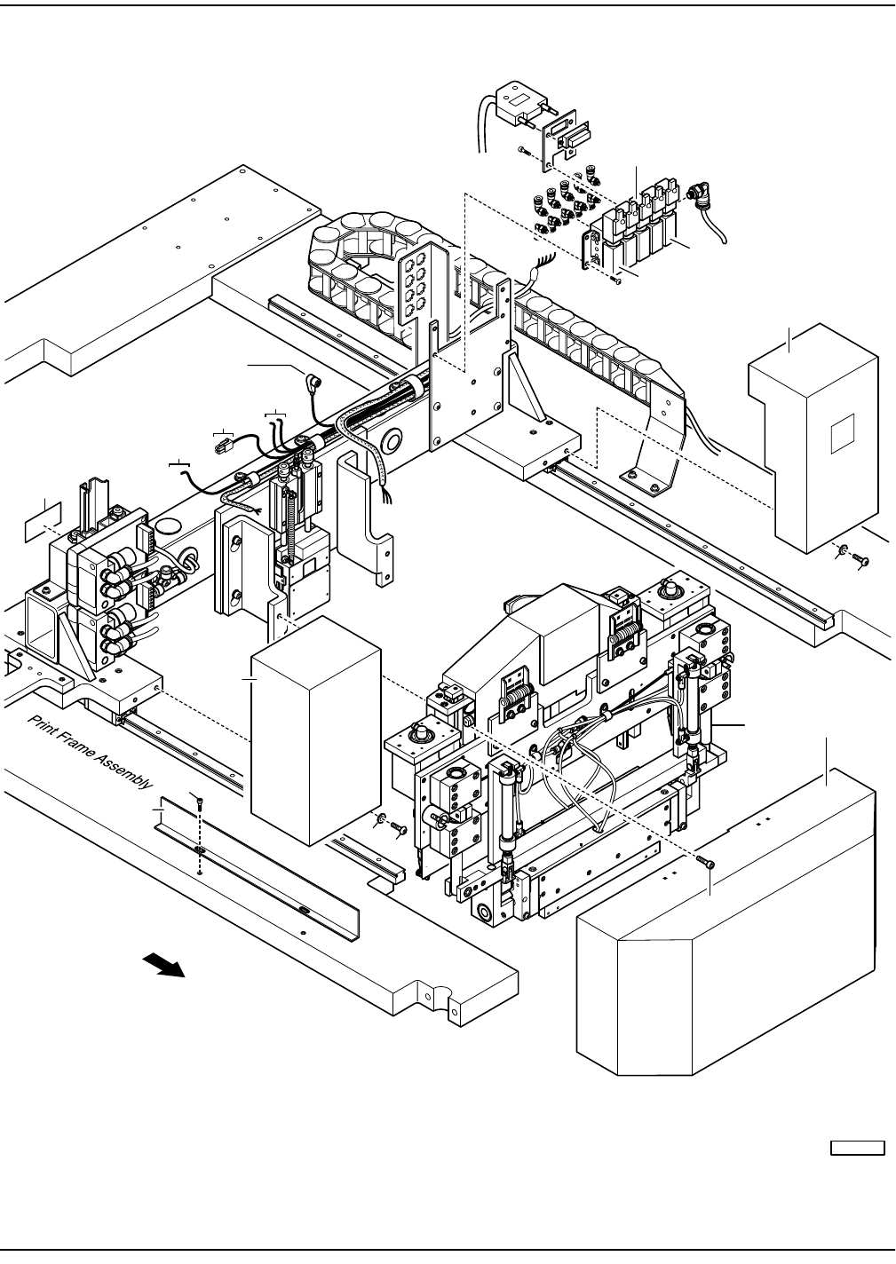
Programmable Squeegee Carriage Assembly 990232 (2 of 3)
4
6
990232_2
5
29
Air to
Tactile
Sensor
To
Prohead
motor
To
Prohead
proximity
switch
To
Prohead
brake cyl.
VS1
VS5
in
10
43
42
44
42
44
See IPB 1005488
Front of
Printer
51

Ultraprint 2000 Hi
E
Series Illustrated Parts Breakdown/Engineering Drawings
1-126
Programmable Squeegee Carriage Assembly 990232 (3 of 3)
990232_3
57
69
54
55
57
64
63
56
58
63
61
64,65,66
56
68
See Detail above
Rear view of
Valve Stack
Assembly

Illustrated Parts Breakdown
1-127
Programmable Squeegee Carriage Assembly 990232 Parts Listing
Key # Part # Description Quantity
1 001098 BRACKET, LEFT MOUNT 1
2 001097 BRACKET, RIGHT MOUNT 1
3 1001500 PLATE, CONNECTOR 1
4 1001524 ASSEMBLY, PROHEAD STACK 1
5 1001532 ASSEMBLY, COVER, RIGHT 1
6 1001533 ASSEMBLY, COVER, LEFT 1
7 1001562 CARRIAGE, PROHEAD 1
8 1001855 BRACKET, REGULATOR, SHORT 1
9 1001868 RAIL, DIN MOUNTING 2
10 1002522 FLAG, SQUEEGEE DRIVE 1
11 P5409 BEARING, LINEAR RAILS 2
12 1003423 BRACKET, IGUS, MOVING 1
13 1001516 BRACKET, IGUS 1
14 990305 ASSEMBLY, TACTILE SENSOR (OPTIONAL) 1
15NS P0718 FITTING, TEE BARB 2
16NS P1711 FITTING, UNION ELBOW 1
17 P0423 CLAMP, WIRE AND CABLE, 3/8" 3
18 P1810 REGULATOR, PRECISION W/O KNOB 1
19NS 1001872 KIT, HARNESS, BALANCE CONTROL 1
20 P4878 CAP, 1 INCH 2
21 P4802 GROMMET, HORSESHOE, GROOVED 1
22 P4801 GROMMET, INSULATION 2
23 P4755 BRACKET KIT, CABLE CARRIER MOUNTING 1
24 P4754 CARRIER CABLE, 22 LINKS 1
25NS P2590 BOARD, 2-CHANNEL, ANALOG OUTPUT 1
26 P3491 SERVO, PROPORTION-A, 0-65 PSIG 2
27 P4394 VALVE, RELIEF 1
28 P2040 CLAMP, CABLE, 3/4" 1
29 P2041 DECAL, CAUTION, "SEQUENCE VALVES ON PROHEAD" 1
30 P3422 FITTING, ELBOW, 1/4" , 10-32 5
quantities are of entire assembly
NS not shown