3471_01 - 第138页
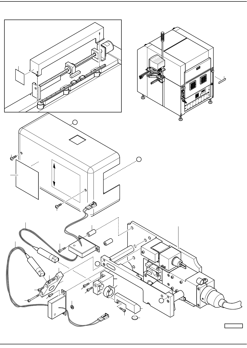
Ultraprint 2000 Hi E Series Illustrated Parts Breakdown/Engineering Drawings 1-138 3D Vision Inspection Assembly APOPT 11 (1 of 1) 22 22 17 B A APOPT11_1 See IPB AP20-87 10 3 12 6 12 10 11 4 13 2 7 8 1 9 16 A B 15 5 Sque…

Illustrated Parts Breakdown
1-137
Board Transport Tracks Assembly OPT03/OPT04 Parts Listing
Key # Part # Description Quantity
OPT03 ASSY, BOARD TRANSPORT TRACK, 51.0" (1295.4MM) 1
OPT04 ASSY, BOARD TRANSPORT TRACK, 66.0" (1676.4MM) 1
1 8-32 X 7/8" SHCS —
2A A2-1372 TRACK, TOP, 51.0" (1295.4MM) 2
2B A2-1390 TRACK, TOP, 66.0" (1676.4MM) 2
3 6-32 X 3/8" BHS —
4A A2-1371 TRACK, REAR, CENTER, 51.0" (1295.4MM) 1
4B A2-1391 TRACK, REAR, CENTER, 66.0" (1676.4MM) 1
5A A2-1370 TRACK, FRONT, CENTER, 51.0" (1295.4MM) 1
5B A2-1389 TRACK, FRONT, CENTER, 66.0" (1676.4MM) —
6 A2-1107 SHAFT, FLANGED PULL RT 4
7 P0802 BEARING, RADIAL 4
8 A2-1106 PULLEY, HANDLING SYSTEM RACKS 4
9 P2164 RING, RETAINING 4
10A P2194 BELT, CONVEYOR, .25" X 137.0" LG. X .038" TH 2
10B P4469 BELT, CONVEYOR, .25" X 106.0" LG. X .038" TH 2
quantities are of entire assembly
NS not shown

Ultraprint 2000 Hi
E
Series Illustrated Parts Breakdown/Engineering Drawings
1-138
3D Vision Inspection Assembly APOPT 11 (1 of 1)
22
22
17
B
A
APOPT11_1
See IPB AP20-87
10
3
12
6
12
10
11
4
13
2
7
8
1
9
16
A
B
15
5
Squeegee Drive
Motor and Cover
18
19
All parts shown
are added to AP20-87

Illustrated Parts Breakdown
1-139
3D Vision Inspection Assembly APOPT 11 Parts Listing
Key # Part # Description Quantity
1 A2-1002 BEAM, MIRROR SUPPORT 1
2 A2-1100 INSERT, LASER 1
3 A2-997 SUPPORT, HORIZONTAL LASER 1
4 A2-998 SUPPORT, VERTICAL LASER 1
5 CA-485-3 CABLE, LASER ASSEMBLY 2
6 P5448 SPACER, NYLON, 1/4" O.D. X .168" I.D. 2
7 P2203 MIRROR, ROUND 1
8 2-56 X 1/2" SHCS —
9 6-32 X 5/8" SHCS —
10 6-32 X 1/2" SHCS —
11 6-32 X 1 1/8" SHCS —
12 6-32 X 3/4" SHCS —
13 6-32 X 1/4" SHCS —
15 CA-485-4 CABLE, LASER ASSEMBLY 1
16 P2187 WASHER, NYLON .160" ID X .250" OD 1
17 1005358 LABEL, LASER CAUTION 1
18 1005360 LABEL, CLASS 1 LASER 1
19 002231 LABEL, FDA COMPLIANCE 1
20NS P4722 MINI OUTPUT MODULE 2
21NS P2825 POWER SUPPLY, 5 VDC TUV CERTIFIED 1
22 4-40 X 1/4" BHS —
quantities are of entire assembly
NS not shown