3471_01 - 第150页
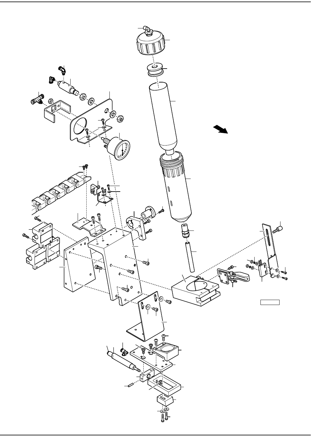
Ultraprint 2000 Hi E Series Illustrated Parts Breakdown/Engineering Drawings 1-150 Paste Dispenser Assembly 990315 OPT 31 Parts Listing Key # Part # Description Quantity 1 1002018 PLATE, BOTTOM 1 2 002245 BRACKET, RAIL S…

Illustrated Parts Breakdown
1-149
Paste Dispenser Assembly 990315 OPT 31 (2 of 2)
990315_2
64
63
58
57
56
79
61
62
15
14
89
28
25
24
83
26
78
22
13
76
77
23
10
71
11
46
86
87
12
66
66
32
38
81
88
80
82
31
37
48
51
54
47
43
42
41
40
45
53
44
50
49
52
70
Front of
Printer
90

Ultraprint 2000 Hi
E
Series Illustrated Parts Breakdown/Engineering Drawings
1-150
Paste Dispenser Assembly 990315 OPT 31 Parts Listing
Key # Part # Description Quantity
1 1002018 PLATE, BOTTOM 1
2 002245 BRACKET, RAIL SUPPORT 2
3 A2-0657 SUPPORTS, SHAFT HORIZ. SLIDE 4
4 002267 BASE, LEAD SCREW SUPPORT 2
5 001437 SUPPORT, LEAD SCREW 2
6 P2526 BEARING, RADIAL, .25" BORE X .75" DIA. 2
7 1003397 BRACKET, MOTOR 1
8 1003311-1 ASSEMBLY, MOTOR MODIFICATION M12 TO P138 1
9 1002027 SHAFT, DRIVE 2
10 P0812 BEARING, PILLOW BLOCK, 1/2" SHAFT, 1 1/2" LONG, OPEN 3
11 1002020 SPACER, WEDGE 1
12 1002019 SUPPORT, DISPENSER, MAIN 1
13 002228 BRACKET, SENSOR 1
14 1002026 PLATE, NUT 1
15 990343 ASSEMBLY, BLOCK, CARTRIDGE 1
22 P2310 PHOTOMICROSENSOR, BUILT-IN AMP, T-SHAPE 1
23 002085 BRACKET, IGUS MOVING 1
24 1002022 BRACKET, REGULATOR 1
25 P0375 REGULATOR, AIR ADJUSTABLE 1
26 P7065 GAUGE, PRESSURE 1
27 P3349 COUPLING, MOTOR 1
28 P7076 FITTING, TEE 5/32" TUBE 1
29 002086 FLAG, PASTE DISPENSER 1
30 001452 BRACKET, FIXED CABLE CARRIER 1
31 1002023 BRACKET, SWITCH 1
32 P4125 CLAMP, PULL-ACTION 1
37 P5568 SCREW, THUMB, KNURLED 10-32 X .50" LONG THREAD 1
38 P0918 SWITCH, MAGNET 1
40 1002025 PLATE, CYLINDER MOUNT 1
41 002257 GUIDE, PINCH-OFF 1
quantities are of entire assembly
NS not shown

Illustrated Parts Breakdown
1-151
42 001451 MOUNT, CYLINDER 1
43 P0195 CYLINDER, 1/2" STK 1
44 002097 BLOCK, FIXED HOSE PINCH-OFF 1
45 002098 PINCHER 1
46 1002028 BRACKET, PINCHER 1
47 P3357 FITTING, MALE CONNECTOR, 5/32"OD. TUBE, 10-32 1
48 8-32 X 1/2" BHS —
49 #8 FLAT WASHER —
50 8-32 X 3/4" BHS —
51 8-32 X 1/2" FHS —
52 P1732 6-32 X 9/32" NYLON TIP SS 1
53 10-32 HEX NUT —
54 P3292 FITTING, ELBOW 5/32" TUBE, 10-32 MALE 1
56 1000251 RETAINER, MODIFIED 6 OZ. CARTRIDGE 1
57 P1561 CARTRIDGE, PLASTIC 1
58 A2-1553 MAGNET, SENSOR (ASSEMBLY) 1
61 P0154 FITTING, MALE CONNECTOR, 3/8"OD. X 1/4 NPT", BRASS 1
62 002096 HOSE, PINCH-OFF 1
63 P3336 CAP, RETAINER 1
64 P3356 ELBOW, 5/32" TUBE X 1/4" NPT 1
65 1/4-20 X 3/4" SHCS —
66 10-32 X 1/2" SHCS —
67 8-32 X 1/2" SHCS —
68 8-32 X 3/8" SHCS —
69 6-32 X 1" SHCS —
70 #6 FLAT WASHER —
71 6-32 X 1/2" SHCS —
72 10-32 X 3/8" SHCS —
73 1000269 SCREW, LEAD 20 INCH TRAVEL (ASSEMBLY) 1
76 #4 FLAT WASHER
Paste Dispenser Assembly 990315 OPT 31 Parts Listing (continued)
Key # Part # Description Quantity
quantities are of entire assembly
NS not shown