3471_01 - 第154页
Ultraprint 2000 Hi E Series Illustrated Parts Breakdown/Engineering Drawings 1-154 V acuum Stencil Wiper Assembly OPT52 (1 of 4) 41 1 36 3 31 42 35 3 8 11 22 36 44 See Sheet 2 for mounting on Vision Gantry See Sheet 2 fo…

Illustrated Parts Breakdown
1-153

Ultraprint 2000 Hi
E
Series Illustrated Parts Breakdown/Engineering Drawings
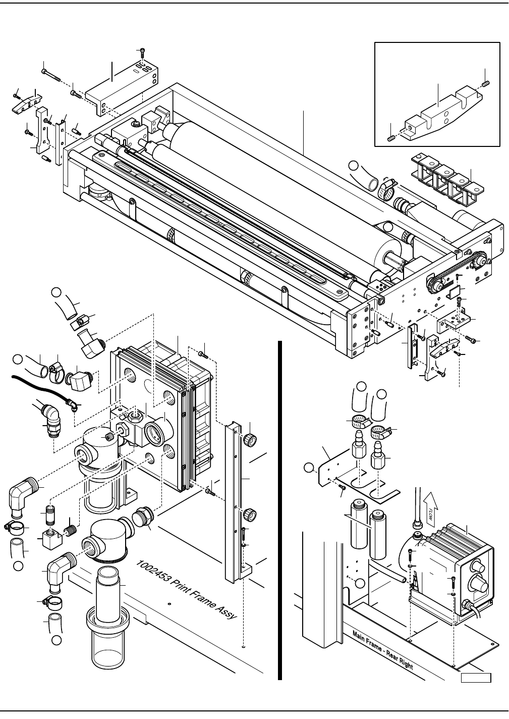
1-154
Vacuum Stencil Wiper Assembly OPT52 (1 of 4)
41
1
36
3
31
42
35
3
8
11
22
36
44
See Sheet 2 for
mounting on
Vision Gantry
See Sheet 2 for
mounting on
Vision Gantry
35
22
31
8
11
42
2
41
7
43
Air In
Air In
Air In
Solvent Out
to Solvent Pump
4
3
5
14
8
10
6
9
11
2
7
15
16
12
15
16
12
13
12
16
Air In
Air Out
Air Out
Air Out
13
12
16
1
22
21
20
A
B
C
C
C
C
B
B
2
18
17
11
7
10
9
8
9
16
16
6
A
OPT52_1
23
23
8
Set Screws are installed
in both Locking Blocks
B
Air Out
Solvent In
from Tank
Air In
from
Regulator
990350
990352
**
*
*
**
*
*
*
Parts of 990350 Assembly
Shown here for mounting
**
Part of OPT52
**
Part of OPT52
5
**
**
5
**
See IPB 1006005

Illustrated Parts Breakdown
1-155
Vacuum Stencil Wiper Assembly OPT52 (2 of 4)
34
21
21
30
10
36
34
40
4
36
41
41
8
9
Cut aways
show
mounting
locations
34
21
6
31
19
33
46
OPT52_2
Note: Pins on
Left and Right Lock Pin Blocks (#9,#10)
fit in to slots on Locking Blocks (#8)
5
31
33
43
45
33
8
990352
14
37
See IPB 1006005