3471_01 - 第48页
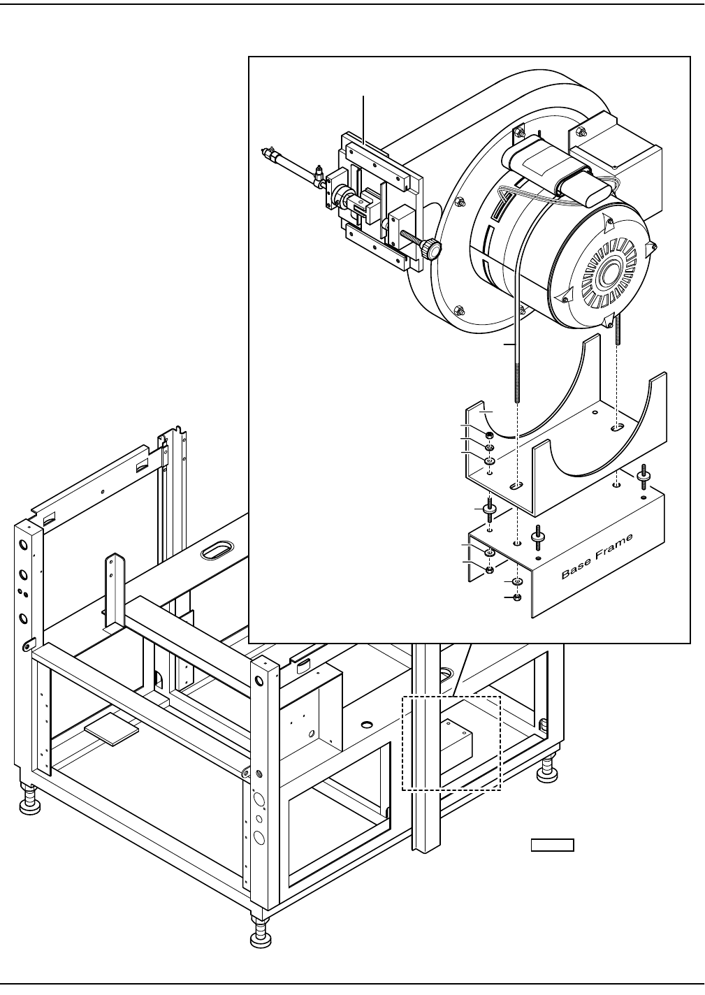
Ultraprint 2000 Hi E Series Illustrated Parts Breakdown/Engineering Drawings 1-48 Base X, Y , Theta Movement Assembly 990092 Parts Listing Key # Part # Description Quantity 2 001372 BRACKET, SADDLE 1 3 001384 PLA TE, CAM…

Illustrated Parts Breakdown
1-47
Base X, Y, Theta Movement Assembly 990092 (4 of 4)
74
75
69
2
21
69
76
69
76
17
990092_4
See Assembly AP2051

Ultraprint 2000 Hi
E
Series Illustrated Parts Breakdown/Engineering Drawings
1-48
Base X, Y, Theta Movement Assembly 990092 Parts Listing
Key # Part # Description Quantity
2 001372 BRACKET, SADDLE 1
3 001384 PLATE, CAM FOLLOWER 1
4 001520 MOUNT, Y PROX 1
5 001521 BRACKET, PROXIMITY SWITCH 2
6 990114 ASSEMBLY, THETA FRAME 1
7 990115 ASSEMBLY, Y-AXIS FRAME 1
8 990116 ASSEMBLY, X-AXIS FRAME 1
9 A2-021 PLATE, RETAINING 2
10 A2-051 MOTOR MOUNT, X-Y 2
11 A2-052 BEARING BLOCK, X-Y 2
12 A2-054 MOUNT, X-Y NUT 2
13 A2-1127 ARM, PRELOAD 1
14 A2-131 BRACKET, PROXIMITY SWITCH 2
15 A2-132 BRACKET, MOUNTING 1
17 A2-885 U-BOLT, 1/4-20 1
20 P0183 SWITCH, PROXIMITY 4
21 P0336 MOUNT, VIBRATION, 1/4-20 STUDS 4
23 P0837 LOCKNUT SN-OO 2
24 P0847 BEARING, RADIAL, ANGULAR, .39" BORE X 1.18" OD, .35" 4
25 P0849 COUPLING, THRU BORE, 5/16" SHAFT TO 1/4" SHAFT 2
26 P0851 LINEAR BEARING 2
27 P0852 LINEAR BEARING 2
28 P0991 MOTOR, STEPPER 2
30 P2158/A SCREW, LEAD, “X” AXIS 1
31 P2167 BEARING, CAM FOLLOWER .500" OD X .344" 2
32NS P2263 SOCKET, MOLEX MINI-FIT 8
33NS P2266 HOUSING, SOCKET, MOLEX MINI-FIT (4) POSITION 2
34 P2280 WASHER, CURVED SPRING 6
35 P3303 BEARING, CURVED LINEAR 1
36 P3387 BALL SCREW, “Y” AXIS 1
quantities are of entire assembly
NS not shown

Illustrated Parts Breakdown
1-49
38 001535 BRACKET, THETA 2
39 001356 BRACKET, IGUS TRACK 1
51 8-32 X 1/2" SHCS —
52 M4 X 16MM SHCS —
53 M4 X 20MM SHCS —
54 M6 X 20MM SHCS —
55 M8 X 16MM SHCS —
56 1/4-20 X 1" SHCS —
57 6-32 X 1/2" SHCS —
58 6-32 X 1" SHCS —
59 1/4-20 X 1/2" FHS —
60 3/8-18 X 1" SHCS —
62 1/4-20 X 7/8" SHCS —
63 6-32 JAM NUT —
64 10-32 NYLOCK NUT —
65 #8 FLAT WASHER —
66 10-32 X 1" SHCS —
67 1/4-20 X 5/8" SHCS —
68 1/4-20 X 1 1/2" SHCS —
69 1/4" FLAT WASHER —
70 10-32 X 5/8" SHCS —
72 8-32 X 3/8" SHCS —
73 1/2-13 X 4" SHCS —
74 1/4-20 JAM NUT —
75 1/4" LOCK WASHER —
76 1/4-20 NYLOCK NUT —
Base X, Y, Theta Movement Assembly 990092 Parts Listing (continued)
Key # Part # Description Quantity
quantities are of entire assembly
NS not shown