3471_01 - 第61页
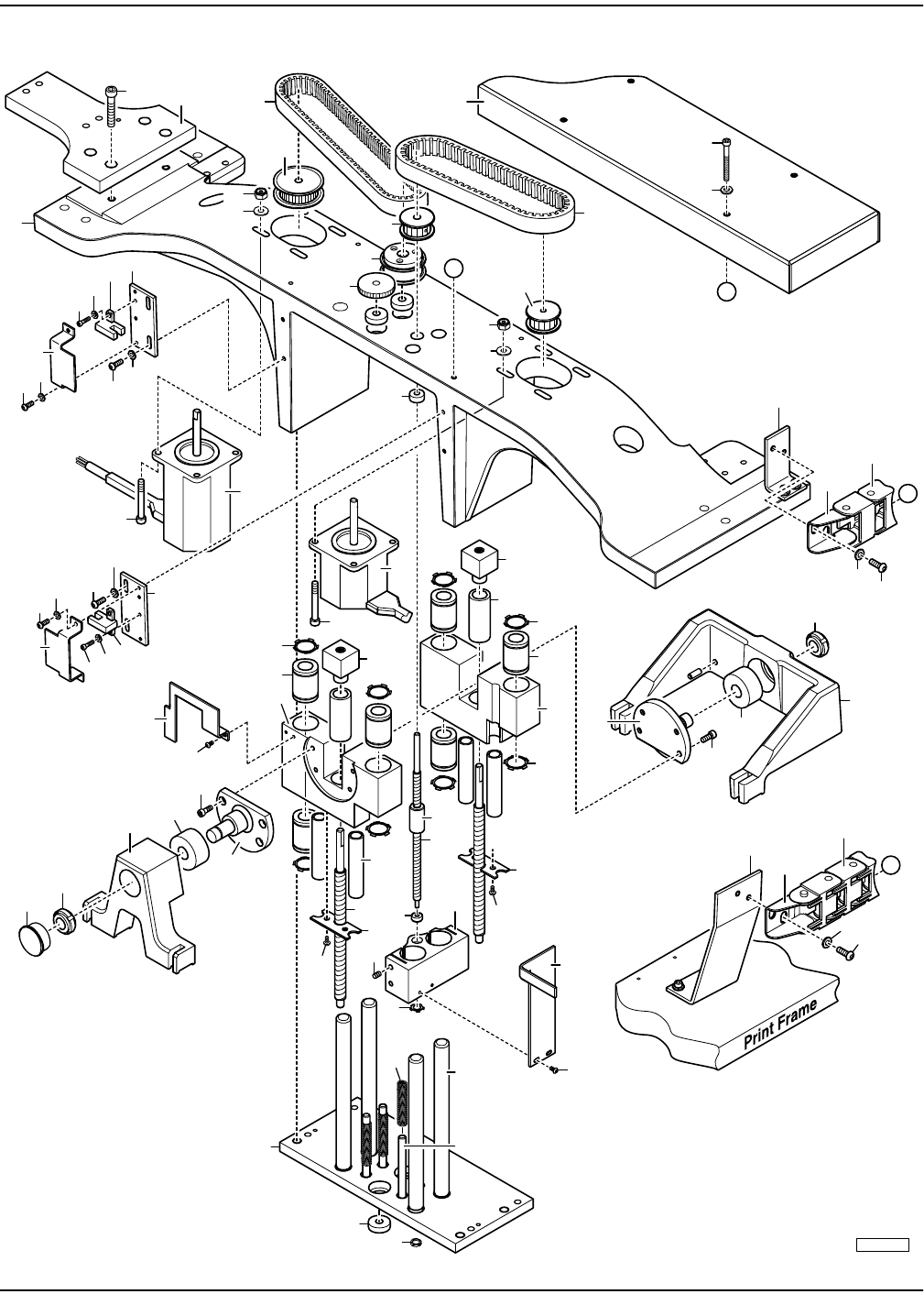
Illustrated Parts Breakdown 1-61 Standard Printhead Squeegee Assembly 990178 Parts Listing Key # Part # Description Quantity 3 002082 CARRIAGE, SQUEEGEE 1 4 001402 SHAFT, Z-GUIDE 4 6 002230 PLATE, BOTTOM, SQUARE CARRIAGE…

Ultraprint 2000 Hi
E
Series Illustrated Parts Breakdown/Engineering Drawings
1-60
Standard Printhead Squeegee Assembly 990178 (1 of 1)
990178_1
77
76
70
66
34
68
67
72
71
69
61
60
60
61
50
49
53
52
54
86
53
85
51
62
59
55
A
3
48
28
14
41
11
12
39
27
4
8
35
15
16
15
33
37
16
44
28
24
13
43
42
25
6
32
45
59
73
75
74
51
52
86
85
53
53
54
50
49
79
80
81
13
19
17
22
23
60
38
60
38
23
18
29
12
13
86
A
31
30
47
46
84
81
80
22
A
A

Illustrated Parts Breakdown
1-61
Standard Printhead Squeegee Assembly 990178 Parts Listing
Key # Part # Description Quantity
3 002082 CARRIAGE, SQUEEGEE 1
4 001402 SHAFT, Z-GUIDE 4
6 002230 PLATE, BOTTOM, SQUARE CARRIAGE 1
8 001405 SUPPORT, SPRING SHAFT 4
11 001398 BLOCK, SQUEEGEE SUPPORT, REAR 1
12 P1476 BEARING, SUPER 8 THOMPSON 8
13 P1477 RING, RETAINING 8
14 001404 SPACER, SPRING GUIDE 4
15 001349 PLATE, SPACER STOP 2
16 6-32 X 1/4" BHS —
17 001406 SHAFT, REAR PIVOT SHAFT, REAR PIVOT 1
18 8-32 X 5/16" SHCS —
19 001396 SUPPORT, REAR SQUEEGEE 1
22 P2537 BEARING, RADIAL 2
23 P2548 NUT, BEARING LOCK, 12MM SHAFT 2
24 P2528 SPRING, COMPRESSION 2
25 P2526 BEARING, RADIAL 4
27 1003937 LEADSCREW, MAIN DRIVE 2
28 1003939 NUT, MAIN Z-DRIVE 1
29 001397 BLOCK, SQUEEGEE SUPPORT, FRONT 1
30 001400 SHAFT, FRONT PIVOT 1
31 8-32 X 3/8" SHCS —
32 P4662 SPRING, WAVE, .367" OD X .265" ID 1
33 P4663 BEARING 1
34 P0802 BEARING, RADIAL 1
35 P3325 SPRING, COMPRESSION 4
37 1000817 BLOCK, DOWNSTOP 1
38 10-32 X 1/4" BHS —
39 001388 LEADSCREW ASSEMBLY 1
41 001386 NUT, LEADSCREW 1
quantities are of entire assembly
NS not shown

Ultraprint 2000 Hi
E
Series Illustrated Parts Breakdown/Engineering Drawings
1-62
42 P3353 RETAINING RING 1
43 10-32 X 1/4" FLAT PT SHSS —
44 001393 FLAG, DSL SENSOR 1
45 4-40 X 3/16" BHS —
46 1005359 SUPPORT, FRONT SQUEEGEE 1
47 P2549 PLUG, HOLE, GLOSSY FINISH, BL 1
48 002266 FLAG, UP/DOWN 1
49 001387 PLATE, SENSOR MOUNTING 2
50 #6 FLAT WASHER —
51 6-32 X 3/8" BHS —
52 P2310 PHOTOMICROSENSOR, BUILT-IN AMP, T-SHAPE 2
53 #4 FLAT WASHER —
54 4-40 X 3/8" SHCS —
55 1003307 ASSEMBLY, MOTOR, MODIF, SQUEEGEE DSL 1
59 10-32 X 1 1/2" SHCS —
60 #10 FLAT WASHER —
61 10-24 NUT, HEX, W/NYLON INSERT —
62 1003308 ASSEMBLY, MOTOR, P5452, MODIF 1
64NS P2266 HOUSING, SOCKET 1
65NS P2263 SOCKET, MOLEX MINI-FIT, TY 4
66 P2539 GEAR, SPUR 32 PITCH 40TH, HUB .25" BORE 1
67 P3328 PULLEY, DSL MOTOR 1
68 000117 REV-ASSEMBLY, SPROCKET/PULLEY 1
69 P3341 PULLEY, DSL LEAD SCREW 1
70 P2540 PULLEY, SQUEEGEE MOTOR 1
71 P3333 BELT, UP/DOWN BELT 1
72 P3332 BELT, DSL DRIVE 1
73 001385 COVER, SQUEEGEE TOP 1
74 #8 FLAT WASHER —
75 8-32 X 1 1/2" SHCS —
Standard Printhead Squeegee Assembly 990178 Parts Listing
Key # Part # Description Quantity
quantities are of entire assembly
NS not shown