QP-351E-MM-03 - 第175页
37.MTU-9E NGパーツ排出コンベア(DBTN) 37.MTU-9E Parts eject conveyor(DBTN) 番号 図番 & コード番号 個数 品名 規格 備考 材質 No. Drg.No. & Code No. QTY Description Rating Remarks Materials 39 W1022A 2 WASHER, LOCK ワッシャ スプリング 4M/M FE 40 W104…

37.MTU-9E NGパーツ排出コンベア(DBTN)
37.MTU-9E Parts eject conveyor(DBTN)
番号 図番 & コード番号 個数 品名 規格 備考 材質
No. Drg.No. & Code No. QTY Description Rating Remarks Materials
1 DBTN5512 1 FRAME フレーム FE
2 K5255H 7
SCREW, HEX SOCKET BUTTON
小ネジ六角穴ボタン M3X5L FE
3 H5173A 2
BOLT, HEX SOCKET
ボルト 六角穴
M4X35Lゼンネジ FE
4 N4028A 2
SCREW, HEX SOCKET SET
ネジ 六角穴止め
M4X6L FE
5 DBTN5520 1 BKT BKT FE
7 H5341A 2
BOLT, HEX SOCKET
ボルト 六角穴
M8X20L FE
8 W1025A 2
WASHER, LOCK
ワッシャ スプリング 8M/M FE
9 W1046A 2 WASHER, FLAT ワッシャ 平 4W-8 FE
10 H5324A 4
BOLT, HEX SOCKET
ボルト 六角穴
M6X20L FE
11 W1024A 4
WASHER, LOCK
ワッシャ スプリング 6M/M FE
12 W1045A 4 WASHER, FLAT ワッシャ 平 4W-6 FE
13 DBTN5530 1 GUIDE, BELT ガイド ベルト FE
14 DBTN5540 1 BELT ベルト OT
15 DBTN5550 1 PLATE プレート FE
16 H5289A 4 BOLT, HEX SOCKET ボルト 六角穴 M4X12L FE
17 W1022A 4
WASHER, LOCK
ワッシャ スプリング 4M/M FE
18 W1043A 4 WASHER, FLAT ワッシャ 平 4W-4 FE
19 DBTN5560 1 STOPPER, WORK ストッパ ワーク FE
20 H5287A 2
BOLT, HEX SOCKET
ボルト 六角穴
M4X8L FE
21 W1022A 2
WASHER, LOCK
ワッシャ スプリング 4M/M FE
22 W1043A 2 WASHER, FLAT ワッシャ 平 4W-4 FE
23 BHTA4030 1 SPROCKET スプロケット OT
24 N4028A 2
SCREW, HEX SOCKET SET
ネジ 六角穴止め
M4X6L FE
25 BHTA4040 1 SPROCKET スプロケット OT
25 H5298A 1
BOLT, HEX SOCKET
ボルト 六角穴
M5X10L FE
27 W1023A 1
WASHER, LOCK
ワッシャ スプリング 5M/M FE
28 W1050A 1 WASHER, FLAT ワッシャ 平 1W-5 FE
29 N4028A 2
SCREW, HEX SOCKET SET
ネジ 六角穴止め
M4X6L FE
30 BHTA4050 1 ROLLER ローラ FE
31 BHTA4060 1 ROLLER ローラ FE
32 BHTA4070 1 SHAFT シャフト FE
33 BHTA4150 1 RETAINER 押え FE
34 H5286A 2
BOLT, HEX SOCKET
ボルト 六角穴
M4X6L FE
35 W1022A 2
WASHER, LOCK
ワッシャ スプリング 4M/M FE
36 BHTC4140 2 BLOCK 駒 CO
37 BHQN0100 1 BKT, SENSOR BKT センサ FE
38 H5169A 2
BOLT, HEX
ボルト 六角
M4X10L FE
QP-351E-MM PARTS LIST
37 - 2
37.MTU-9E NGパーツ排出コンベア(DBTN)
37.MTU-9E Parts eject conveyor(DBTN)

37.MTU-9E NGパーツ排出コンベア(DBTN)
37.MTU-9E Parts eject conveyor(DBTN)
番号 図番 & コード番号 個数 品名 規格 備考 材質
No. Drg.No. & Code No. QTY Description Rating Remarks Materials
39 W1022A 2
WASHER, LOCK
ワッシャ スプリング 4M/M FE
40 W1043A 2 WASHER, FLAT ワッシャ 平 4W-4 FE
41 BHQN0160 2 HOLDER, BEARING ホルダ ベアリング FE
42 BHQN1050 1 BKT, SENSOR BKT センサ FE
43 H5169A 2
BOLT, HEX
ボルト 六角
M4X10L FE
44 H41152 4
BEARING
ベアリング R-1980ZZ OT
45 S1024A 1
CIR-CLIP
サークリップ ST-EW-6 OT
46 1 LENS UNIT レンズユニット F3HA OT
47 1 FIBER UNIT ファイバユニット FU-35FA OT
48 A1039Z 1 AMPLIFIER アンプ FS-V11 OT
49 K5184H 2
SCREW, C/R PAN
小ネジ 十穴鍋
M3X8L FE
50 S3132A 1
SW, PHOTOELECTRIC
SW 光電
PS-56 OT
51 T2009A 1 CHAIN チェーン RS25NP-40リンク OT
52 S4045K 1 SENSOR, PHOTO センサ フォト EE-SX872 OT
53 H5274A 2
BOLT, HEX SOCKET
ボルト 六角穴
M3X6L FE
54 W1010A 2
WASHER, CONICAL
ワッシャ 皿
M-3-L FE
55 M5046E 1 MOTOR, GEAR モータ ギヤ RB-54B2GM-FST2-24 1/140 OT
56 H5296C 4
BOLT, HEX SOCKET
ボルト 六角穴
M4X45L FE
57 W1022A 4
WASHER, LOCK
ワッシャ スプリング 4M/M FE
58 K5175N 4
SCREW, C/R PAN
小ネジ 十穴鍋
M2X3L FE
59 W1022A 2
WASHER, LOCK
ワッシャ スプリング 4M/M FE
60 W1043A 2 WASHER, FLAT ワッシャ 平 4W-4 FE
61 A1040H 1
AMPLIFIER
アンプ PS2-61 OT
62 K5184H 2
SCREW, C/R PAN
小ネジ 十穴鍋
M3X8L FE
QP-351E-MM PARTS LIST
37 - 3
37.MTU-9E NGパーツ排出コンベア(DBTN)
37.MTU-9E Parts eject conveyor(DBTN)

QP-351E-MM PARTS LIST
38 - 1
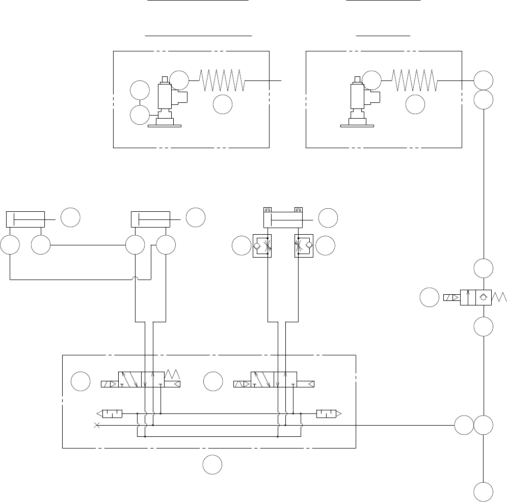
38.MTU-9E エアー配管図(DBWB)
38.MTU-9E Pneumatic circuit diagram(DBWB)
38.MTU-9E エアー配管図(DBWB)
38.MTU-9E Pneumatic circuit diagram(DBWB)
タテx173.205
Ref.31-1
Ref.31-1
Ref.31-1
Ref.33-7
208
176
165
175
161
175
161
175
161
183
162
176
167
175
161
13
13
B
A
139
26
12
14 13
N1
φ10
φ6
N1
3
R
PP
R
B
AB
A
N6
φ4
N5
φ4
N3
φ6
N4
φ6
φ4
N5
φ4
N6
M5M5
down up
上下
φ20x70φ16x5
Remover Pipe up/down
リム−バ 配管上下
1/81/8
down up
上下
φ20x100
Remover lifter up/down
リム−バ リフタ−上下
M5 M5
open close
閉開
Remover chack open/close
リム−バ チャック開閉
φ8
N2
IN
1/4
1/4
OUT
5 4
19 19 18 18
6 6
12
1
15
N2
φ8
φ8
N2
N1
φ10
9 8
7
20
11
17
10
17
2
16
17
Standard
Remover head
Parts pick up check(Option)
Remover head
6
リム−バ ヘッド
吸着確認(オプション)
リム−バ ヘッド
標準
N2
1/8
M5
1/8
N2
1/4
X1.5