QP-351E-MM-03 - 第198页
42.エアー配管図(グルーヘッド)(オプション)(DBWI) 42.Pneumatic circuit diagram(Glue head)(Option)(DBWI) 番号 図番 & コード番号 個数 品名 規格 備考 材質 No. Drg.No. & Code No. QTY Description Rating Remarks Materials 1 1 SEPARATOR, MIST セパレータ ミスト AF…

QP-351E-MM PARTS LIST
42 - 1
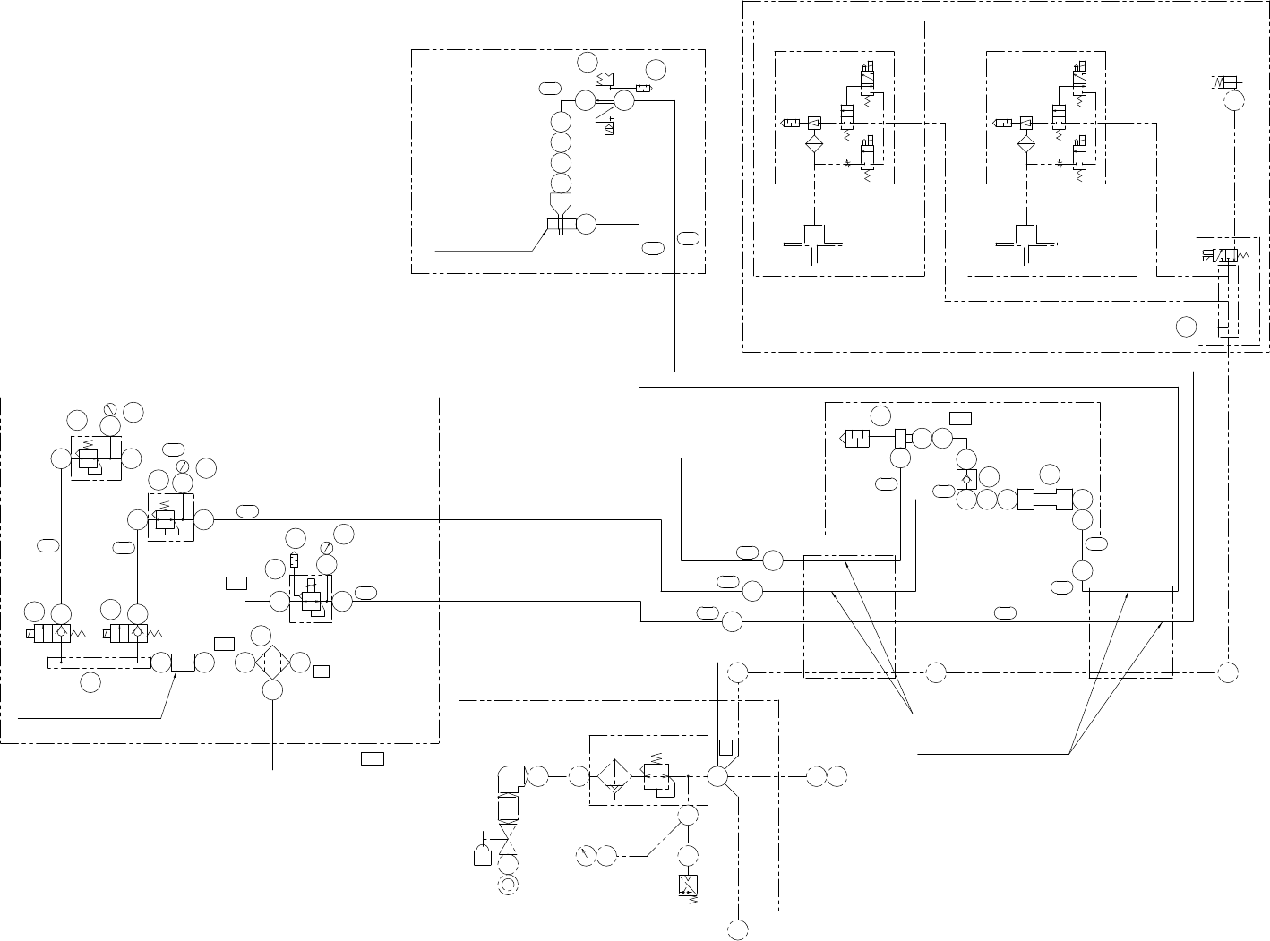
42.エアー配管図(グルーヘッド)(オプション)(DBWI)
42.Pneumatic circuit diagram(Glue head)(Option)(DBWI)
42.エアー配管図(グルーヘッド)(オプション)(DBWI)
42.Pneumatic circuit diagram(Glue head)(Option)(DBWI)
タテx173.205
Ref.31-1
Ref.31-1
Ref.31-1
Ref.33-7
11SOL2A
11SOL1A
Nozzle A
Nozzle B
11SOL1B
11SOL2B
Z軸落下防止
Z-axis drop
prevention
装着ヘッド関係 (DBPH)
Placing head
X軸ケーブルベア
X-axis flexble track
Y-axis flexble track
Y軸ケーブルベア
4.5Kg/cmセット圧
Set pressure
2
4.5Kg/cm
2
5Kg/cm
2
エアー供給源
Air supply
HG4
HG2
HG1
HG1
(ドレン)
(Drain)
17SOL2
UBS-0850-20-W (PISCO)
Glue head
グル−ヘッド関係(DBHG)
グル−温調機器(DBWI)
Glue temperature control
Glue air device
グル−エア−機器(DBWI)
HG7
HG6
HG4
HG9
HG8
HG7
HG8
HG7
HG6
HG4
HG7
HG6
HG4
HG3
HG5
B2
1/2
B2
φ6
φ6
φ6
φ8
φ6
φ8
φ8
φ8
φ8
φ8
φ8
φ10
φ10
Air温度検知装置
Air thermostat
Air thermostat
φ10
φ8
コルダー圧0.3MPa
Cooler pressure 0.3MPa
塗布圧 ***MPa
Glue pressure ***MPa
ヒーター圧0.04MPa
Heater pressure 0.04MPa
3SOL-13SOL-2
φ10
φ8
X
Air温度検知装置 BTPZ0210
BTPZ0210
φ10
φ8
φ8
HG8
φ6
UBS-0640-20-W (PISCO)
x9
208
176
165
175
161
175
161
175
161
183
162
176
167
175
161
13
13
B
A
139
26
15
393635
14
33
3231
13
37
17
27
26 25
6
28
5
23
23
24
19
20
1
21
2
3
4
30
22
2129
7
22
8
22 22
10
30
9
22
30
12
11
22
22
8
38
18
22
34
40
24
42
41

42.エアー配管図(グルーヘッド)(オプション)(DBWI)
42.Pneumatic circuit diagram(Glue head)(Option)(DBWI)
番号 図番 & コード番号 個数 品名 規格 備考 材質
No. Drg.No. & Code No. QTY Description Rating Remarks Materials
1 1 SEPARATOR, MIST セパレータ ミスト AFD3000-03BC OT
2 1 VALVE, ELEC/AIR PROPORTIO バルブ デンクウヒレイ VY1200-02-N OT
3 S1059A 1
SILENCER
サイレンサ AN200-02 OT
4 A1030A 1 PRESSURE GAUGE 圧力計 G36-07-01 OT
5 1 VALVE バルブ VQZ212-5L-M5 OT
6 1 SILENCER サイレンサ INA-25-46 OT
7 1 MANIFOLD マニホールド VXO10030A-2-4 OT
8 2 VALVE バルブ VX2121-00-5DZ OT
9 H1027A 1
VALVE, PRESSURE REDUCING
バルブ 減圧
ARP3000-02B OT
10 A1029A 1 PRESSURE GAUGE 圧力計 G36-02-01 OT
11 H1029A 1
VALVE, PRESSURE REDUCING
バルブ 減圧
AR2000-02B OT
12 A1030T 1
PRESSURE GAUGE
圧力計
G36-10-01 OT
13 K3002Z 1 COOLER クーラ コルダー185-65SV OT
14 1 VALVE, CHECK バルブ チェック CVR02A OT
15 1 HEATER ヒータ SAH-2PH 200V180W OT
17 1 VALVE バルブ 4616 SEU-1/8 OT
18 1 UNION, ELBOW ユニオン エルボ KQ2VT10-04S OT
19 1 UNION, ELBOW ユニオン エルボ KQ2L10-03S OT
20 1 UNION, ELBOW ユニオン エルボ KQ2Z10-03S OT
21 2 UNION, ELBOW ユニオン エルボ KQ2L10-02S OT
22 8 UNION, ELBOW ユニオン エルボ KQ2L08-02S OT
23 2 UNION ユニオン KQ2H08-00 OT
24 2 UNION ユニオン KQ2H06-08 OT
25 Y3049T 1 UNION, ELBOW ユニオン エルボ KJL06-01S OT
26 Y3079N 1 UNION, ELBOW ユニオン エルボ KQ2L06-M5 OT
27 Y3083A 1 UNION, HALF ユニオン ハーフ KQ2H06-01S OT
28 1 CAP キャップ UC6 OT
29 1 NIPPLE ニップル Rni3/8X1/4 OT
30 3 ELBOW エルボ SL-1/8 OT
31 1 UNION ユニオン KQ2N10-03S OT
32 Y3068A 1 UNION ユニオン KQ2H10-00 OT
33 1 UNION ユニオン KQ2F10-02 OT
34 1 UNION ユニオン KQ2Y08-02S OT
35 1 UNION ユニオン KQ2N08-99 OT
36 1 ELBOW エルボ KQ2LF08-02 OT
37 1 UNION ユニオン KJW06-M5 OT
38 A4066H 1 ELBOW エルボ KQ2L10-99 OT
QP-351E-MM PARTS LIST
42 - 2
42.エアー配管図(グルーヘッド)(オプション)(DBWI)
42. Pneumatic circuit diagram(Glue head)(Option)(DBWI)

42.エアー配管図(グルーヘッド)(オプション)(DBWI)
42.Pneumatic circuit diagram(Glue head)(Option)(DBWI)
番号 図番 & コード番号 個数 品名 規格 備考 材質
No. Drg.No. & Code No. QTY Description Rating Remarks Materials
39 A4021A 1
ELBOW
エルボ SLA02-000J OT
40 1 ELBOW エルボ KL8-02-NR OT
41 1 COUPLER カプラ 1TSM(SUS) OT
42 1 COUPLER カプラ 1TPM(SUS) OT
QP-351E-MM PARTS LIST
42 - 3
42.エアー配管図(グルーヘッド)(オプション)(DBWI)
42. Pneumatic circuit diagram(Glue head)(Option)(DBWI)