QP-351E-MM-03 - 第204页
QP-351E-MM P ARTS LIST 4 3 - 5 4 3 . 2 . P n e u m a t i c c i r c u i t d i a g r a m ( G l u e c h e c k u n i t ) ( O p t i o n ) ( D B H G ) 4 3 . 2 . エアー配管図( グルー 捨て打ちユニット) ( オプション) ( D B H G ) 4 3 . 2 . P n e u m a …

43.1.グルー捨て打ちユニット(オプション)(DBHG)
43.1.Glue check unit(Option)(DBHG)
番号 図番 & コード番号 個数 品名 規格 備考 材質
No. Drg.No. & Code No. QTY Description Rating Remarks Materials
81 B6982DBHG6210 1 GUIDE, HOLDER ガイド 受け AL
82 B6982DBHG6240 1 DOG ドッグ FE
83 K5170T 2
SCREW, C/R TRUSS
小ネジ 十穴トラス M3X6 FE
84 A4067Z 1
ELBOW
エルボ M-5HL-4 OT
85 B6982DBHG6420 1 COVER, FRONT カバー フロント FE
86 K51721 3 SCREW, C/R TRUSS 小ネジ 十穴トラス M3X5 FE
87 1 FLEXIBLE TRACK ケーブルベア TKP0130-06 OT
88 H5275A 2
BOLT, HEX SOCKET
ボルト 六角穴
M3X8 FE
89 W1021A 2
WASHER, LOCK
ワッシャ スプリング 3M/M FE
90 H5274A 2
BOLT, HEX SOCKET
ボルト 六角穴
M3X6 FE
91 W1021A 2
WASHER, LOCK
ワッシャ スプリング 3M/M FE
93 1 CYLINDER, AIR シリンダ エアー MGQM12-20-Y59AS OT
94 H5289A 4
BOLT, HEX SOCKET
ボルト 六角穴
M4X12 FE
95 W1022A 4
WASHER, LOCK
ワッシャ スプリング 4M/M FE
96 K5337H 2 CONTROLLER, SPEED コントローラ スピード AS1201F-M5-04 OT
97 B6982DBHG6390 2 PLATE, RETAINING プレート 押エ FE
98 K5255T 4 SCREW, HEX SOCKET BUTTON 小ネジ 六角穴ボタン M3X6 FE
99 W1021A 4
WASHER, LOCK
ワッシャ スプリング 3M/M FE
100 B6982DBHG6360 1 HOOK フック FE
101 B6982DBHG6371 1 HOOK フック FE
102 B6982DBHG6380 2 SHAFT シャフト FE
103 B6982DBHG6400 1 SPRING, TORSION スプリング ネジリ FE
104 B6982DBHG6410 1 SPRING, TORSION スプリング ネジリ FE
105 1 UNION, ELBOW ユニオン エルボ KQ2L04-06 OT
QP-351E-MM PARTS LIST
43 - 4
43.1.グルー捨て打ちユニット(オプション)(DBHG)
43.1.Glue check unit(Option)(DBHG)

QP-351E-MM PARTS LIST
43 - 5
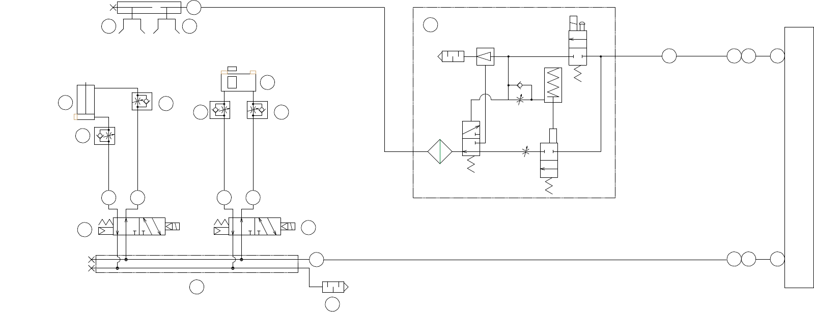
43.2.Pneumatic circuit diagram(Glue check unit)(Option)(DBHG)
43.2.エアー配管図(グルー捨て打ちユニット)(オプション)(DBHG)
43.2.Pneumatic circuit diagram(Glue check unit)(Option)(DBHG)
43.2.エアー配管図(グルー捨て打ちユニット)(オプション)(DBHG)
タテx173.205
Ref.31-1
Ref.31-1
Ref.31-1
Ref.33-7
1
φ4
φ6
φ6
φ4
φ4
φ4
紙バキューム
上
下
リフター
φ12x20
前 後
スライド
φ10x250
P
P
R
A
B
BA
φ4
M
F
U
側
A
A
Lifter
Slide
Paper Vacuum
R
φ4
x6
56
1
2
3
1
2
4
11
1212
10
8
9
8 8
8
7 7 7 7
14
6
14
5
13

43.2.エアー配管図(グルー捨て打ちユニット)(オプション)(DBHG)
43.2.Pneumatic circuit diagram(Glue check unit)(Option)(DBHG)
番号 図番 & コード番号 個数 品名 規格 備考 材質
No. Drg.No. & Code No. QTY Description Rating Remarks Materials
1 H3126H 4 PLUG プラグ PAH-04 OT
2 R2037A 4 RING,INSERT リング インサート WR0425 OT
3 Y3040T 1 UNION ユニオン KQR04-06 OT
4 1 EJECTOR エジェクタ VDBE07P6-06SA OT
5 Y3049E 1 UNION, ELBOW ユニオン エルボ KJL04-M5 OT
6 1 MANIFOLD マニホールド SS5YJ3-31-2-M3 OT
7 A4067A 4 ELBOW エルボ M-3ALU-4 OT
8 K5337H 4 CONTROLLER, SPEED コントローラ スピード AS1201F-M5-04 OT
9 1 CYLINDER, RODLESS シリンダー ロッドレス CY1R10H-250-Y59A OT
10 1 CYLINDER, AIR シリンダー エアー MGQM12-20-Y59AS OT
11 A40682 1 ELBOW エルボ M-5HL-6 OT
12 1 PAD, VACUUM パット バキューム VPE8R OT
13 S1058A 1 SILENCER サイレンサ AN120-M5 OT
14 2 VALVE, SOL バルブ SOL SYJ3130-5G OT
QP-351E-MM PARTS LIST
43 - 6
43.2.エアー配管図(グルー捨て打ちユニット)(オプション)(DBHG)
43.2. Pneumatic circuit diagram(Glue check unit)(Option)(DBHG)