QP-351E-MM-03 - 第97页
19.2.カバー(DBAL) 19.2.Cover(DBAL) 番号 図番 & コード番号 個数 品名 規格 備考 材質 No. Drg.No. & Code No. QTY Description Rating Remarks Materials 38 N1080A 8 NUT, HEX ナット 六角 4M/M OT 39 M1010G 4 MAGNET CATCH マグネットキャッチ TL-75S OT 40 K…

19.2.カバー(DBAL)
19.2.Cover(DBAL)
番号 図番 & コード番号 個数 品名 規格 備考 材質
No. Drg.No. & Code No. QTY Description Rating Remarks Materials
1 DBAL0182 1 RAIL, UPPER レール 上 FE
2 K5208A 5
SCREW, TRUSS
小ネジ トラス M4X6L FE
3 DBAL0192 1 RAIL, LOWER レール 下 FE
4 K5208A 3
SCREW, TRUSS
小ネジ トラス M4X6L FE
5 DBAL0202 1 RAIL, UPPER レール 上 FE
6 K5208A 5
SCREW, TRUSS
小ネジ トラス M4X6L FE
7 DBAL0212 1 RAIL, LOWER レール 下 FE
8 K5208A 3
SCREW, TRUSS
小ネジ トラス M4X6L FE
9 DBAK1341 2 SUPPORT COLUMN 支柱 FE
10 DBAK1251 2 BKT BKT FE
11 K5361A 4
SCREW, HEX SOCKET COUNTERSUNK
小ネジ 六角穴皿
M5X8L FE
12 DBAK1260 2 BKT BKT FE
13 K5262E 4
SCREW, HEX SOCKET BUTTON
小ネジ 六角穴ボタン M6X15L FE
14 W1024A 4
WASHER, LOCK
ワッシャ スプリング 6M/M FE
15 W1045A 4 WASHER, FLAT ワッシャ 平 4W-6 FE
16 DBAK1271 2 BKT BKT FE
17 K5361A 4
SCREW, HEX SOCKET COUNTERSUNK
小ネジ 六角穴皿
M5X8L FE
18 DBAK1280 2 BKT BKT FE
19 K5262E 4
SCREW, HEX SOCKET BUTTON
小ネジ 六角穴ボタン M6X15L FE
20 W1024A 4
WASHER, LOCK
ワッシャ スプリング 6M/M FE
21 W1045A 4 WASHER, FLAT ワッシャ 平 4W-6 FE
22 ADBAL8070 1 PLATE, ACRYLIC プレート アクリル Brown OT
23 ADBAK8120 1 PLATE, ACRYLIC プレート アクリル Brown OT
24 ADBAL8080 1 PLATE, ACRYLIC プレート アクリル Brown OT
25 ADBAK8140 1 PLATE, ACRYLIC プレート アクリル Brown OT
26 ADBAL8090 1 PLATE, ACRYLIC プレート アクリル Clear OT
27 ADBAK8160 1 PLATE, ACRYLIC プレート アクリル Clear OT
28 ADBAL8100 1 PLATE, ACRYLIC プレート アクリル Clear OT
29 ADBAK8180 1 PLATE, ACRYLIC プレート アクリル Clear OT
30 BHPZ0170 4 SEAL シール PL
31 S3196D 4 SW, LIMIT SW リミット ST14-20E-2.5M OT
32 H5290T 8 BOLT, HEX SOCKET ボルト 六角穴 M4X16L FE
33 W1022A 8
WASHER, LOCK
ワッシャ スプリング 4M/M FE
34 S3196F 4 SW, LIMIT SW リミット ST14-B5 FE
35 H5291A 8
BOLT, HEX SOCKET
ボルト 六角穴
M4X18L FE
36 W1022A 8
WASHER, LOCK
ワッシャ スプリング 4M/M FE
37 W1041A 24 WASHER, FLAT ワッシャ 平 4M/MX0.8X9(1W-4) FE
QP-351E-MM PARTS LIST
19 - 5
19.2.カバー(DBAL)
19.2.Cover(DBAL)

19.2.カバー(DBAL)
19.2.Cover(DBAL)
番号 図番 & コード番号 個数 品名 規格 備考 材質
No. Drg.No. & Code No. QTY Description Rating Remarks Materials
38 N1080A 8 NUT, HEX ナット 六角 4M/M OT
39 M1010G 4 MAGNET CATCH マグネットキャッチ TL-75S OT
40 K5255T 8 SCREW, HEX SOCKET BUTTON 小ネジ 六角穴ボタン M3X6L FE
41 W1021A 8
WASHER, LOCK
ワッシャ スプリング 3M/M FE
42 W1042A 8 WASHER, FLAT ワッシャ 平 4W-3 FE
43 T50125 4 HANDLE 取手 THA-31-4(NO.3404A) OT
44 H5300A 8 BOLT, HEX SOCKET ボルト 六角穴 M5X15L FE
45 W1023A 8
WASHER, LOCK
ワッシャ スプリング 5M/M FE
46 DBAK0590 1 COVER カバー FE
47 K5209A 2 SCREW, TRUSS 小ネジ トラス FE
QP-351E-MM PARTS LIST
19 - 6
19.2.カバー(DBAL)
19.2.Cover(DBAL)

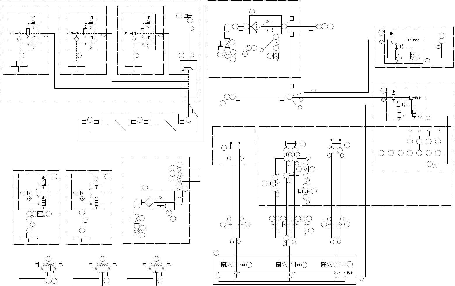
20 - 1
20.エアー配管図(DBWC)
20.Pneumatic circuit diagram(DBWC)
20.エアー配管図(DBWC)
20.Pneumatic circuit diagram(DBWC)
QP-351E-MM PARTS LIST
1.1.ノズル一覧 (DBPN)
1.1.ノズル一覧 (DBPN)
6.1.基板クランプ(CSSS)
6.1.Board clamping unit(CSSS)
タテx173.205
Ref.31-1
Ref.31-1
Ref.31-1
Ref.33-7
x3
Air supply
エアー供給源
セット圧4.5kg/cm
Set pressure 4.5kg/cm
Front device(PFU,MFU)air supply
フロントデバイス(PFU,MFU)エアー供給
ヘッド
ヘッド(標準)
(パーツ吸着確認)
MFU(STU-1 and STU-2 air supply)(Option)
MFU(STU-1 and STU-2 エアー供給口)(オプション)
Placing head
(Parts pick up check)
Placing head(Standard)
M5
11SOL2B11SOL2C
11SOL1C
H3
11SOL2A
Placing head
装着ヘッド関係
Nozzle C Nozzle B Nozzle A
Z-axis drop
Z軸落下防止
prebention
B2B2
80
B2
φ10
B2
79
79
φ10
B2
USB-1065-20-W
Y-axis flexble track
Y軸ケーブルベア
X軸ケーブルベア
X-axis flexble track
Vacuum back-up pins(Option)
Calibration(Option)
バキュームバックアップ(オプション)
Nozzle chaneger
Conveyor, XY table
コンベア、テーブル関係
ノズルチェンジシャッタ開閉
ノズルチェンジャ
Nozzle change shutter
open/close
close
閉
open
開
close
閉
open
開
基板クランプ
Board clamp
down
下
up
上
基板ストッパ
Board stopper
down
下
up
上
Lower
下降
Raise
上昇
62
62
φ6
62
62
φ6
62
62
φ6
62
62
φ6
45
93
B2
17
φ8
B2
P12
φ6
P12
17
φ8
B2
P11
φ6
P11
B2
M6
M5 M5 M5 M5M5M5
6363
61
T1SOL5
φ8
7
8
8
B2
8
10
φ6
φ16x20
φ6
M1
M2
M3
M4 M4
M3
φ6φ6
16
10
M5
M5
φ10x35
φ4
φ4
14
9
φ4φ4
P3
P4
P1
P2
P3
P4
9
55 55
M5
M5
P9
P8
P8
φ32x40
φ6
φ6
φ6
φ6
φ6
15
12
11
13
10
11
P7
P9
10 10
φ6φ6
P5
P6
P6
P6
P10
φ6
P8
P8
P7
φ6
φ6
φ6
P8
P7
P10
P9
P8
P7
10
φ6
5757
60
57
56
A
P
58
58
58
58
59
59
1/8
1/8
58 58
BA
T1SOL1 T1SOL2
BA
T1SOL3 T1SOL4
A B
21SOL221SOL1
φ10
φ10
B2
B2
B2 B2
B2
φ10 φ10
95
1/2
1/2
5Kg/cm
4
1/4
9449
B1
φ16
50
B2
51
φ8
1/4
5
B2
52
φ8
6
1/4
1/2
47
1/2
3/8
46
3/8
2
1
32
3
48
B2
B2
B2
B2
φ6
φ6
φ4
19
H4
18
φ6
H4
64
H2
11SOL1B
H1
11SOL1A
20
21
φ6
H*
67
66
11SOL1*
11SOL2*
65
68
20
φ6
H*
11SOL1*
11SOL2*
66
65
1/4
B2
φ10
31
81
43
43
43
41
42
40
39
38
44
87
88
89
87
86
キャリブレーション (オプション)
2
2
2
208
176
165
175
161
175
161
175
161
183
162
176
167
175
161
13
13
B
A
139
26
B2
81
φ10
31
Rear device (MTU,PFU,MFU)air supply
リアデバイス(MTU,PFU,MFU)エアー供給
M5
63
キャリブレイション
エアー供給源
フロントデバイス
Air supply
Front device
Conveyor, XY table
コンベア、テーブル関係
95
96
96
エアー供給源
フロントデバイス
Air supply
Front device
Conveyor, XY table
コンベア、テーブル関係
95
96
Board vacuum back-up pins
基板バキュームバックアップ
エアー供給源
フロントデバイス
Air supply
Front device
Conveyor, XY table
コンベア、テーブル関係
95
96
Calibration
T1SOL5