SM310维修手册中文版.pdf.pdf - 第15页
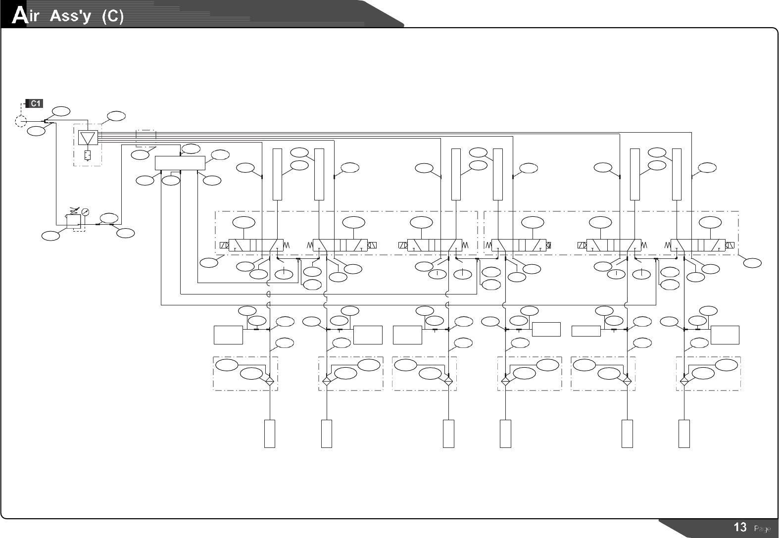
真空 室 真空 室 真空 室 真空 室 真空 室 3 S AMS UNG TE C HW IN 5 2 平管 - X 6 8 1 19 19 19 真空 发生 器 吹气 man ifol d 1 2 3 3 3 19 12 1 2 19 12 1 2 19 12 10 9 调节器 7 头部螺丝组件 # 1 2 1 - A 2 1 - A 2 1 - A 2 2 - A 2 2 - A 头部螺丝组件 # 2 2 2 - A 21 16 1…

编号
零件
编号
零件名称
数量
类型
备注
1
J9058093A
SM310 电磁阀总成
2
J9058093A
1-A
J6704006A
分配器
块
1
1-B
J6702036A
单向
阀
4
1-C
J1300067
消音器
2
1-D
J6711118A
直通
接头
1
1-E
J6703038A
速度
控制
2
1-F
J6711008A
接头
1
1-G
J1301050
速度
控制器(弯头)
1
1-H
J6712017A
插头
接头
1
1-I
J67021002A
溶解
阀
1
1-J
J1301188
弯头
接头
4
1-K
J67111003A
接头
2
2
J6701046A
气缸升降台
1
按钮
3
J1300277
配件
2
4
J6701080A
气缸
1
工作
5
J6711255A
球形
接头
2
6
J67011002A
气缸
1
ANC
7
J6703002A
速度
控制器(直型)
2
8
J6701080A
气缸
1
梭芯
9
J1301188
接头
2
10
J67011001A
边缘固定器气缸
1
边缘
固定器
1
J6709018A
调节器
2
12
J1301181
球形
接头
2
13
14
15
16

真空
室
真空
室
真空
室
真空
室
真空
室
3
S AMS UNG TE C HWIN
5
2
平管-X
6
8
1
19
19 19
真空
发生
器
吹气
manifold
12
3 3 3
19
12
12
19
12
12
19
12
10
9
调节器
7
头部螺丝组件 #1
21-A
21-A 21-A 22-A 22-A
头部螺丝组件 #2
22-A
21
16
11
13
13
11
14
16
11
13
13
11
14
16
11
13
22
13
11
16
14
18 18
15
14 14
15
18
15
14 14
18
15
压力
传感
器
18 18
15
14 14
15
17 17 17 17 17 17
20-B
20-A
20-A
20-B
20-B
20-A
20-A
20-B
20-B
20-A
20-A
20-B
滤芯
组件
滤芯
总成
滤芯
组件
滤芯
组件
滤清器
总成
滤清器
总成
压力
传感
器
压力
传感器
压力
传感
器
压力
传感
器
压力
传感
器
头部
6
头部
5
头部
4
真空
室
头
3
头部
2
头部
1

编号
零件
编号
零件名称
数量
类型
备注
1
J7254040B
吹气
总成
1
J7254040B
2
J6707006A
真空
发生器
2
3
J6711050A
塑料接头 10-32UNF 至 1/8 英寸软管
2
4
J6711163A
接头
6
5
J6711182A
Y型
接头
2
6
J6711183A
直通
接头
2
7
J6713015A
环
2
8
J7358003B
平管-X
2
J7358003B
9
J6709020A
调节器
2
10
J6711243A
直通
接头
2
11
J6711047A
将1/16英寸塑料软管连接至10-32 UNF螺纹
6
12
J6711050A
塑料接头 10-32UNF 至 1/8 英寸软管
6
13
J6711051A
塑料旋转弯头
6
14
J6711052A
塑料三通接头 1/16 软管接头
9
15
J6711054A
带刺接头,适用于1/16*1/8英寸内径柔性管
6
16
J6712004A
塑料插头 10-32UNF
6
17
J6713022B
线圈
管(聚氨酯)
6
J6713022B
18
J6713024A
聚氨酯压力管 1/16
1
19
J7155484A
体积
腔室
6
J7155484A
2
J9058076A
滤清器
总成
6
J9058076A
20-A
J67081001A
空气滤清器
1
20-B
J6711227A
接头
1
21
J9080340A
头部密封总成 #1
1
21-A
J6702037A
阀门电磁阀 4 通路,24VAC,铝制
3
22
J9080341A
头部电磁阀总成 #2
1
22-A
J6702037A
阀门电磁阀 4 通,24VAC.ALU
3
23