SM310维修手册中文版.pdf.pdf - 第18页
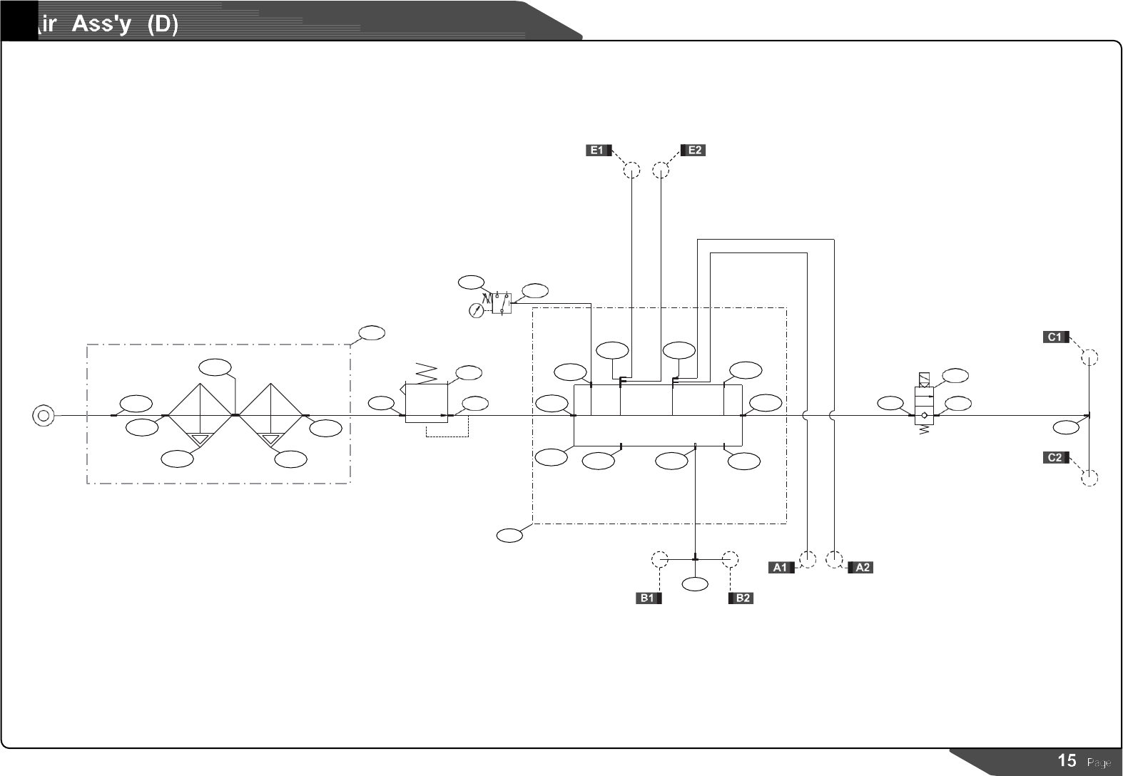
编 号 零件 编 号 零件名称 数量 类型 备注 1 J67 09012 A 调节 器 1 2 J67 11116 A 隔板接头 1 3 J67 11154 A Y 型 接头 1 4 J90 58092 A SM310 空气滤清器总成 1 J90 58092 A 4 - A J67 08016 A 空气滤清器 1 4 - B J67 08010 A 机油滤清器( CP-60 选装 ) 1 4 - C J67 11045 A 弯头 接头 …

4-D
4-E
4-C
4-C
4-A
4-B
S AMS UNG TE C HWIN
7
2
4
1
5 5
调节器
8-A
8-D
8-H 8-F
8-B
8-E
6
5 5
9
空气SOL阀组件
8-K
8-B 8-C
8-B
空气滤清器总成
8
进气歧管总成(直流)
3

编号
零件
编号
零件名称
数量
类型
备注
1
J6709012A
调节器
1
2
J6711116A
隔板接头
1
3
J6711154A
Y型
接头
1
4
J9058092A
SM310 空气滤清器总成
1
J9058092A
4-A
J6708016A
空气滤清器
1
4-B
J6708010A
机油滤清器(CP-60 选装)
1
4-C
J6711045A
弯头
接头
2
4-D
J6719055A
间隔件
1
4-E
J7500010A
耦合器
1
J7500010A
5
J1301187
弯头
接头
4
6
J9061959D
空气控制阀组件
1
6-A
J6702026A
电
磁阀
1
7
J90610608C
空气下降SNS电缆#11
1
7-A
J1300995
压力
表
1
8
J9058094A
直流分配器总成(SM310)
1
J9058094A
8-A
J1301188
接头
1
8-B
J1301213
插头
3
8-C
J1301364
弯头
接头
1
8-D
J6711059A
直通
接头
1
8-E
J6711134A
弓形
接头
1
8-F
J6711152A
配件
1
8-G
J7158003B
分配器
1
J7158003B
8-H
J67111004A
接头
1
9
J6711181A
Y型
接头
1
10
11
12

S AMS UNG TE C HWIN
供料器底座总成(直流)
J9057166A 馈线底座总成(前部-直流)
2
3
4
9
U2-4-4*2.5
2
5
6
7
2
8
8
U2-4-6*4
4
9
U2-4-4*2.5
2
1
10
5
5
2
5
5
10 1
14
13
12 12
13
14
15
1
1
U2-4-4*2.5
J9057168B
11 11
J9057180A
J9057172B
15
1
1
U2-4-4*2.5
馈线底座总成(直流)
J9057171A 馈线底座总成(后部-直流)
供料底座(直流)