NR_Mechanischer_Stopper - 第41页
Montageanleitung LP-Stopper Einfachtransport SIPLACE S-27HM / HS-60 / D 4 / D3 / HF- / X-Serie Ausgabe 06/2007 41 O Schrauben Sie den Hubtisch , wie in der Grafik dargestellt, auf den Distanzstücken mit sechs (Doppeltran…

Montageanleitung LP-Stopper Einfachtransport SIPLACE S-27HM / HS-60 / D4 / D3 / HF- / X-Serie
Ausgabe 06/2007
40
O Reinigen Sie die Transportwanne im Bereich der Transportbreitenverstellung mit einem mit
Äthylalkohol benetzten fusselfreien Tuch.
Diese sollte anschließend frei von Fetten sein, da hier der Kabelschlepp mit doppelseitigem
Klebeband befestigt werden soll.
3
3
HINWEIS: Wenn Sie den Hubtisch wieder in den Transport setzen, achten Sie darauf, dass Sie
dabei weder den Transport, den Hubtisch (Gabellichtschranken) oder Kabel/Schläuche beschä-
digen. 3
3
O Setzen Sie den Hubtisch ein. Legen Sie ihn auf die Distanzstücke.
O Entfernen Sie je 3-4 Stege des Kabelkanals im Bereich der Hubtisch-Gabellichtschranken.
O Lösen Sie die Kabelschelle für das Steuerkabel Hubtisch.
3 bis 4 Stege entfernen
für die Ausparung der
Gabellichtschranke

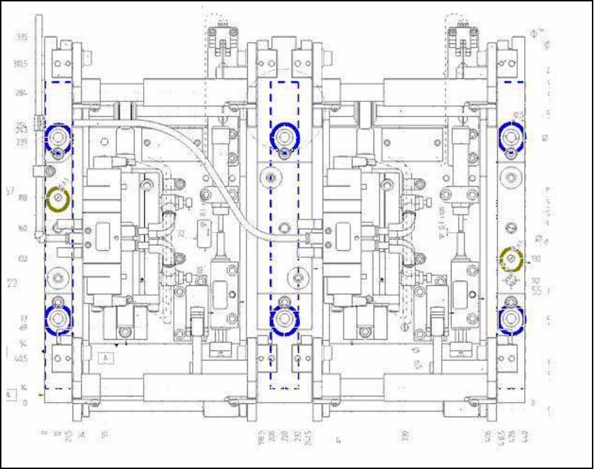
Montageanleitung LP-Stopper Einfachtransport SIPLACE S-27HM / HS-60 / D4 / D3 / HF- / X-Serie
Ausgabe 06/2007
41
O Schrauben Sie den Hubtisch, wie in der Grafik dargestellt, auf den Distanzstücken mit sechs
(Doppeltransport) bzw. vier (Einfachtransport) M8 x 70 mm (siehe Abbildung, blau) und zwei
M6 x 80 mm Schrauben (grün) fest.
Abb. 26 Befestigungsschrauben Hubtisch

Montageanleitung LP-Stopper Einfachtransport SIPLACE S-27HM / HS-60 / D4 / D3 / HF- / X-Serie
Ausgabe 06/2007
42
O Stecken Sie das Steuerkabel und den Druckluftschlauch wieder am Hubtisch an.
3
HINWEIS: Achten Sie dabei darauf, dass das Kabel unterhalb der Mechanik verlegt wird.
3
Abb. 27
O Montieren Sie die Abdeckung über der Hubtischplatine.
3
HINWEIS: Nur bei Doppeltransport: 3
Entfernen Sie alle nicht fest mit der Maschine verbundenen Teile (Werkzeuge und sonstige für die
Montage benötigten Teile) aus der Maschine.
Denken Sie dabei auch an den Pipettenwechsler und den Maschinennullpunkt. 3
O Schalten Sie die Maschine wieder am Hauptschalter ein.
O Stellen Sie die Transportspur, die auf 50 mm eingestellt wurde, auf maximale Transportbreite.
O Fahren Sie das Betriebssystem herunter und schalten Sie den Bestückautomaten am Haupt-
schalter ab.
Kabel