P-217-001e - 第108页
0301-001 106 テープフィーダ T APE FEEDER PF-321 1 PF-321 1 Fig. N-2 テープ送り部 T ape Feeder Driving Section 101 See Fig.N-1 Key No.1 See Fig.N-6 Key No.521 See Fig.N-1 Key No.18 128 127 121 11 7 11 4 11 5 103 105 120 109 108 11 9 1…

0301-001
Key No. PART No. PART NAME Q’ty REMARKS
NOTE
105
N-1
PF-3211
1 630 115 0895 FRAME(CASSETTE BODY) 1 755N--010-001
3 630 103 0791 BLOCK 1 755N--010-003
4 630 101 2865 PIN,LOCATE 1 755N--010-004
5 630 101 2483 PIN,LOCATE 1 755N--010-005
6 630 101 2650 CONNECTING FITTING 1 755N--010-006
7 630 101 2070 PLATE 1 755N--010-007
8 630 101 2575 COVER 1 755N--010-008
10 630 110 2214 GUIDE 1 755N--010-010
11 630 110 2658 COVER 1 755N--010-011
12 630 118 8461 COVER 1 755N--010-012
13 630 101 4227 COVER 1 755N--010-013
14 630 110 2269 CHUTE 1 755N--010-014
16 630 110 3747 BRACKET 1 755N--010-016
18 630 098 3579 PIPE FITTINGS 1 755N--010-018
20 630 110 2702 COVER 1 755N--010-020
21 411 147 6808 SCR TRS 3X5 2 755N--010-021
23 630 103 6571 PLATE 2 755N--010-023
24 630 006 8979 BEARING,RADIAL 1 755N--010-024
25 630 007 1641 BEARING,RADIAL 1 755N--010-025
32 630 110 4171 ASSY,GUIDE 1 755N--010-032
33 411 002 2600 SCR FLT 3X6 7 755N--010-033
34 411 141 0307 NUT HEX 4 1 755N--010-034
35 411 141 2905 WASHER SPR 4 2 755N--010-035
36 411 141 4008 WASHER V 4X9X0.8 1 755N--010-036
37 630 000 7664 BOLT,HEX-SCT 1 755N--010-037
38 630 000 7633 BOLT,HEX-SCT 1 755N--010-038
39 630 000 8920 SET SCREW 1 755N--010-039
40 411 050 5004 SCR TRS 3X6 11 755N--010-040
41 630 000 7657 BOLT,HEX-SCT 1 755N--010-041
42 411 041 8908 SCR PAN 3X6 2 755N--010-042
43 411 034 7208 SCR FLT 3X8 6 755N--010-043
44 630 000 7510 BOLT,HEX-SCT 2 755N--010-718
49 411 141 2806 WASHER SPR 3 6 755N--010-114
50 411 141 3902 WASHER V 3X7X0.5 6 755N--010-115
51 630 112 7729 CORD 1 755N--010-051
58 630 115 2479 CORD 1 755N--010-058
59 630 111 2688 NAME PLATE,INDEX 1 755N--010-812
60 630 000 7503 BOLT,HEX-SCT 4 755N--010-117
97 411 040 6202 SCR PAN 3X10 4 755N--010-097
98 411 086 4408 WASHER SPR 3 4 755N--010-098
99 411 119 1909 WASHER V 3X7X0.5 4 755N--010-099

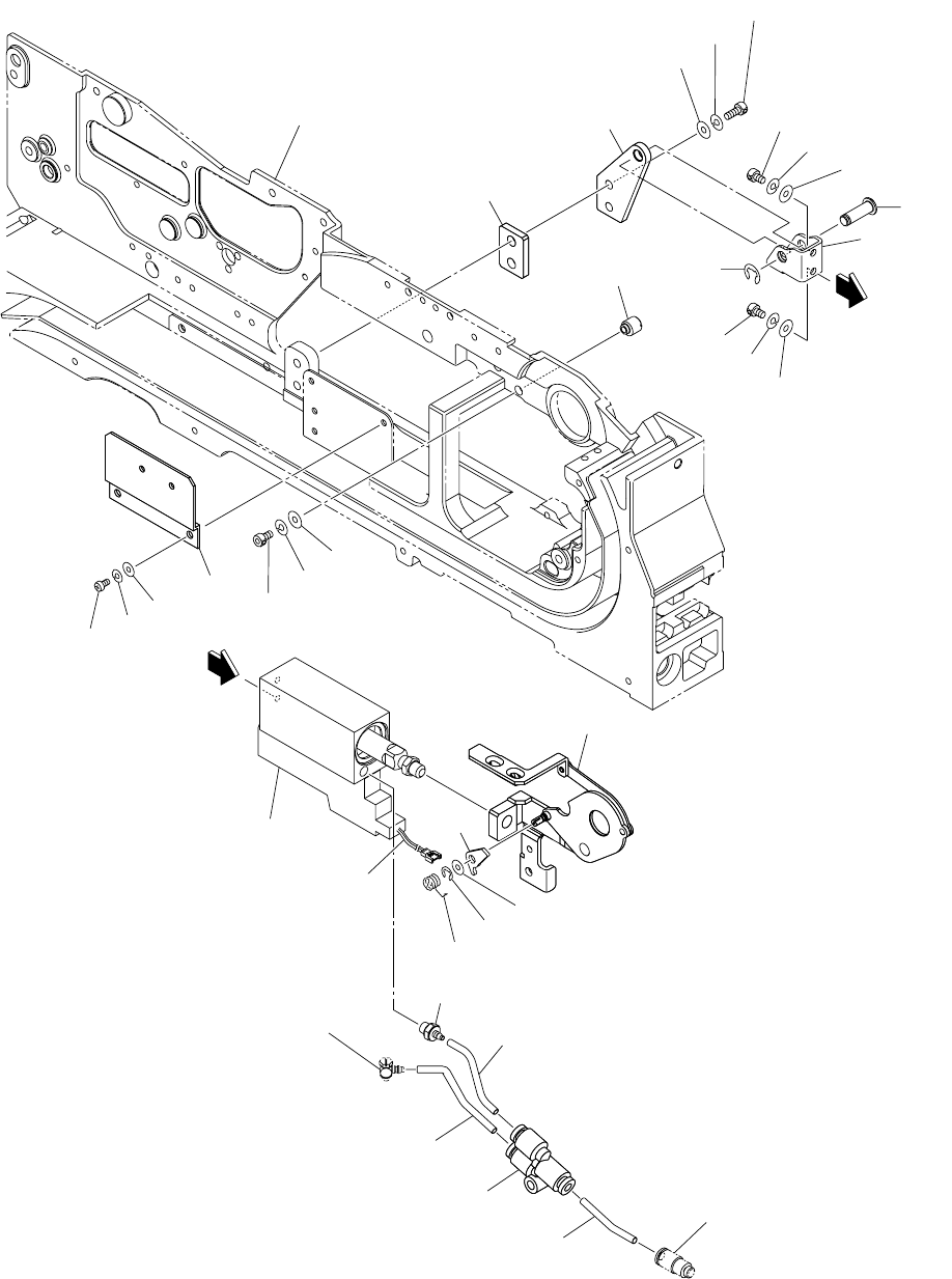
0301-001
106
テープフィーダ TAPE FEEDER
PF-3211 PF-3211
Fig. N-2 テープ送り部 Tape Feeder Driving Section
101
See Fig.N-1
Key No.1
See Fig.N-6
Key No.521
See Fig.N-1
Key No.18
128
127
121
117
114
115
103
105
120
109
108
119
110
113
117
118
115
114
112
111
114
115
122
125
A
A
130
152
116
133
129
131
114
115
126
Fig.N-2

0301-001
Key No. PART No. PART NAME Q’ty REMARKS
NOTE
107
N-2
PF-3211
101 630 110 2535 PLATE 1 755N--010-101
103 630 101 2582 SHAFT 1 755N--010-103
105 630 103 8308 BRACKET 1 755N--010-105
108 630 110 4287 ASSY,LEVER 1 755N--010-108
109 630 041 4912 LEVER(RATCHET CLICK) 1 755N--010-109
110 630 039 3033 SPRING,TORSION 1 755N--010-110
111 630 103 6595 PIN,GUIDE 1 755N--010-111
112 630 000 7510 BOLT,HEX-SCT 1 755N--010-718
113 630 036 8444 PIPE FITTINGS 1 755N--010-113
114 411 141 2806 WASHER SPR 3 5 755N--010-114
115 411 141 3902 WASHER V 3X7X0.5 5 755N--010-115
116 411 041 8908 SCR PAN 3X6 2 755N--010-042
117 630 000 7503 BOLT,HEX-SCT 2 755N--010-117
118 411 000 9809 RING E 3 1 755N--010-118
119 411 000 9304 RING E 2 1 755N--010-119
120 411 141 5807 WASHER F 3X6X0.5 1 755N--010-120
121 630 000 7633 BOLT,HEX-SCT 2 755N--010-121
122 630 110 2924 CYLINDER 1 755N--010-122
125 630 110 2542 SPACER 1 755N--010-125
126 630 110 2696 BRACKET 1 755N--010-126
127 411 141 2905 WASHER SPR 4 2 755N--010-035
128 411 141 4008 WASHER V 4X9X0.8 2 755N--010-036
129 630 119 7517 TUBE 1 755N--010-129
130 630 119 7524 TUBE 1 755N--010-130
131 630 119 7548 TUBE 1 755N--010-131
133 630 003 7692 PIPE FITTINGS 1 755N--010-811
152 630 113 8121 ASSY,CORD 1