P-217-001e - 第117页
0301-001 Key No . P AR T No. P AR T NAME Q’ty REMARKS NOTE 115 N-6 PF-321 1 50 2 630 1 10 3099 SPRING,TENTION 1 7 5 5N--010-502 50 3 630 1 19 6176 DISK(REEL DRIVE) 1 75 5N--010-503 50 5 630 1 10 4195 ASSY ,DISK 1 7 5 5N-…

0301-001
114
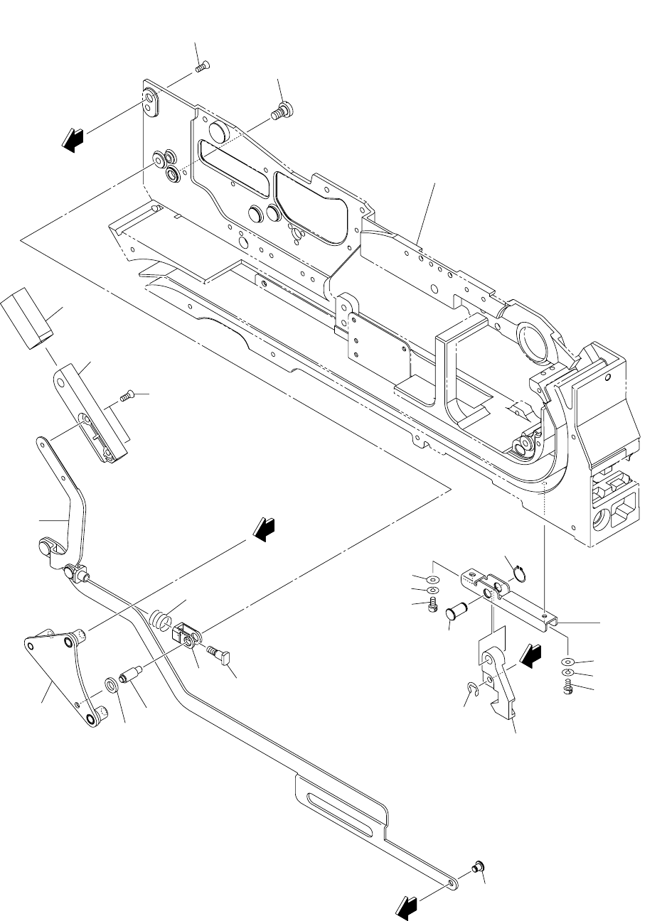
テープフィーダ TAPE FEEDER
PF-3211 PF-3211
Fig. N-6 カバーテープ巻取り部 Cover Tape Winding Section
Fig.N-6
537
535
531
532
503
505
527
535
536
502
516
524
518
518
533
519
525
See Fig.N-1
Key No.1
520
522
534
523
523
528
528
520
521

0301-001
Key No. PART No. PART NAME Q’ty REMARKS
NOTE
115
N-6
PF-3211
502 630 110 3099 SPRING,TENTION 1 755N--010-502
503 630 119 6176 DISK(REEL DRIVE) 1 755N--010-503
505 630 110 4195 ASSY,DISK 1 755N--010-505
516 630 101 1547 MACHINE SCREW 1 755N--010-516
518 630 036 8444 PIPE FITTINGS 2 755N--010-113
519 630 110 2931 CYLINDER 1 755N--010-519
520 630 110 5611 AIR LINE EQPT 2 755N--010-520
521 630 046 5556 PIPE FITTINGS 1 755N--010-521
522 630 110 5628 SOLENOID VALVE 1 755N--010-522
523 630 048 4656 PIPE FITTINGS 2 755N--010-523
524 630 110 2511 SPACER 1 755N--010-524
525 630 110 2719 PLATE 1 755N--010-525
527 630 118 1714 PIN,LOCATE 2 755N--010-527
528 630 119 7555 TUBE 2 755N--010-132
531 630 000 7527 BOLT,HEX-SCT 3 755N--010-721
532 630 000 7510 BOLT,HEX-SCT 2 755N--010-718
533 630 000 7534 BOLT,HEX-SCT 2 755N--010-044
534 411 041 5600 SCR PAN 3X4 2 755N--010-128
535 411 141 2806 WASHER SPR 3 5 755N--010-114
536 411 141 3902 WASHER V 3X7X0.5 2 755N--010-115
537 411 141 5807 WASHER F 3X6X0.5 3 755N--010-120

0301-001
116
テープフィーダ TAPE FEEDER
PF-3211 PF-3211
Fig. N-8 クランプ部 Clamp Section
715
708
720
717
702
See Fig.N-1
Key No.1
701
707
711
723
722
718
709
719
713
710
723
712
722
718
A
B
A
B
704
703
706
714
Fig.N-8
705