P-217-001e - 第12页
0301-002 10 テープフィーダ T APE FEEDER PF- 0810, 081 1, 0812, 0813, 0814 PF- 0810, 081 1, 0812, 0813, 0814 Fig. W-2 テープ送り駆動部 T ape Feeder Driving Section 101 See Fig.W-1 Key No.1 102 130 129 121 11 7 11 4 11 5 103 105 11 7 11 …

Key No. PART No. PART NAME Q’ty REMARKS
NOTE
0301-002
9
W-1
PF-0810
PF-0811
PF-0812
PF-0813
PF-0814
1 630 106 7759 FRAME(CASSETTE BODY) 1 755W--010-001
1 630 102 5629 FRAME(CASSETTE BODY) 1 755BC-010-001
1 630 106 7766 FRAME(CASSETTE BODY) 1 755C--010-001
1 630 102 5636 FRAME(CASSETTE BODY) 1 1 755B--010-001
2 630 000 8890 SET SCREW 1 1 1 755C--010-002
3 630 103 0791 BLOCK 1 1 1 1 1 755W--010-003
4 630 101 2865 PIN,LOCATE 1 1 1 1 1 755W--010-004
5 630 101 2483 PIN,LOCATE 1 1 1 1 1 755W--010-005
6 630 101 2650 CONNECTING FITTING 1 1 1 1 1 755W--010-006
7 630 101 2070 PLATE 1 1 1 1 1 755W--010-007
8 630 101 2575 COVER 1 1 1 1 1 755W--010-008
10 630 102 7388 GUIDE 1 1 1 1 1 755W--010-010
11 630 101 2629 COVER 1 1 1 1 1 755W--010-011
12 630 102 7920 COVER 1 1 1 1 1 755W--010-012
13 630 102 6985 COVER 1 1 1 1 1 755W--010-013
16 630 102 7791 BRACKET 1 1 1 1 1 755W--010-016
17 630 103 0616 HOOK 1 1 1 1 1 755W--010-017
18 630 098 3579 PIPE FITTINGS 1 1 1 1 1 755W--010-018
19 630 103 2740 COVER 1 1 1 1 1 755W--010-019
20 630 110 1972 COVER 1 1 1 1 1 755W--010-020
21 411 147 6808 SCR TRS 3X5 3 3 3 3 3 755W--010-021
22 411 152 4202 SCR FLT 3X4 5 5 5 5 5 755W--010-022
33 411 002 2600 SCR FLT 3X6 7 7 7 7 7 755W--010-033
34 411 141 0307 NUT HEX 4 1 1 1 1 1 755W--010-034
35 411 141 2905 WASHER SPR 4 2 2 2 2 2 755W--010-035
36 411 141 4008 WASHER V 4X9X0.8 1 1 1 1 1 755W--010-036
37 630 000 7664 BOLT,HEX-SCT 1 1 1 1 1 755W--010-037
38 630 000 7633 BOLT,HEX-SCT 1 1 1 1 1 755W--010-038
39 630 000 8920 SET SCREW 1 1 1 1 1 755W--010-039
40 411 050 5004 SCR TRS 3X6 1111111111 755W--010-040
41 630 000 7657 BOLT,HEX-SCT 1 1 1 1 1 755W--010-041
42 411 041 8908 SCR PAN 3X6 2 2 2 2 2 755W--010-042
49 411 141 2806 WASHER SPR 3 2 2 2 2 2 755W--010-114
50 411 141 3902 WASHER V 3X7X0.5 2 2 2 2 2 755W--010-115
51 630 112 7729 CORD 1 1 1 1 1 755W--010-051
56 630 108 6019 NAME PLATE,INDEX 1 1 1 1 1 755W--010-056
97 411 040 6202 SCR PAN 3X10 2 2 2 2 2 755W--010-097
98 411 086 4408 WASHER SPR 3 2 2 2 2 2 755W--010-098
99 411 119 1909 WASHER V 3X7X0.5 2 2 2 2 2 755W--010-099

0301-002
10
テープフィーダ TAPE FEEDER
PF-
0810, 0811, 0812, 0813, 0814
PF-
0810, 0811, 0812, 0813, 0814
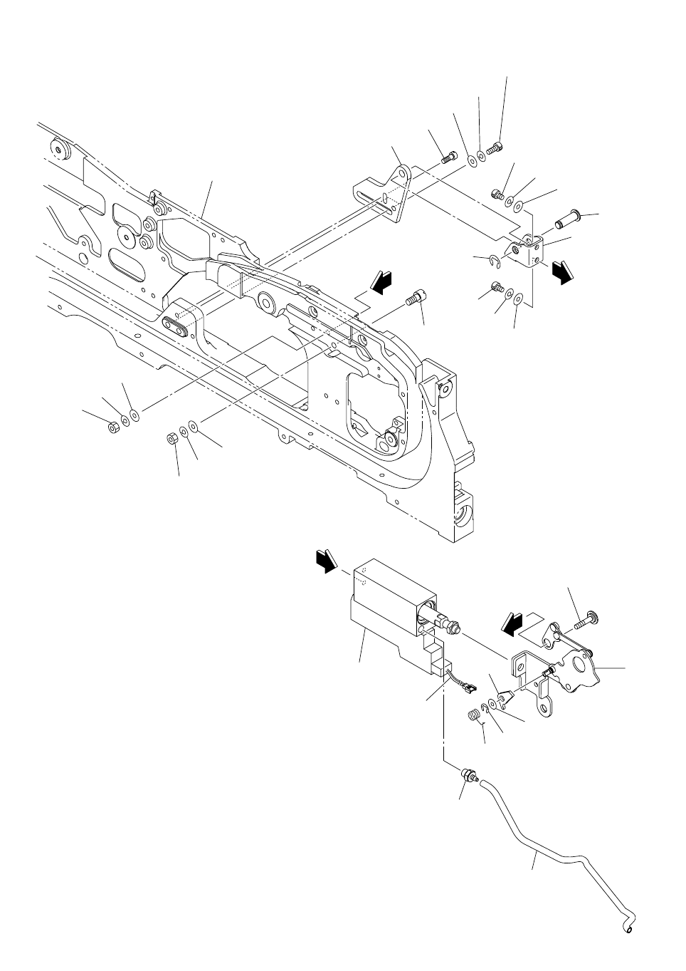
Fig. W-2 テープ送り駆動部 Tape Feeder Driving Section
101
See Fig.W-1
Key No.1
102
130
129
121
117
114
115
103
105
117
118
130
129
128
115
114
116
111
A
B
114
115
Fig.W-2
B
120
109
108
112
A
119
110
113
123
122
152

Key No. PART No. PART NAME Q’ty REMARKS
NOTE
0301-002
11
W-2
PF-0810
PF-0811
PF-0812
PF-0813
PF-0814
101 630 103 8315 PLATE 1 1 1 1 1 755W--010-101
102 630 103 2658 SHAFT 1 1 1 1 1 755W--010-102
103 630 101 2582 SHAFT 1 1 1 1 1 755W--010-103
105 630 103 8308 BRACKET 1 1 1 1 1 755W--010-105
108 630 103 6762 ASSY,LEVER 1 1 755W--010-108
108 630 115 1397 ASSY,LEVER 1 1 1 755C--010-108
109 630 041 4912 LEVER(RATCHET CLICK) 1 1 1 1 1 755W--010-109
110 630 039 3033 SPRING,TORSION 1 1 1 1 1 755W--010-110
111 630 101 2551 PIN,GUIDE 1 1 1 1 1 755W--010-111
112 630 101 2933 PIN,LOCATE 1 1 1 1 1 755W--010-112
113 630 036 8444 PIPE FITTINGS 1 1 1 1 1 755W--010-113
114 411 141 2806 WASHER SPR 3 3 3 3 3 3 755W--010-114
115 411 141 3902 WASHER V 3X7X0.5 3 3 3 3 3 755W--010-115
116 411 140 9905 NUT HEX 3 1 1 1 1 1 755W--010-116
117 630 000 7503 BOLT,HEX-SCT 2 2 2 2 2 755W--010-117
118 411 000 9809 RING E 3 1 1 1 1 1 755W--010-118
119 411 000 9304 RING E 2 1 1 1 1 1 755W--010-119
120 411 141 5807 WASHER V 3X6X0.5 1 1 1 1 1 755W--010-120
121 630 000 7640 BOLT,HEX-SCT 2 2 2 2 2 755W--010-121
122 630 116 9217 CYLINDER 1 1 1 1 1 755W--010-122
123 630 106 8909 TUBE 1 1 1 1 1 755W--010-123
128 411 141 0307 NUT HEX 4 1 1 1 1 1 755W--010-034
129 411 141 2905 WASHER SPR 4 3 3 3 3 3 755W--010-035
130 411 141 4008 WASHER V 4X9X0.8 3 3 3 3 3 755W--010-036
152 630 113 8121 ASSY,CORD 1 1 1 1 1