P-217-001e - 第169页
0301-002 Key No . P AR T No. P AR T NAME Q’ty REMARKS NOTE 167 Y-1 PF-7210 1 630 103 3044 F RAME(CASSETTE BODY) 1 755Y--010-001 3 630 103 0791 BLOCK 1 755Y--010-003 4 630 101 2865 PIN,LOCA TE 1 755Y--010-004 5 630 101 24…

0301-002
166
テープフィーダ TAPE FEEDER
PF-
7210
PF-
7210
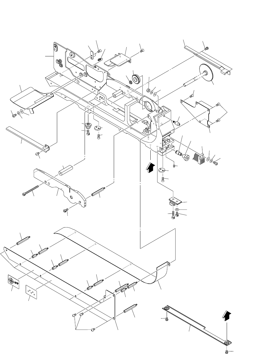
Fig. Y-1 フレーム部 Frame Section
Fig.Y-1
1
7
17
16
34
35
36
22
25
24
See Fig.Y-3
Key No.213
33
18
6
51
99
39
23
43
3
35
38
40
13
40
29
28
44
48
21
49
42
11
10
30
14
4
41
23
29
43
50
32
28
26
28
29
26
56
57
26
29
12
26
28
40
37
98
97
33
5
8
20
40
33
A
A

0301-002
Key No. PART No. PART NAME Q’ty REMARKS
NOTE
167
Y-1
PF-7210
1 630 103 3044 FRAME(CASSETTE BODY) 1 755Y--010-001
3 630 103 0791 BLOCK 1 755Y--010-003
4 630 101 2865 PIN,LOCATE 1 755Y--010-004
5 630 101 2483 PIN,LOCATE 1 755Y--010-005
6 630 101 2650 CONNECTING FITTING 1 755Y--010-006
7 630 101 2070 PLATE 1 755Y--010-007
8 630 101 2575 COVER 1 755Y--010-008
10 630 104 7447 GUIDE 1 755Y--010-010
11 630 101 2629 COVER 1 755Y--010-011
12 630 103 6908 COVER 1 755Y--010-012
13 630 106 6820 COVER 1 755Y--010-013
14 630 103 6939 CHUTE 1 755Y--010-014
16 630 103 8421 BRACKET 1 755Y--010-016
17 630 103 0616 HOOK 1 755Y--010-017
18 630 098 3579 PIPE FITTINGS 1 755Y--010-018
20 630 103 6564 COVER 1 755Y--010-020
21 411 147 6808 SCR TRS 3X5 2 755Y--010-021
22 411 152 4202 SCR FLT 3X4 1 755Y--010-022
23 630 103 6571 PLATE 2 755Y--010-023
24 630 006 8979 BEARING,RADIAL 1 755Y--010-024
25 630 007 1641 BEARING,RADIAL 1 755Y--010-025
26 630 104 5979 ACCESSORY,P.C.B 4 755Y--010-026
28 630 104 5993 ACCESSORY,P.C.B 4 755Y--010-028
29 630 100 6055 ACCESSORY,P.C.B 4 755Y--010-029
30 630 104 7560 SPACER 1 755Y--010-030
32 630 104 8024 GUIDE 1 755Y--010-032
33 411 002 2600 SCR FLT 3X6 7 755Y--010-033
34 411 141 0307 NUT HEX 4 1 755Y--010-034
35 411 141 2905 WASHER SPR 4 2 755Y--010-035
36 411 141 4008 WASHER V 4X9X0.8 1 755Y--010-036
37 630 000 7664 BOLT,HEX-SCT 1 755Y--010-037
38 630 000 7633 BOLT,HEX-SCT 1 755Y--010-038
39 630 000 8920 SET SCREW 1 755Y--010-039
40 411 050 5004 SCR TRS 3X6 11 755Y--010-040
41 630 000 7657 BOLT,HEX-SCT 1 755Y--010-041
42 411 041 8908 SCR PAN 3X6 2 755Y--010-042
43 411 034 7208 SCR FLT 3X8 4 755Y--010-043
44 630 000 7527 BOLT,HEX-SCT 1 755Y--010-044
48 630 091 5419 BOLT,HEX-SCT 1 755Y--010-048
49 411 141 2806 WASHER SPR 3 2 755Y--010-114
50 411 141 3902 WASHER V 3X7X0.5 2 755Y--010-115
51 630 112 7729 CORD 1 755Y--010-051
56 630 108 6033 NAME PLATE,INDEX 1 755Y--010-056
57 630 108 7764 NAME PLATE,INDEX 1 755Y--010-057
97 411 040 6202 SCR PAN 3X10 2 755Y--010-097

0112-001
Key No. PART No. PART NAME Q’ty REMARKS
NOTE
168
Y-1
PF-7210
98 411 086 4408 WASHER SPR 3 2 755Y--010-098
99 411 119 1909 WASHER V 3X7X0.5 2 755Y--010-099