P-217-001e - 第172页
0301-002 170 テープフィーダ T APE FEEDER PF-7210 PF-7210 Fig. Y-2 テープ送り駆動部 T ape Feeder Driving Section 101 See Fig.Y -1 Key No.1 102 130 129 121 11 7 11 4 11 5 103 105 120 109 108 11 9 11 0 11 3 11 7 11 8 11 5 11 4 11 7 111 11…

MEMO

0301-002
170
テープフィーダ TAPE FEEDER
PF-7210 PF-7210
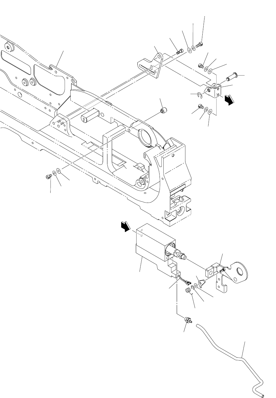
Fig. Y-2 テープ送り駆動部 Tape Feeder Driving Section
101
See Fig.Y-1
Key No.1
102
130
129
121
117
114
115
103
105
120
109
108
119
110
113
117
118
115
114
117
111
114
115
122
Fig.Y-2
123
A
A
152

0112-001
Key No. PART No. PART NAME Q’ty REMARKS
NOTE
171
Y-2
PF-7210
101 630 103 8315 PLATE 1 755Y--010-101
102 630 103 2658 SHAFT 1 755Y--010-102
103 630 101 2582 SHAFT 1 755Y--010-103
105 630 103 8308 BRACKET 1 755Y--010-105
108 630 104 1216 ASSY,LEVER 1 755Y--010-108
109 630 041 4912 LEVER(RATCHET CLICK) 1 755Y--010-109
110 630 039 3033 SPRING,TORSION 1 755Y--010-110
111 630 103 6595 PIN,GUIDE 1 755Y--010-111
113 630 036 8444 PIPE FITTINGS 1 755Y--010-113
114 411 141 2806 WASHER SPR 3 3 755Y--010-114
115 411 141 3902 WASHER V 3X7X0.5 3 755Y--010-115
117 630 000 7503 BOLT,HEX-SCT 3 755Y--010-117
118 411 000 9809 RING E 3 1 755Y--010-118
119 411 000 9304 RING E 2 1 755Y--010-119
120 411 141 5807 WASHER V 3X6X0.5 1 755Y--010-120
121 630 000 7633 BOLT,HEX-SCT 2 755Y--010-038
122 630 108 1496 CYLINDER 1 755Y--010-122
123 630 108 3605 TUBE 1 755Y--010-123
129 411 141 2905 WASHER SPR 4 2 755Y--010-035
130 411 141 4008 WASHER V 4X9X0.8 2 755Y--010-036
152 630 113 8121 ASSY,CORD 1