P-217-001e - 第18页
0301-002 16 テープフィーダ T APE FEEDER PF- 0810, 081 1, 0812, 0813,0814 PF-0810, 081 1, 0812, 0813,0814 Fig. W-5 サプレッサ部 Suppressor Section See Fig.W-1 Key No.1 A A 402 415 409 407 427 408 41 1 421 424 423 422 427 404 406 405 4…

Key No. PART No. PART NAME Q’ty REMARKS
NOTE
0301-002
15
W-4
PF-0810
PF-0811
PF-0812
PF-0813
PF-0814
301 630 101 2605 PIN,LOCATE 1 1 1 1 1 755W--010-301
303 630 096 0303 ASSY,LINK 1 1 1 1 1 755W--010-303
304 630 041 4714 PIN,LOCATE 1 1 1 1 1 755W--010-304
305 630 102 7050 ASSY,LEVER 1 1 1 1 1 755W--010-305
306 630 101 3015 PIN,LOCATE 1 1 1 1 1 755W--010-306
310 630 102 7043 ROLLER 1 1 1 1 1 755W--010-310
315 411 050 5004 SCR TRS 3X6 1 1 1 1 1 755W--010-040
316 411 141 2806 WASHER SPR 3 3 3 3 3 3 755W--010-114
317 411 141 3902 WASHER V 3X7X0.5 3 3 3 3 3 755W--010-115
318 411 140 9905 NUT HEX 3 1 1 1 1 1 755W--010-116
319 411 140 0109 NUT HEX 3 1 1 1 1 1 755W--010-124

0301-002
16
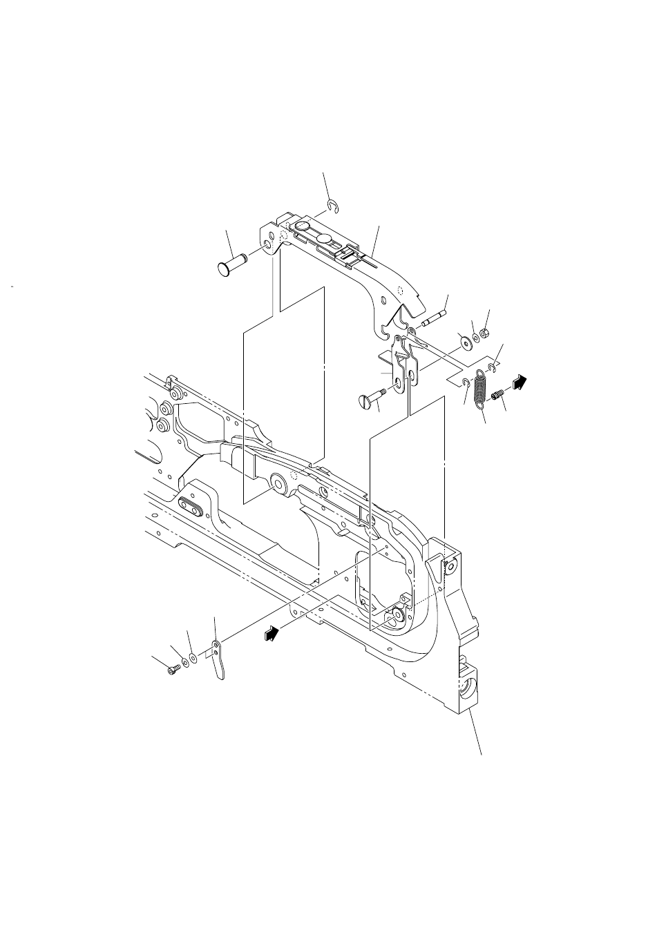
テープフィーダ TAPE FEEDER
PF-
0810, 0811, 0812, 0813,0814 PF-0810, 0811, 0812, 0813,0814
Fig. W-5 サプレッサ部 Suppressor Section
See Fig.W-1
Key No.1
A
A
402
415
409
407
427
408
411
421
424
423
422
427
404
406
405
425
426
Fig.W-5

Key No. PART No. PART NAME Q’ty REMARKS
NOTE
0301-002
17
W-5
PF-0810
PF-0811
PF-0812
PF-0813
PF-0814
402 630 102 6145 PIN,LOCATE 1 1 1 1 1 755W--010-402
404 630 102 7418 PIN,LOCATE 1 1 1 1 1 755W--010-404
405 630 101 2506 COLLAR 1 1 1 1 1 755W--010-405
406 630 102 7333 LEVER 1 1 1 1 1 755W--010-406
407 630 102 7357 HOOK 1 1 1 1 1 755W--010-407
408 630 101 2490 PIN,LOCATE 1 1 1 1 1 755W--010-408
409 630 103 7615 ASSY,LEVER 1 755W--010-409
409 630 103 7622 ASSY,LEVER 1 755BC-010-409
409 630 103 7639 ASSY,LEVER 1 755C--010-409
409 630 117 1630 ASSY,LEVER 1 755B--010-409
409 630 108 5081 ASSY,LEVER 1 755E--010-409
411 630 002 8720 SPRING,TENSION 1 1 1 1 1 755W--010-411
415 411 001 0003 RING E 4 1 1 1 1 1 755W--010-415
421 630 110 6007 PLATE 1 1 1 1 1 755W--010-421
422 630 012 3791 BOLT,HEX-SCT 2 2 2 2 2 755W--010-422
423 411 141 6606 WASHER SPR 2.5 2 2 2 2 2 755W--010-423
424 411 141 5708 WASHER F 2.5X5X0.5 2 2 2 2 2 755W--010-424
425 411 141 2806 WASHER SPR 3 1 1 1 1 1 755W--010-114
426 411 140 9905 NUT HEX 3 1 1 1 1 1 755W--010-116
427 411 000 9304 RING E 2 2 2 2 2 2 755W--010-119