P-217-001e - 第67页
0301-002 65 Key No . P AR T No. P AR T NAME Q’ty REMARKS NOTE P-1 1 630 101 4807 F RAME(CASSETTE BODY) 1 1 755P--010-001 2 630 000 8906 SET SCREW 4 755K--010-813 3 630 103 0791 BLOCK 1 1 755P--010-003 4 630 101 2865 PIN,…

0301-002
64
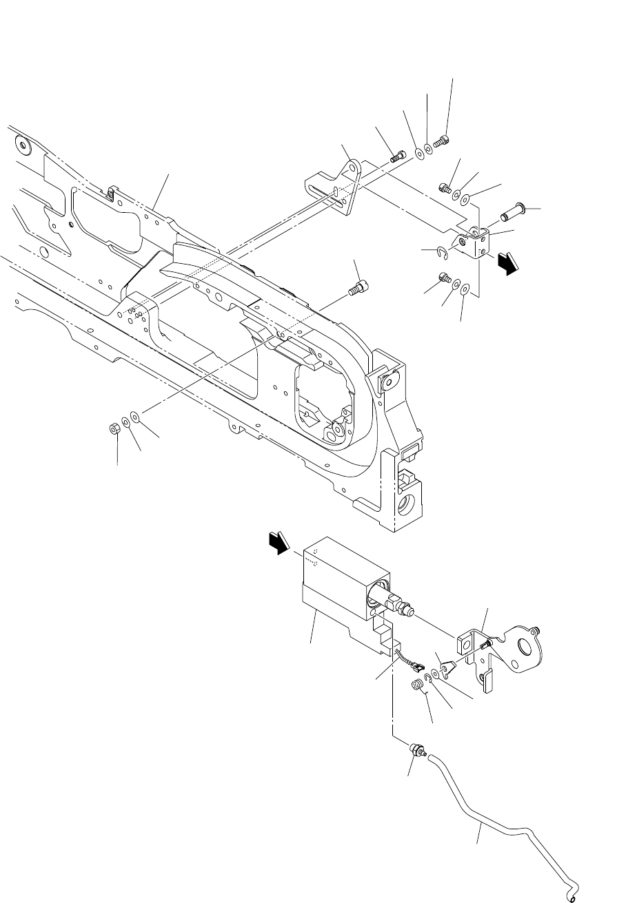
テープフィーダ TAPE FEEDER
PF-2410, 2411 PF-2410, 2411
Fig. P-1 フレーム部 Frame Section
33
33
5
8
51
6
39
3
35
37
38
15
12
15
15
40
40
40
40
57
56
47
46
44
15
21
50
10
9
1
33
7
17
22
16
33
49
42
50
9
4
2
41
14
49
45
11
15
18
13
99
98
97
34
35
36
21
19
20
22
Fig.P-1

0301-002
65
Key No. PART No. PART NAME Q’ty REMARKS
NOTE
P-1
1 630 101 4807 FRAME(CASSETTE BODY) 1 1 755P--010-001
2 630 000 8906 SET SCREW 4 755K--010-813
3 630 103 0791 BLOCK 1 1 755P--010-003
4 630 101 2865 PIN,LOCATE 1 1 755P--010-004
5 630 101 2483 PIN,LOCATE 1 1 755P--010-005
6 630 101 2650 CONNECTING FITTING 1 1 755P--010-006
7 630 101 2070 PLATE 1 1 755P--010-007
8 630 101 2575 COVER 1 1 755P--010-008
9 630 101 4821 COLLAR 2 2 755P--010-009
10 630 101 4296 GUIDE 1 1 755P--010-010
11 630 101 2629 COVER 1 1 755P--010-011
12 630 101 4210 COVER 1 1 755P--010-012
13 630 101 4227 COVER 1 1 755P--010-013
14 630 101 4845 CHUTE 1 1 755P--010-014
15 630 101 4852 COLLAR 8 8 755P--010-015
16 630 103 2214 BRACKET 1 1 755P--010-016
17 630 103 0616 HOOK 1 1 755P--010-017
18 630 098 3579 PIPE FITTINGS 1 1 755P--010-018
19 630 103 2740 COVER 1 1 755P--010-019
20 630 110 1972 COVER 1 1 755P--010-020
21 411 147 6808 SCR TRS 3X5 3 3 755P--010-021
22 411 152 4202 SCR FLT 3X4 4 4 755P--010-022
33 411 002 2600 SCR FLT 3X6 8 8 755P--010-033
34 411 141 0307 NUT HEX 4 1 1 755P--010-034
35 411 141 2905 WASHER SPR 4 2 2 755P--010-035
36 411 141 4008 WASHER V 4X9X0.8 1 1 755P--010-036
37 630 000 7664 BOLT,HEX-SCT 1 1 755P--010-037
38 630 000 7633 BOLT,HEX-SCT 1 1 755P--010-038
39 630 000 8920 SET SCREW 1 1 755P--010-039
40 411 050 5004 SCR TRS 3X6 1111 755P--010-040
41 630 000 7657 BOLT,HEX-SCT 1 1 755P--010-041
42 411 041 8908 SCR PAN 3X6 2 2 755P--010-042
44 630 000 7534 BOLT,HEX-SCT 3 3 755P--010-044
45 411 140 9905 NUT HEX 3 1 1 755P--010-045
46 411 141 2806 WASHER SPR 3 2 2 755P--010-114
47 411 141 3902 WASHER V 3X7X0.5 2 2 755P--010-115
49 411 141 2806 WASHER SPR 3 2 2 755P--010-114
50 411 141 3902 WASHER V 3X7X0.5 2 2 755P--010-115
51 630 112 7729 CORD 1 1 755P--010-051
56 630 108 6026 NAME PLATE,INDEX 1 1 755P--010-056
57 630 108 7764 NAME PLATE,INDEX 1 755P--010-057
97 411 040 6202 SCR PAN 3X10 2 2 755P--010-097
98 411 086 4408 WASHER SPR 3 2 2 755P--010-098
99 411 119 1909 WASHER V 3X7X0.5 2 2 755P--010-099
PF-2410
PF-2411

0301-002
66
テープフィーダ TAPE FEEDER
PF-2410, 2411 PF-2410, 2411
Fig. P-2 テープ送り駆動部 Tape Feeder Driving Section
101
See Fig.P-1
Key No.1
102
130
129
121
117
114
115
103
105
120
109
108
119
110
113
123
117
118
130
129
128
111
114
115
122
Fig.P-2
B
B
152