P-217-001e - 第87页
0301-002 Key No . P AR T No. P AR T NAME Q’ty REMARKS NOTE 85 V-1 PF-3210 1 630 103 3013 F RAME(CASSETTE BODY) 1 755V--010-001 3 630 103 0791 BLOCK 1 755V--010-003 4 630 101 2865 PIN,LOCA TE 1 755V--010-004 5 630 101 248…

0301-002
84
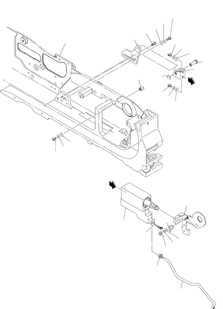
テープフィーダ TAPE FEEDER
PF-3210 PF-3210
Fig. V-1 フレーム部 Frame Section
33
33
5
8
51
6
39
3
35
37
38
12
40
40
40
57
56
44
21
10
1
33
7
17
16
42
49
50
4
41
14
11
18
13
99
98
97
34
35
36
20
40
See Fig.V-3
Key No.213
23
43
23
43
25
24
22
Fig.V-1
A
A

0301-002
Key No. PART No. PART NAME Q’ty REMARKS
NOTE
85
V-1
PF-3210
1 630 103 3013 FRAME(CASSETTE BODY) 1 755V--010-001
3 630 103 0791 BLOCK 1 755V--010-003
4 630 101 2865 PIN,LOCATE 1 755V--010-004
5 630 101 2483 PIN,LOCATE 1 755V--010-005
6 630 101 2650 CONNECTING FITTING 1 755V--010-006
7 630 101 2070 PLATE 1 755V--010-007
8 630 101 2575 COVER 1 755V--010-008
10 630 103 6892 GUIDE 1 755V--010-010
11 630 101 2629 COVER 1 755V--010-011
12 630 103 6908 COVER 1 755V--010-012
13 630 103 6915 COVER 1 755V--010-013
14 630 103 6939 CHUTE 1 755V--010-014
16 630 103 8421 BRACKET 1 755V--010-016
17 630 103 0616 HOOK 1 755V--010-017
18 630 098 3579 PIPE FITTINGS 1 755V--010-018
20 630 103 6564 COVER 1 755V--010-020
21 411 147 6808 SCR TRS 3X5 2 755V--010-021
22 411 152 4202 SCR FLT 3X4 1 755V--010-022
23 630 103 6571 PLATE 2 755V--010-023
24 630 006 8979 BEARING,RADIAL 1 755V--010-024
25 630 007 1641 BEARING,RADIAL 1 755V--010-025
33 411 002 2600 SCR FLT 3X6 7 755V--010-033
34 411 141 0307 NUT HEX 4 1 755V--010-034
35 411 141 2905 WASHER SPR 4 2 755V--010-035
36 411 141 4008 WASHER V 4X9X0.8 1 755V--010-036
37 630 000 7664 BOLT,HEX-SCT 1 755V--010-037
38 630 000 7633 BOLT,HEX-SCT 1 755V--010-038
39 630 000 8920 SET SCREW 1 755V--010-039
40 411 050 5004 SCR TRS 3X6 11 755V--010-040
41 630 000 7657 BOLT,HEX-SCT 1 755V--010-041
42 411 041 8908 SCR PAN 3X6 2 755V--010-042
43 411 034 7208 SCR FLT 3X8 4 755V--010-043
44 630 000 7510 BOLT,HEX-SCT 2 755V--010-718
49 411 141 2806 WASHER SPR 3 2 755V--010-114
50 411 141 3902 WASHER V 3X7X0.5 2 755V--010-115
51 630 112 7729 CORD 1 755V--010-051
56 630 108 6033 NAME PLATE,INDEX 1 755V--010-056
57 630 108 7764 NAME PLATE,INDEX 1 755V--010-057
97 411 040 6202 SCR PAN 3X10 2 755V--010-097
98 411 086 4408 WASHER SPR 3 2 755V--010-098
99 411 119 1909 WASHER V 3X7X0.5 2 755V--010-099

0301-002
86
テープフィーダ TAPE FEEDER
PF-3210 PF-3210
Fig. V-2 テープ送り部 Tape Feeder Driving Section
101
See Fig.V-1
Key No.1
102
130
129
121
117
114
115
103
105
120
109
108
119
110
113
117
118
115
114
117
111
114
115
122
Fig.V-2
A
A
123
152