P-322-001e - 第19页
134 131 136 U03 Y0902 X0307 X0305 X0306 U25 X2503 X2501 X2507 X2504 X25B2 X25X1 X25X2 X3105 X3103 X31P1 A31 5 N C A 2 P N C B 2 P N C C 2 P N C D 2 P N C A 2 N C B 2 N C C 2 N C D 2 N C 3 P N C 1 P N C D 4 N C C 4 N C B …

1010-001
Fig. A1-2
電装ボックス
Electrical Box
134
131
136
U03
Y0902
X0307
X0305
X0306
U25
X2503
X2501
X2507
X2504
X25B2
X25X1
X25X2
X3105
X3103
X31P1
A31
5
N
C
A
2
P
N
C
B
2
P
N
C
C
2
P
N
C
D
2
P
N
C
A
2
N
C
B
2
N
C
C
2
N
C
D
2
N
C
3
P
N
C
1
P
N
C
D
4
N
C
C
4
N
C
B
4
N
C
3
N
C
X3104D
X3104B
X3104C
X331P1
X131P1
X12501
X13701
B3106
B3103
X23701
7
N
C
1
N
C
2
N
C
3
N
C
2
0
X
1
0
X
1
0
B
4
N
C
2
0
B
6
N
C
5
N
C
135
132
104
133
108
114
11
7
11
0
11
6
11
9
11
3
109
102
105
104
103
101
107
106
151
142
152
108
108
108
139
139
108
139
139
108
108
108
139
139
120
108
136
134
120
141
141
141
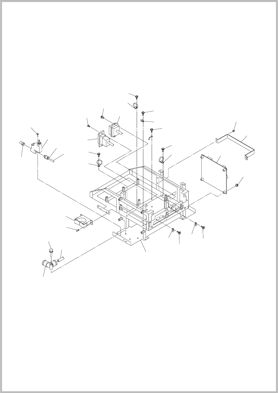
Fig. A1 MR12
ヘッド
MR12 HEAD

134
131
136
U03
Y0902
X0307
X0305
X0306
U25
X2503
X2501
X2507
X2504
X25B2
X25X1
X25X2
X3105
X3103
X31P1
A31
5
N
C
A
2
P
N
C
B
2
P
N
C
C
2
P
N
C
D
2
P
N
C
A
2
N
C
B
2
N
C
C
2
N
C
D
2
N
C
3
P
N
C
1
P
N
C
D
4
N
C
C
4
N
C
B
4
N
C
3
N
C
X3104D
X3104B
X3104C
X331P1
X131P1
X12501
X13701
B3106
B3103
X23701
7
N
C
1
N
C
2
N
C
3
N
C
2
0
X
1
0
X
1
0
B
4
N
C
2
0
B
6
N
C
5
N
C
135
132
104
133
141
141
141
Fig. A1
1010-001
Fig. A1-2

Key No. PART No. PART NAME Q’ty
REMARKS
NOTE
101 0916D20J P_C_B_MOUNT 1 1091603T00-001
102 225F0656 PIPE FITTINGS 1 1091603T00-002
103 225F0566 PIPE FITTINGS 1 1091603T00-003
104 09163T01 ASSY_VALVE 1 1091603T00-004
105 225B0573 AIR LINE EQPT 1 1091603T00-005
106 0916DM17 BRACKET 1 1091603T00-006
107 0916DM18 BOX 1 1091603T00-007
108 221DA051 SEMS_PANHEADSCR 18 1091603T00-008
109 221DA057 MACHINE_SCREW 4 1091603T00-009
110 221A0245 BOLT_HEX-SCT 2 1091603T00-010
113 221AA021 ROHS_HEX-SCT 1 1091603T00-013
114 221HA001 WASHER 2 1091603T00-014
116 221HA004 WASHER 1 1091603T00-016
117 221HA101 WASHER 2 1091603T00-017
119 221HA104 WASHER 1 1091603T00-019
120 221DA056 MACHINE SCREW 4 1091603T00-020
131 4W204782 CORD 1 1091603T00-101
132 4W204987 CORD 1 1091603T00-102
133 0916D50B CORD 1 1091603T00-103
134 4W204984 CORD 1 1091603T00-104
135 4W204985 CORD 1 1091603T00-105
136 4W204786 CORD 1 1091603T00-106
139 23N30632 WIRING 12 1091603T00-109
141 0916D209 ACCESSORY_WRING 25 1091603T00-111
142 0916D20D ACCESSORY_WRING 1 1091603T00-112
151 0916D20A TUBE D4 1 3091603Q03-001
152 0916D20Q TUBE D8 1 3091603Q03-002
1010-001
Fig. A1-2
Fig. A1
GS-HS100