5OM-1285-008_w - 第104页
4-13 Tg1172-ID-MD 0603-005 B(M829WB---0002) 㔚Ḯㇱ 㔚Ḯㇱ

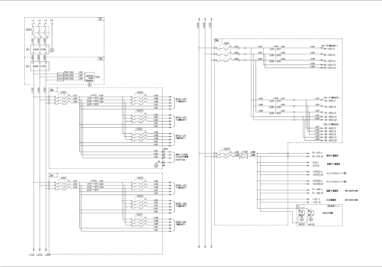
4-12
Tg1172-ID-MD
0603-005 A(M829WB---0001)
㔚Ḯㇱ
㔚Ḯㇱ

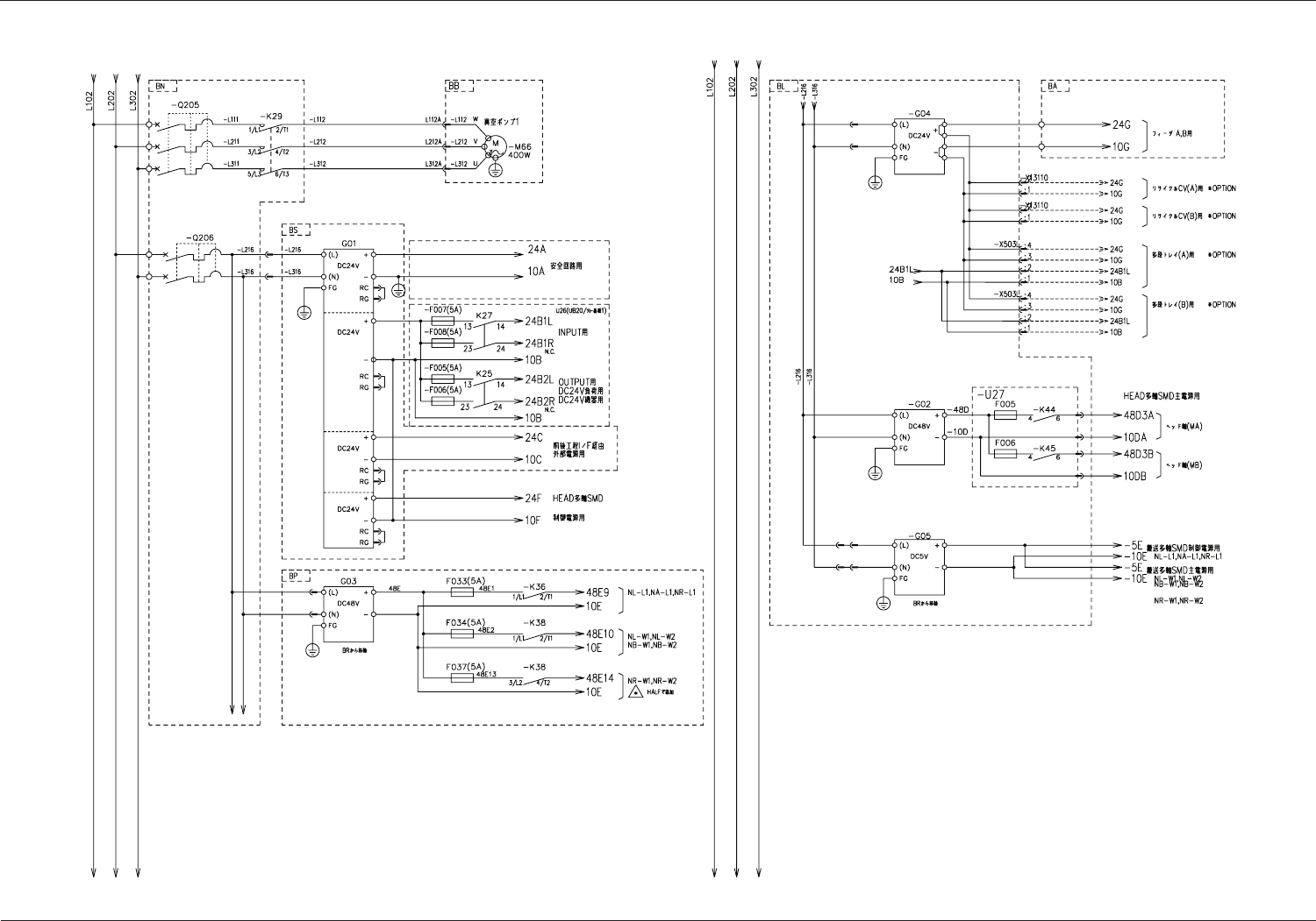
4-13
Tg1172-ID-MD
0603-005 B(M829WB---0002)
㔚Ḯㇱ
㔚Ḯㇱ

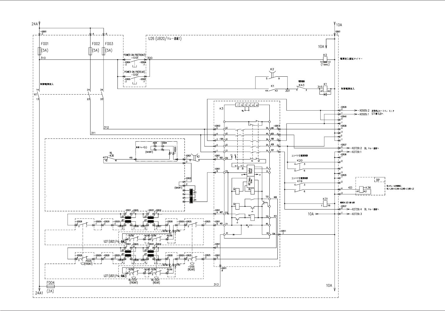
4-14
Tg1172-ID-MD
0603-005 A(M829WB--0003)
㔚Ḯㇱ ㅢ࿁〝
㔚Ḯㇱ ㅢ࿁〝