5OM-1285-008_w - 第106页
4-15 Tg1172-ID-MD 0603-005 -(M829WB---0004) 㔚Ḯㇱ ㅢ࿁〝 㔚Ḯㇱ ㅢ࿁〝

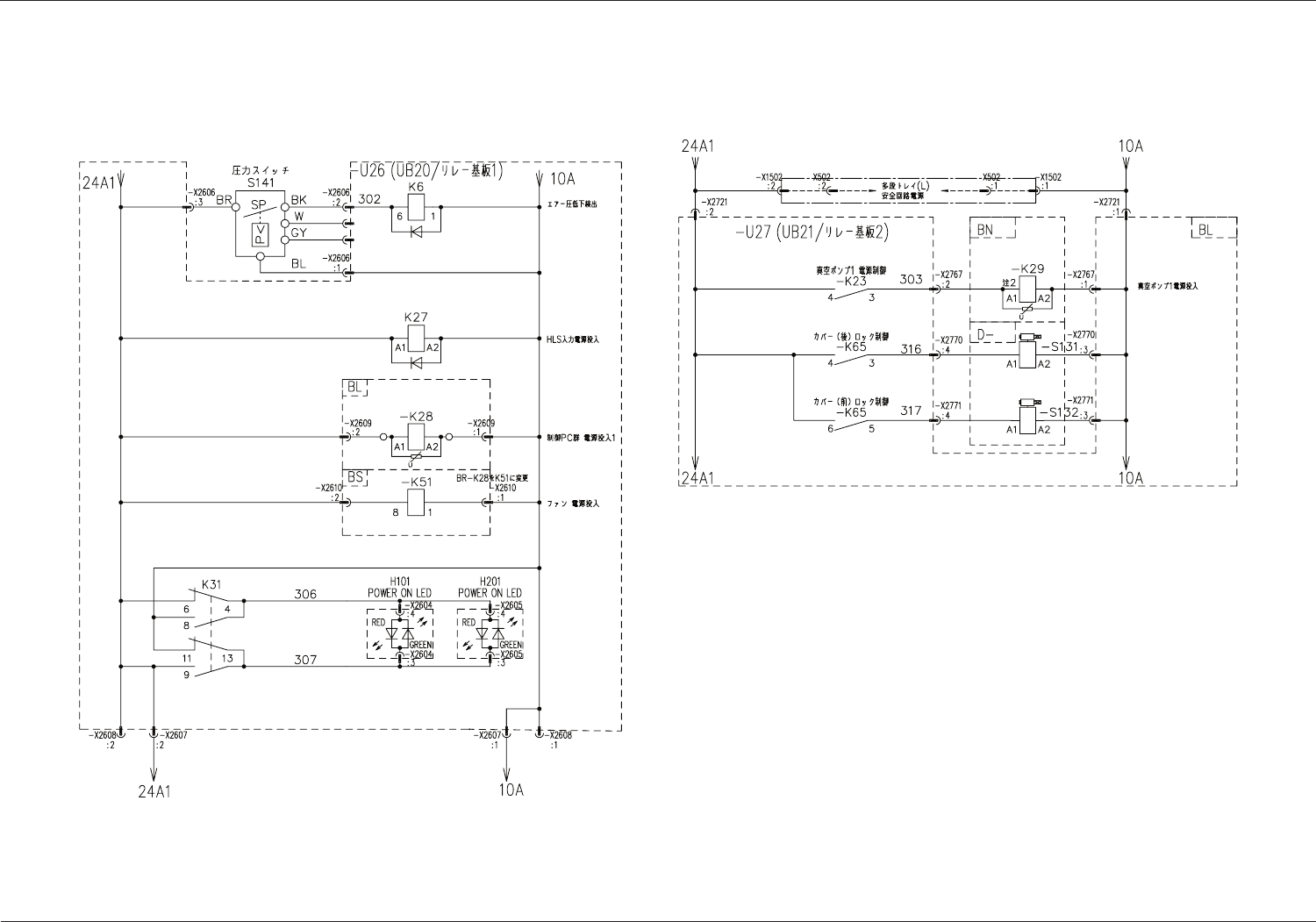
4-14
Tg1172-ID-MD
0603-005 A(M829WB--0003)
㔚Ḯㇱ ㅢ࿁〝
㔚Ḯㇱ ㅢ࿁〝

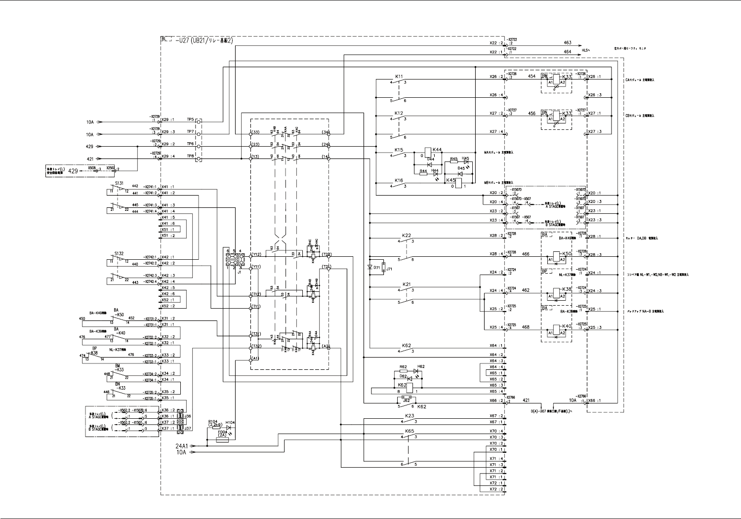
4-15
Tg1172-ID-MD
0603-005 -(M829WB---0004)
㔚Ḯㇱ ㅢ࿁〝
㔚Ḯㇱ ㅢ࿁〝

4-16
Tg1172-ID-MD
0603-005 -(M829WBL-0002)
㔚Ḯㇱ$. ࿁〝
㔚Ḯㇱ$. ࿁〝