5OM-1285-008_w - 第115页
4-24 Tg1172-ID-MD 0603-005 -(M829WC---0004) : ゲ$ࡕ࠲࿁〝࿑ : ゲ$ࡕ࠲࿁〝࿑

4-23
Tg1172-ID-MD
0603-005 -(M829WC---0003)
: ゲ#ࡕ࠲࿁〝࿑
: ゲ#ࡕ࠲࿁〝࿑

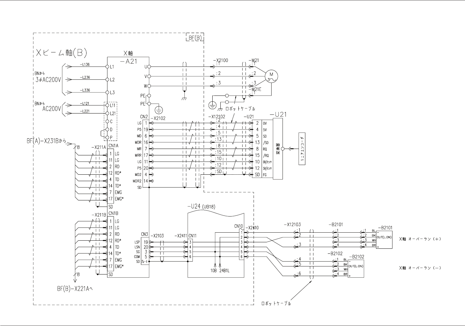
4-24
Tg1172-ID-MD
0603-005 -(M829WC---0004)
: ゲ$ࡕ࠲࿁〝࿑
: ゲ$ࡕ࠲࿁〝࿑

4-25
Tg1172-ID-MD
0603-005 -(M829WD---0001)
ᧄ಄ළࡈࠔࡦ࿁〝࿑
ᧄ಄ළࡈࠔࡦ࿁〝࿑