5OM-1285-008_w - 第117页
4-26 Tg1172-ID-MD 0603-005 B(M829WD---0002) 7$+ ࡏ࠼ ࠲ࡢἮ 7$+ ࡏ࠼ ࠲ࡢἮ

4-25
Tg1172-ID-MD
0603-005 -(M829WD---0001)
ᧄ಄ළࡈࠔࡦ࿁〝࿑
ᧄ಄ළࡈࠔࡦ࿁〝࿑

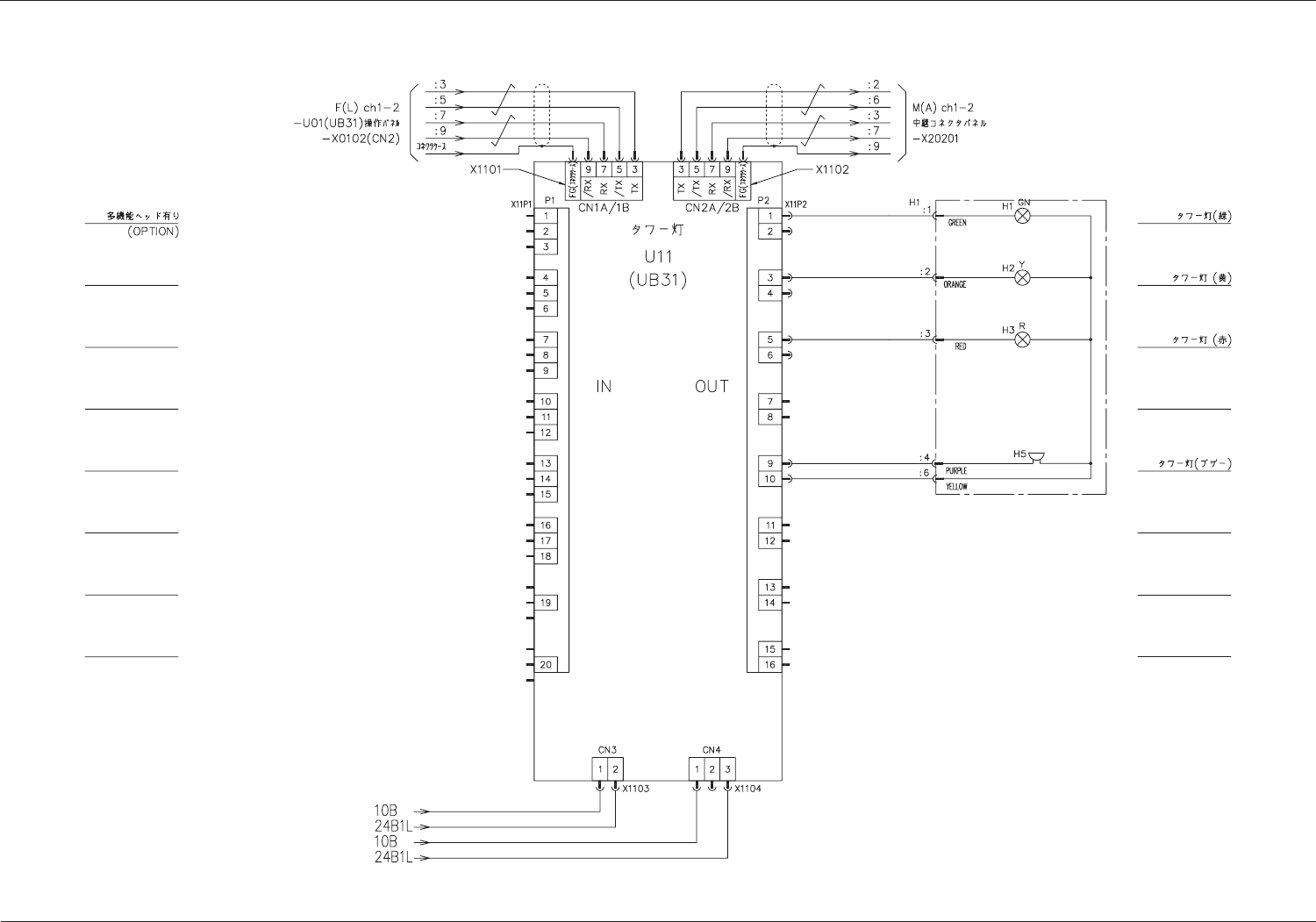
4-26
Tg1172-ID-MD
0603-005 B(M829WD---0002)
7$+ ࡏ࠼ ࠲ࡢἮ
7$+ ࡏ࠼ ࠲ࡢἮ

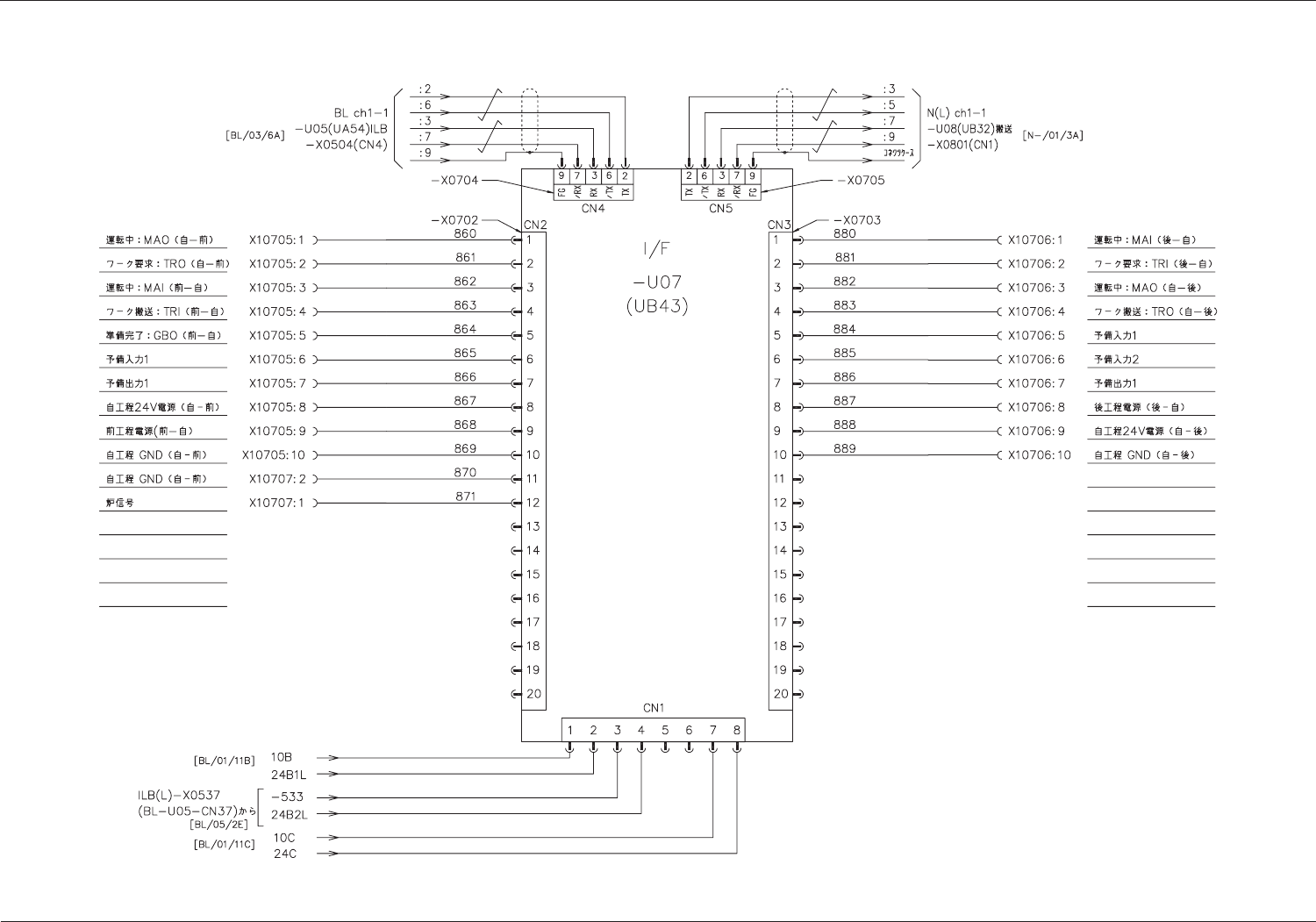
4-27
Tg1172-ID-MD
0603-005 B(M829WD--0003)
7$೨ᓟ +( ࡏ࠼.
7$೨ᓟ+( ࡏ࠼.