5OM-1285-008_w - 第120页
4-29 Tg1172-ID-MD 0603-005 -(M829WD---0012) ࠞ࠶࠲ # ࠞ࠶࠲ #

4-28
Tg1172-ID-MD
0603-005 B(M829WD---0011)
7$+1 ࡏ࠼ ⟎ #
7$+1 ࡏ࠼ ⟎ #

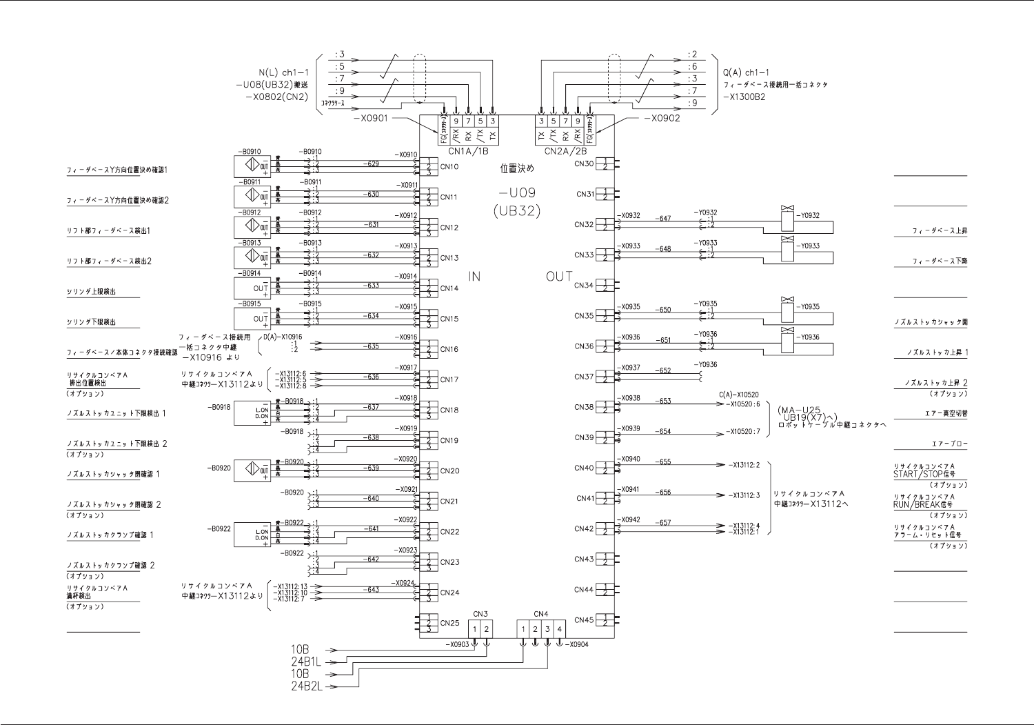
4-29
Tg1172-ID-MD
0603-005 -(M829WD---0012)
ࠞ࠶࠲ #
ࠞ࠶࠲ #

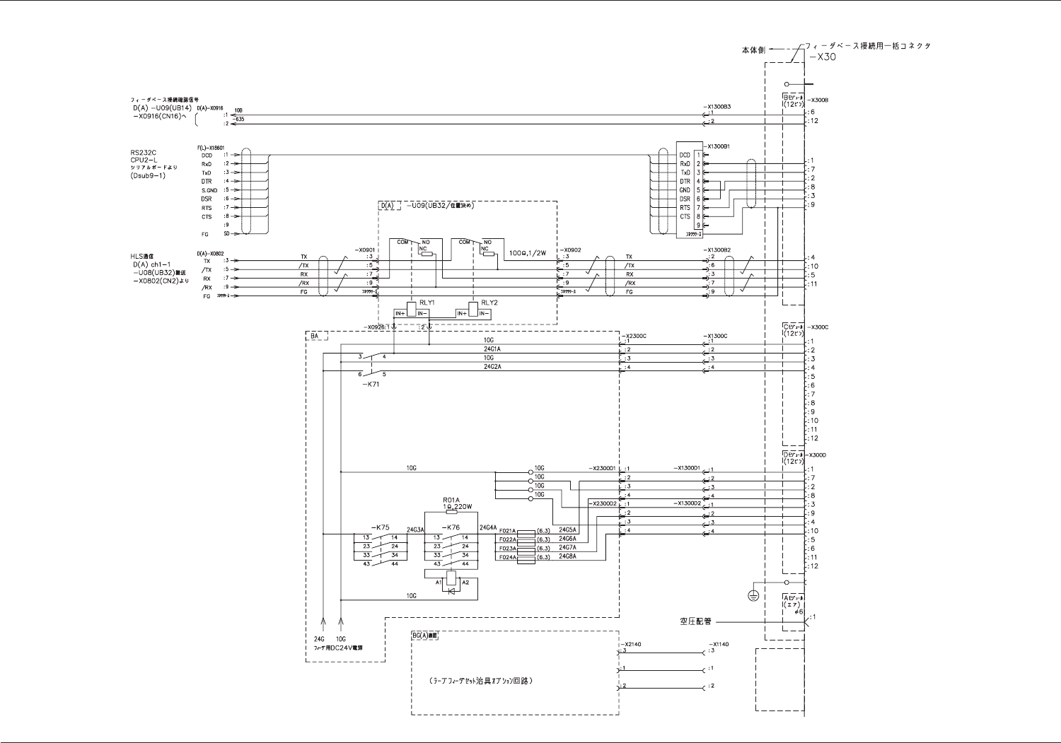
4-30
Tg1172-ID-MD
0603-005 B(M829WD---0013)
ࡈࠖ࠳ࡌࠬ #৻ࠦࡀࠢ࠲ធ⛯
ࡈࠖ࠳ࡌࠬ #৻ࠦࡀࠢ࠲ធ⛯