5OM-1285-008_w - 第124页
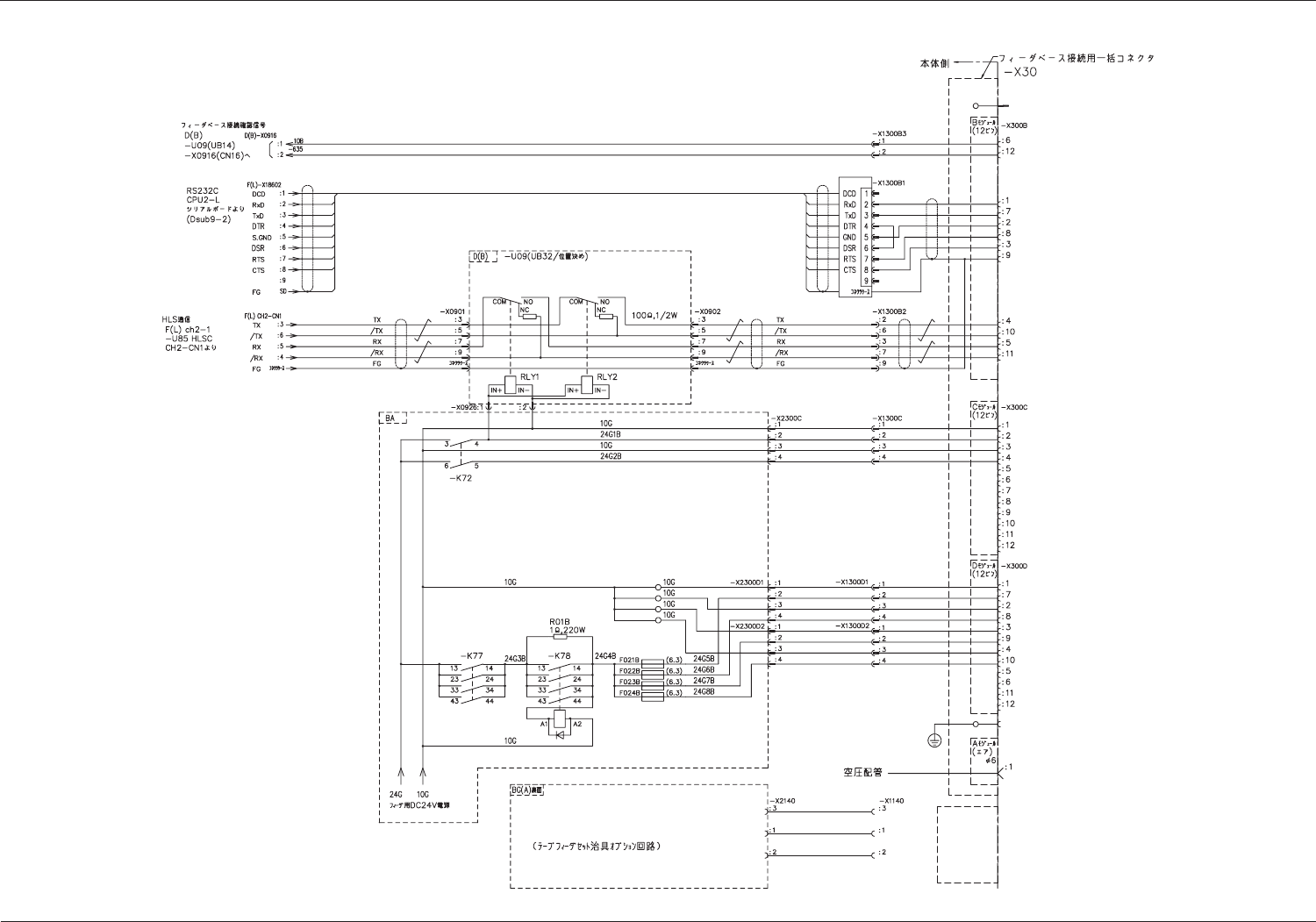
4-33 Tg1172-ID-MD 0603-005 B(M829WD---0023) ࡈࠖ࠳ࡌࠬ $৻ࠦࡀࠢ࠲ធ⛯ ࡈࠖ࠳ࡌࠬ $৻ࠦࡀࠢ࠲ធ⛯

4-32
Tg1172-ID-MD
0603-005 -(M829WD---0022)
ࠞ࠶࠲ $
ࠞ࠶࠲ $

4-33
Tg1172-ID-MD
0603-005 B(M829WD---0023)
ࡈࠖ࠳ࡌࠬ $৻ࠦࡀࠢ࠲ធ⛯
ࡈࠖ࠳ࡌࠬ $৻ࠦࡀࠢ࠲ធ⛯

4-34
Tg1172-ID-MD
0603-005 -(M829WF---0001)
%27 ࿁〝࿑
%27 ࿁〝࿑