5OM-1285-008_w - 第126页
4-35 Tg1172-ID-MD 0603-005 -(M829WF---0002) %27 ࿁〝࿑ %27 ࿁〝࿑

4-34
Tg1172-ID-MD
0603-005 -(M829WF---0001)
%27 ࿁〝࿑
%27 ࿁〝࿑

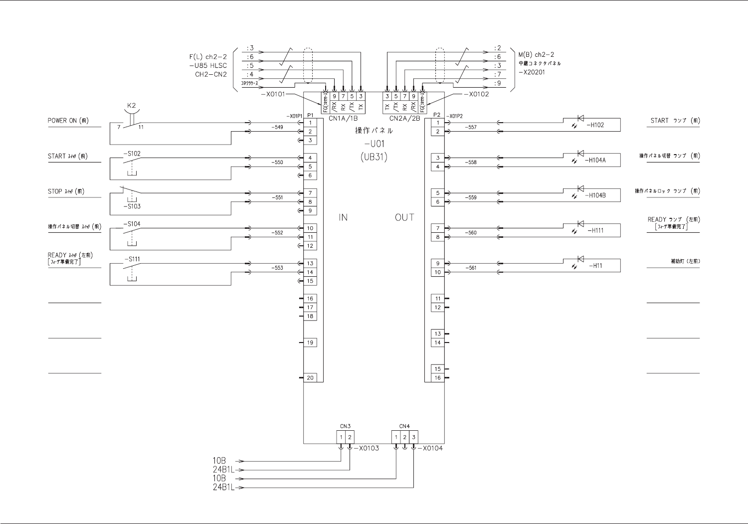
4-35
Tg1172-ID-MD
0603-005 -(M829WF---0002)
%27 ࿁〝࿑
%27 ࿁〝࿑

4-36
Tg1172-ID-MD
0603-005 A(M829WF---0003)
7$+1 ࡏ࠼ ᠲࡄࡀ࡞೨ .
7$+1 ࡏ࠼ ᠲࡄࡀ࡞೨ .