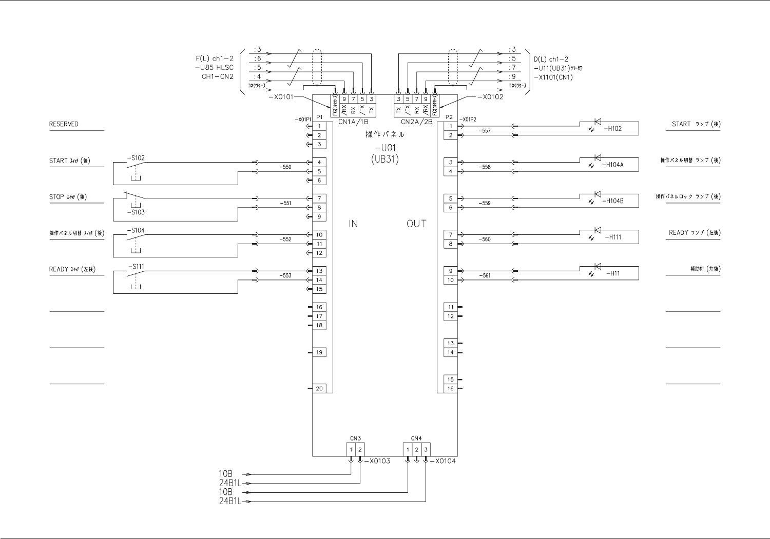
5OM-1285-008_w - 第129页
4-38 Tg1172-ID-MD 0603-005 -(M829WF---001 1) %27. %27.

4-37
Tg1172-ID-MD
0603-005 A(M829WF---0004)
7$+1 ࡏ࠼ ᠲࡄࡀ࡞ᓟ .
7$+1 ࡏ࠼ ᠲࡄࡀ࡞ᓟ .

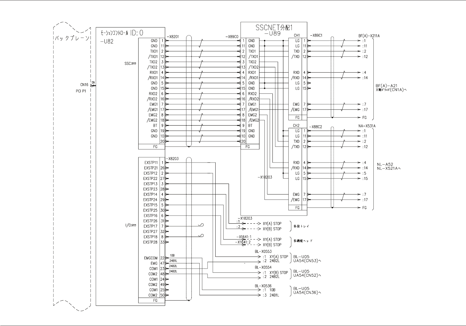
4-38
Tg1172-ID-MD
0603-005 -(M829WF---0011)
%27.
%27.

4-39
Tg1172-ID-MD
0603-005 A(M829WF---0012)
%27.
%27.