5OM-1285-008_w - 第136页
4-45 Tg1172-ID-MD 0603-005 A(M829WM---0012) ࠗࡦࡦࠨ࿁〝࿑# ࠗࡦࡦࠨ࿁〝࿑#

4-44
Tg1172-ID-MD
0603-005 -(M829WM---0011)
ࡋ࠶࠼ࡕ࠲࿁〝࿑#
ࡋ࠶࠼ࡕ࠲࿁〝࿑#

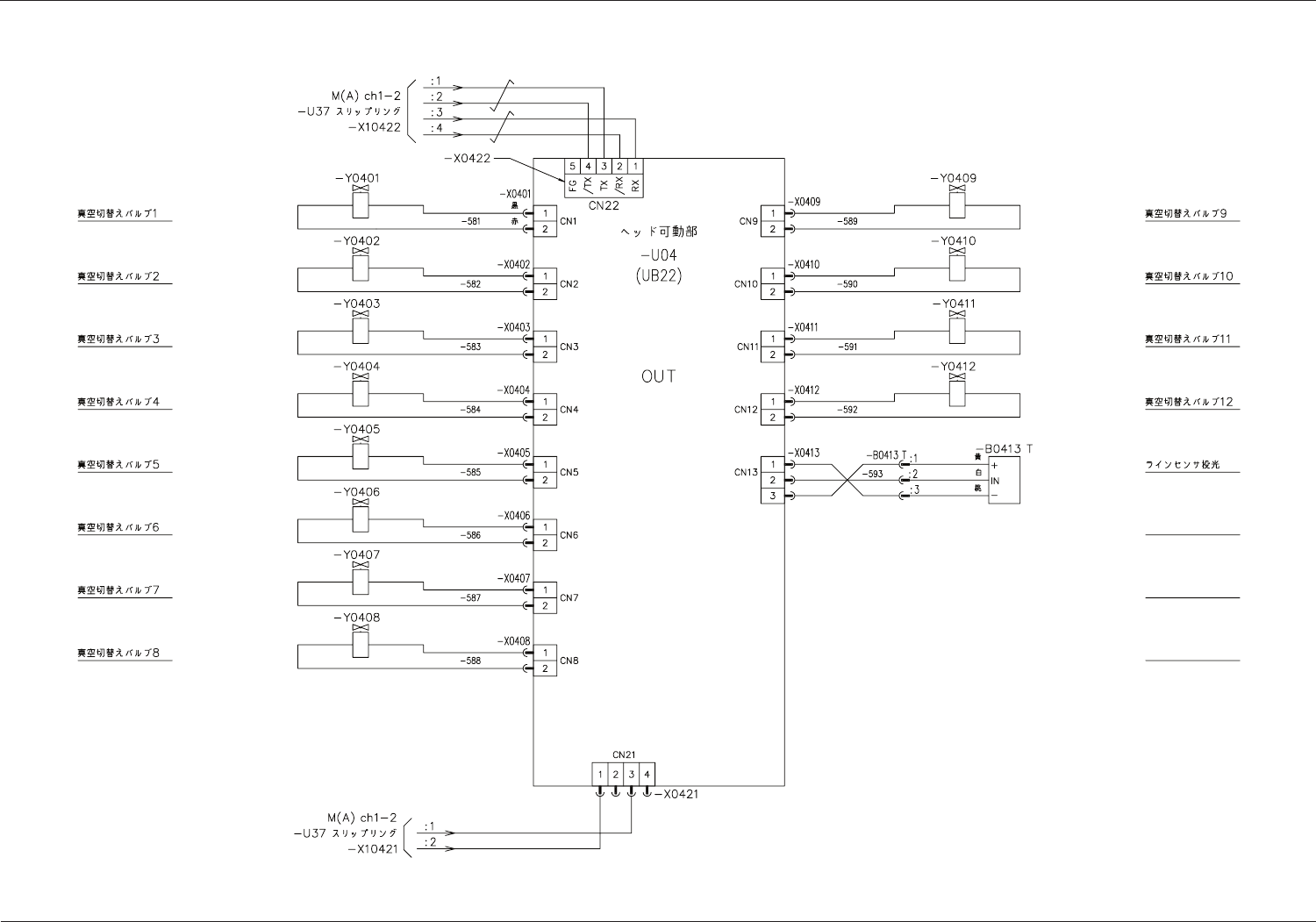
4-45
Tg1172-ID-MD
0603-005 A(M829WM---0012)
ࠗࡦࡦࠨ࿁〝࿑#
ࠗࡦࡦࠨ࿁〝࿑#

4-46
Tg1172-ID-MD
0603-005 -(M829WM---0013)
7$+1 ࡏ࠼ ࡋ࠶࠼นേㇱ #
7$+1 ࡏ࠼ ࡋ࠶࠼นേㇱ #