5OM-1285-008_w - 第144页
4-53 Tg1172-ID-MD 0603-005 A(M829WN---0004) ࠦࡦࡌࠕࡕ࠲࿁〝࿑ ࠦࡦࡌࠕࡕ࠲࿁〝࿑

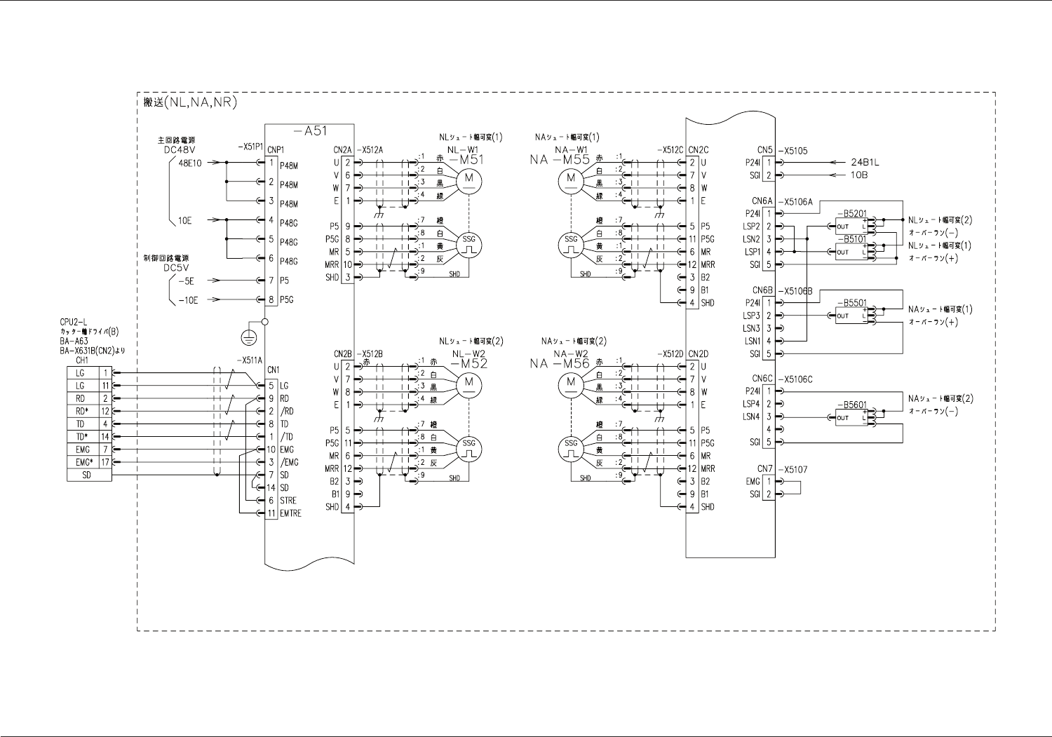
4-52
Tg1172-ID-MD
0603-005 A(M829WN---0003)
ࠦࡦࡌࠕࡕ࠲࿁〝࿑
ࠦࡦࡌࠕࡕ࠲࿁〝࿑

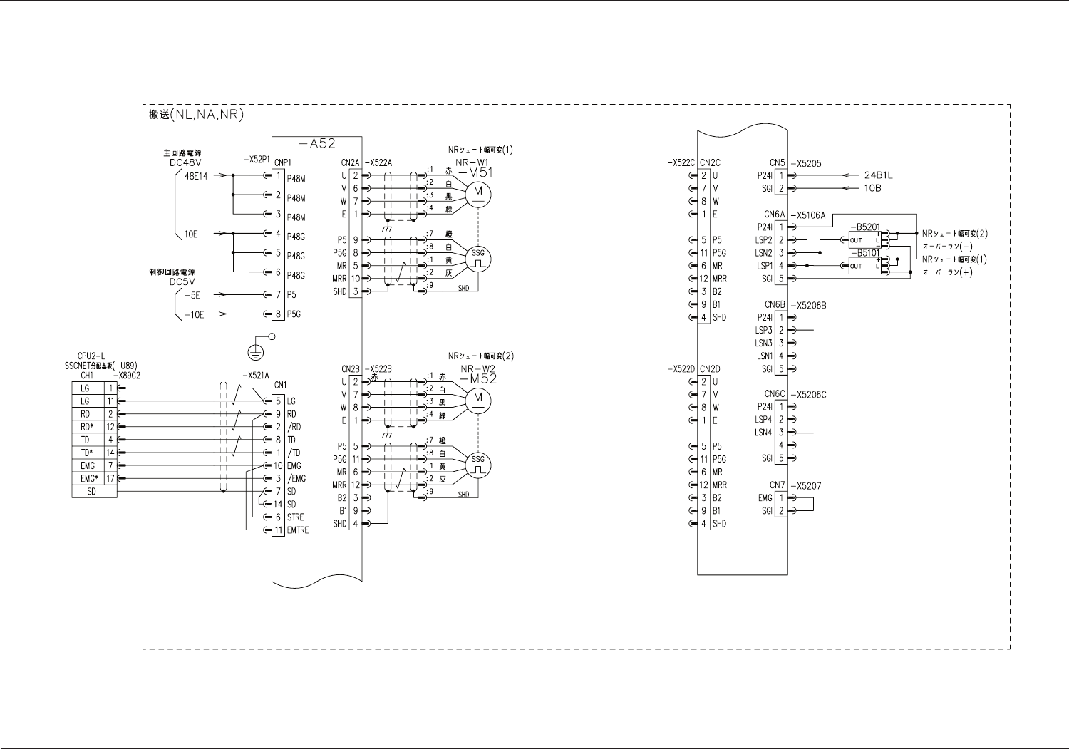
4-53
Tg1172-ID-MD
0603-005 A(M829WN---0004)
ࠦࡦࡌࠕࡕ࠲࿁〝࿑
ࠦࡦࡌࠕࡕ࠲࿁〝࿑

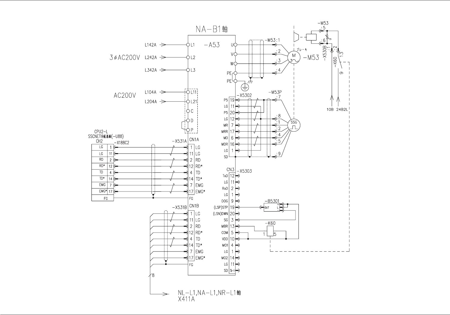
4-54
Tg1172-ID-MD
0603-005 -(M829WN---0005)
ࠦࡦࡌࠕࡕ࠲࿁〝࿑
ࠦࡦࡌࠕࡕ࠲࿁〝࿑