5OM-1285-008_w - 第147页
4-56 Tg1172-ID-MD 0603-005 A(M829WQ---0012) 7$+1 ࡏ࠼ࡈࠖ࠳ࡌࠬ # 7$+1 ࡏ࠼ࡈࠖ࠳ࡌࠬ #

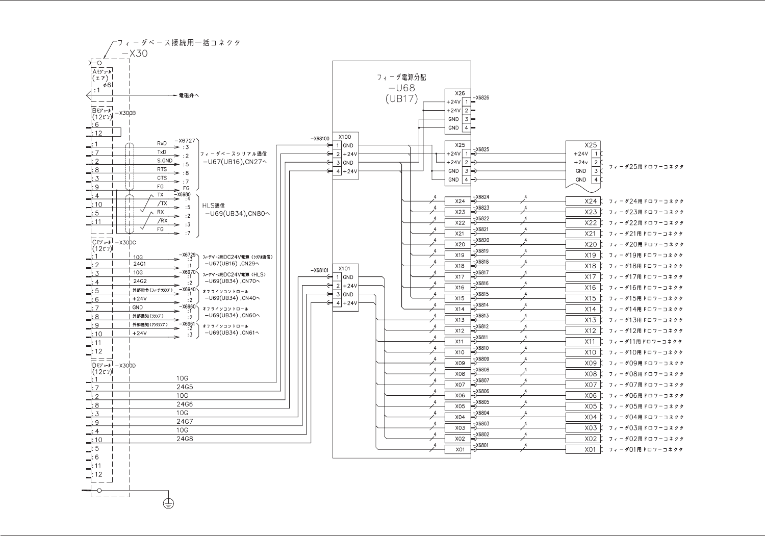
4-55
Tg1172-ID-MD
0603-005 B(M829WQ---0011)
7$㔚Ḯಽ㈩ࡏ࠼ ࡈࠖ࠳ࡌࠬ #
7$㔚Ḯಽ㈩ࡏ࠼ ࡈࠖ࠳ࡌࠬ #

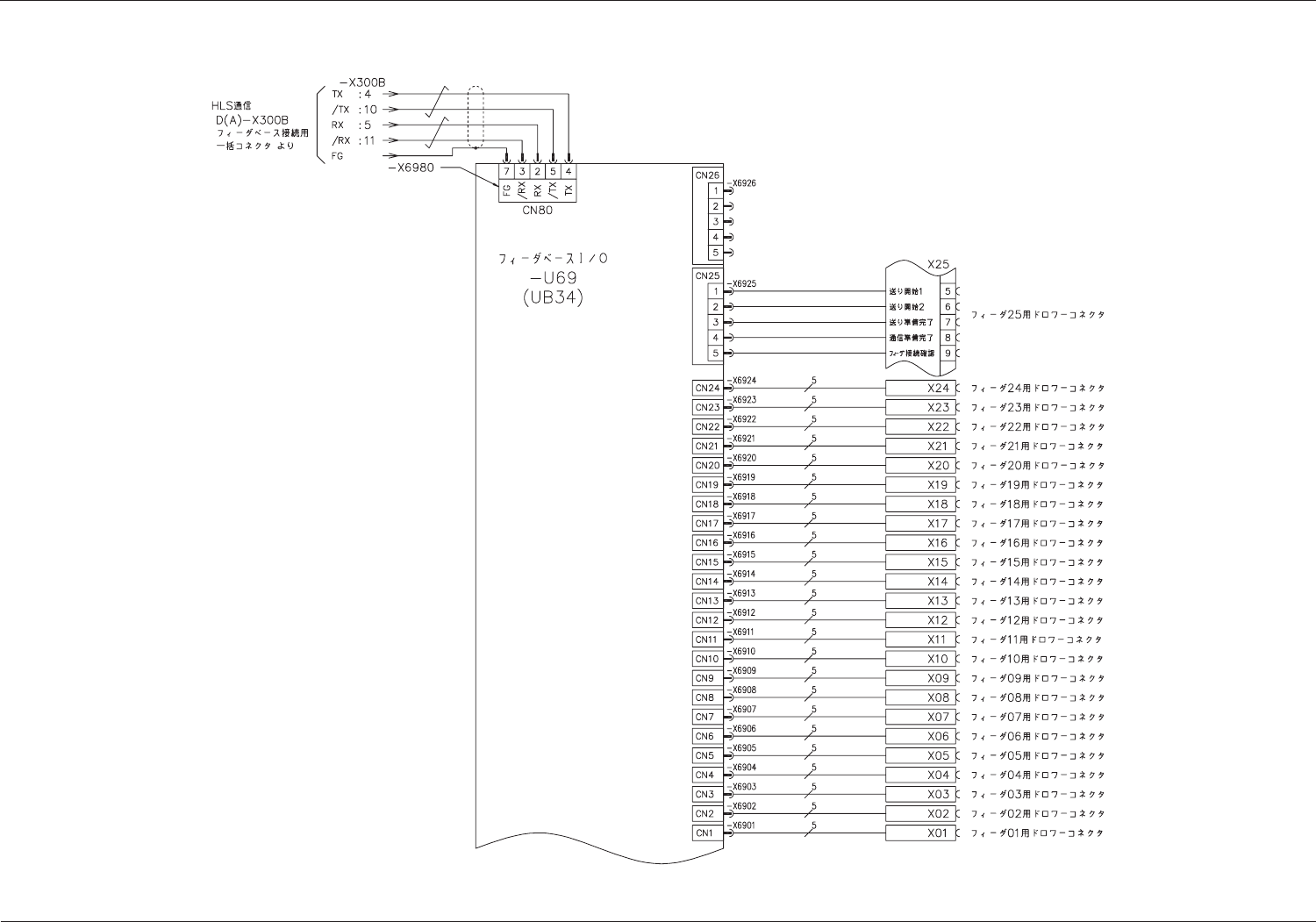
4-56
Tg1172-ID-MD
0603-005 A(M829WQ---0012)
7$+1 ࡏ࠼ࡈࠖ࠳ࡌࠬ #
7$+1 ࡏ࠼ࡈࠖ࠳ࡌࠬ #

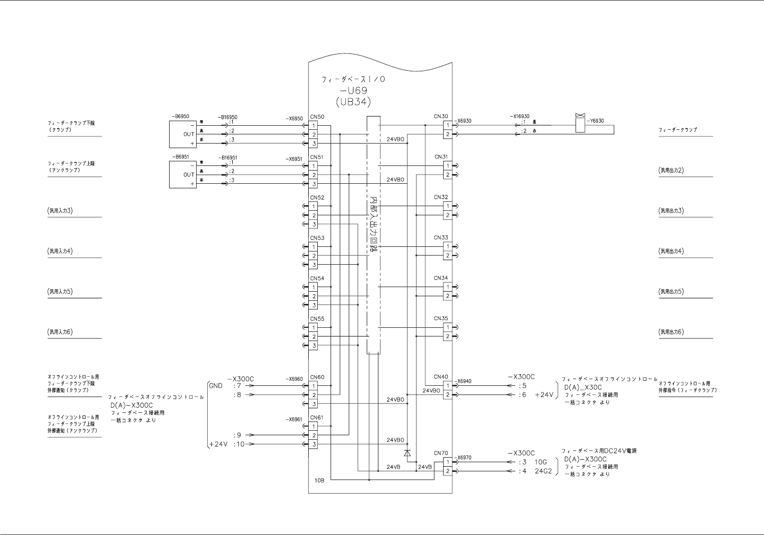
4-57
Tg1172-ID-MD
0603-005 A(M829WQ---0013)
7$+1 ࡏ࠼ࡈࠖ࠳ࡌࠬ #
7$+1 ࡏ࠼ࡈࠖ࠳ࡌࠬ #