5OM-1285-008_w - 第150页
4-59 Tg1172-ID-MD 0603-005 B(M829WQ---0021) 7$㔚Ḯಽ㈩ࡏ࠼ ࡈࠖ࠳ࡌࠬ $ 7$㔚Ḯಽ㈩ࡏ࠼ ࡈࠖ࠳ࡌࠬ $

4-58
Tg1172-ID-MD
0603-005 -(M829WQ---0014)
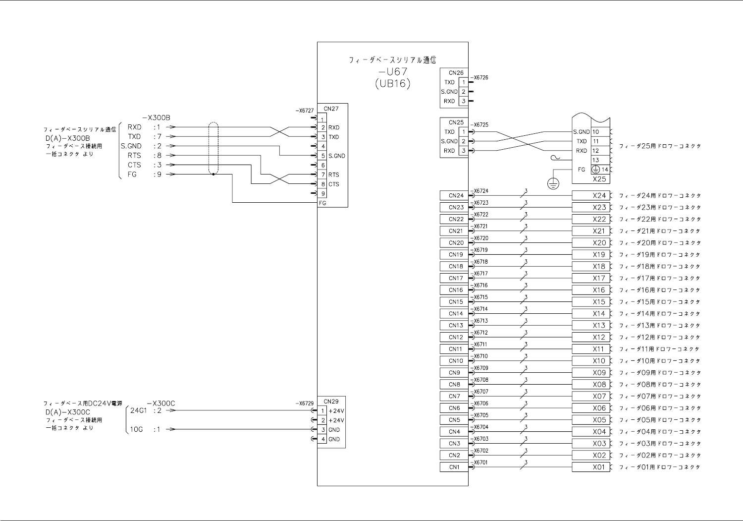
7$ࠪࠕ࡞ㅢା ࡈࠖ࠳ࡌࠬ #
7$ࠪࠕ࡞ㅢା ࡈࠖ࠳ࡌࠬ #

4-59
Tg1172-ID-MD
0603-005 B(M829WQ---0021)
7$㔚Ḯಽ㈩ࡏ࠼ ࡈࠖ࠳ࡌࠬ $
7$㔚Ḯಽ㈩ࡏ࠼ ࡈࠖ࠳ࡌࠬ $

4-60
Tg1172-ID-MD
0603-005 A(M829WQ---0022)
7$+1 ࡏ࠼ࡈࠖ࠳ࡌࠬ $
7$+1 ࡏ࠼ࡈࠖ࠳ࡌࠬ $