5OM-1285-008_w - 第57页
Tg1172-ID-MD 1-2 0603-005

Tg1172-ID-MD
1-1
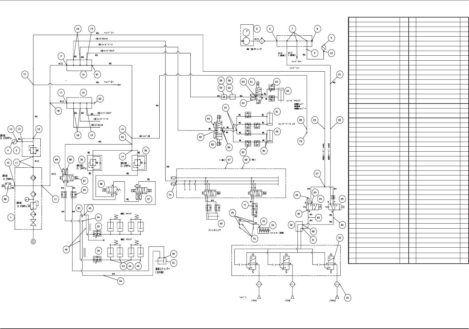
ࠛࠕ㈩▤࿑
ࠛࠕ㈩▤࿑
0604-006A(M829XA---0001)
0Q ฬ⒓ ᢙ 0Q ฬ⒓ ᢙ
ࠦࡦࡆࡀ࡚ࠪࡦ࡙࠾࠶࠻
ࠪࡦ࠳
⌀ⓨࡐࡦࡊ ࠪࡦ࠳
ࠡࡘ࠲ ࠬࡇ࠼ࠦࡦ࠻ࡠ
ജࠥࠫ ࠨࠗࡦࠨ
⌀ⓨࠥࠫ ࡙࠾ࡃࠨ࡞ࠛ࡞ࡏ
ࡉ࠶ࠪࡘ ࡙࠾ࡃࠨ࡞ࠛ࡞ࡏ
࡙࠾ࡃࠨ࡞ࠢࠗ࠶ࠢ ࠴࠭
ࡊࠣ ࡕࠫࡘ࡙࠾࠶࠻
ࠫࡘࠨ ࠛࠕࠦࡦ࠲ࠢ࠻ࡇࡦ
ࡂࡈ࡙࠾ࠝࡦ ࠛࠕࠦࡦ࠲ࠢ࠻ࡇࡦ
ࠛ࡞ࡏ࡙࠾ࠝࡦ ࠰ࡁࠗ࠼ࡃ࡞ࡉ
ࠛ࡞ࡏ࡙࠾ࠝࡦ ࠪࡦ࠳
ࡂࡈ࡙࠾ࠝࡦ ࠬࡇ࠼ࠦࡦ࠻ࡠ
࡙࠾ࠝࡦࡢࠗ ࠨࠗࡦࠨ
ࠛ࡞ࡏ࡙࠾ࠝࡦ
ࡑ࠾ࡎ࡞࠼
ࠬ࠻࠻ࠛ࡞ࡏ
࠰ࡁࠗ࠼ࡃ࡞ࡉ࡙࠾࠶࠻
ࠬ࠻࠻ࠛ࡞ࡏ
࠰ࡁࠗ࠼ࡃ࡞ࡉ࡙࠾࠶࠻
ࠫࡘࠨࠛ࡞ࡏ ࠪࡦ࠳࡙࠾࠶࠻
ࡊࠣ ࠪࡦ࠳
⇣ᓘ࡙࠾ࠝࡦ ࠬࡇ࠼ࠦࡦ࠻ࡠ
㓒ო↪࡙࠾ࠝࡦ ࡃࡉࠛ࡞ࡏ
㓒ო↪࡙࠾ࠝࡦ
࠰ࡁࠗ࠼ࡃ࡞ࡉ ࡂࡈ࡙࠾ࠝࡦ
࠰ࡁࠗ࠼ࡃ࡞ࡉ ࡙࠾ࠝࡦࡢࠗ
ࠨࠗࡦࠨ ࡊࠣ
⇣ᓘ࡙࠾ࠝࡦࡢࠗ ࠴࠭
࠴࠭
ࠛ࡞ࡏ࡙࠾ࠝࡦ ࡊࠣ
ࡂࡈ࡙࠾ࠝࡦ
ࡂࡈ࡙࠾ࠝࡦ ࠫࡘࠨࠛ࡞ࡏ
ࡠ࠲࡚ࠫࠗࡦ࠻ ࡂࡈ࡙࠾ࠝࡦ
࠰ࡁࠗ࠼ࡃ࡞ࡉ ࠛ࡞ࡏ
ࡈࠖ࡞࠲ ࠛ࡞ࡏ
࡙࠾ࠝࡦࠬ࠻࠻
ജ࡙ࠥࠫ࠾࠶࠻ ജࠬࠗ࠶࠴
࠰ࡁࠗ࠼ࡃ࡞ࡉ࡙࠾࠶࠻
࠰ࡁࠗ࠼ࡃ࡞ࡉ
࠰ࡁࠗ࠼ࡃ࡞ࡉ࡙࠾࠶࠻
ⷺⓣઃࡂࡈ࡙࠾ࠝࡦ
ࠬࡇ࠼ࠦࡦ࠻ࡠ ࠨࠗࡦࠨ
⇣ᓘ࠳ࡉ࡞࡙࠾ࠝࡦࡢࠗ ࠬࡇ࠼ࠦࡦ࠻ࡠ
ࠪࡦ࠳
ࡃࡉࠛ࡞ࡏ
࡙࠾ࡃࠨ࡞࠴ ࡙࠾ࠝࡦࡢࠗ
ࡃࡉ⛮ᚻ ࡂࡈ࡙࠾ࠝࡦ
ࡃࡉࠛ࡞ࡏ ࡊࠣ
ࡈ࠶࠻࠴ࡘࡉ
࠰ࡁࠗ࠼ࡃ࡞ࡉ

Tg1172-ID-MD
1-2
0603-005

2 章
センサおよび負荷配置図
この章では、各部のセンサおよび負荷配置図を記載してい
ます。高度な内容を含みますので、参照する場合は、十分
ご注意ください。
2 章 センサおよび負荷配置図
0603-005 2-A
Tg1172-ID-MD