N7202A057B - 第286页
14- F 軽量8ノズルヘッド Light W eight 8 Nozzle Head パーツレイアウト Kit No. キット 品番 Kit Name キット名称 N610166370AA セクションNo. PARTS LAYOUT Section No. - - O59 ( KN610166370AA-07-6 )

Ref
No.
Remarks R
1
Q'ty
14-E
軽量8ノズルヘッド
Light Weight 8 Nozzle Head
イラスト
No.
Part No.
品 名品 番 数量
R
2
パーツリスト
Kit No.
キット品番
Kit Name
キット名称
N610166370AA
Part Name
備 考
セクションNo.
PARTS LIST
Section No.
R
3
HANDLE
2
1 N210193601AB
POST
2
2 N210193570AA
POST
6
3 N210118731AA
BRACKET
1
4 MTPB000017AC
BRACKET
1
5 MTPB000022AB
COVER
1
6 MTPB000021AC
COVER
1
7 N210193603AD
BRACKET
1
8 N210200988AC
BRACKET
1
9 MTPB002446AA
BRACKET
1
10 MTPB002447AA
BRACKET
1
11 MTPB002448AA
BRACKET
1
12 MTPB002449AA
BOLT
2
13 N510018811AA
Hexagon socket head cap screw M3X18-10.9 A2J (Trivalent)
SCREW
2
14 N510018675AA
Cross recessed Pan head machine screw with SW & SPW M3X6-4.8 A2J
SCREW
18
15 N510045431AA
Cross recessed pan head machine screw with RPW M3X5-4.8 A2S
NUT
6
16 N510017852AA
Hexagon nut Type-3 Best class M3-6H-4T A2J (Trivalent)
FAN
1
17 N510044728AA 109P0424H738
O58
--
( KN610166370AA-07-5 )

14-F
軽量8ノズルヘッド
Light Weight 8 Nozzle Head
パーツレイアウト
Kit No.
キット品番
Kit Name
キット名称
N610166370AA
セクションNo.
PARTS LAYOUT
Section No.
--
O59
( KN610166370AA-07-6 )

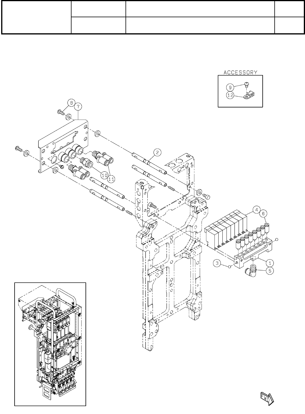
Ref
No.
Remarks R
1
Q'ty
14-F
軽量8ノズルヘッド
Light Weight 8 Nozzle Head
イラスト
No.
Part No.
品 名品 番 数量
R
2
パーツリスト
Kit No.
キット品番
Kit Name
キット名称
N610166370AA
Part Name
備 考
セクションNo.
PARTS LIST
Section No.
R
3
MANIFOLD
1
1 MTPA000059AA
POST
4
2 N210193583AA
STEEL-BALL
2
3 KXF081WAA00 4.5mm
VALVE
8
4 N510057620AA VQ111U-5MO-X480
JOINT
1
5 N510066794AA KQ2L06-01NS
JOINT
8
6 N510066825AA KQ2S04-M5N
COUPLER
1
7 N510068214AA MA-MS10PF-3LFT(CS38669-0)
BOLT
6
8 N510002011AA SRBS-M4X10
BOLT
19
9 N510017534AA
SSS 003 Hexagon socket button head screw M4X6-10.9 A2J (Trivalent)
JOINT
1
10 N510067913AA FR6-01M
JOINT
2
11 N510067530AA KQ2U06-01AS
CLIP
21
12 KXF0BLPAA00 TA1S8-M
O60
--
( KN610166370AA-07-6 )