三星贴片机IC Tray柜STF100N电路图手册_A8459.pdf - 第16页

在线预览 三星贴片机IC Tray柜STF100N电路图手册_A8459.pdf PDF 文档。

100%1 / 23
Information on A/S Tool & Materials
11-55
No. Part No Part Name Model ea Price Picture
37 J66011008A Ball Bearing 698ZZ-STF100N 698ZZ(R-1980) 4
38 J66011001A Ball Bearing 6000ZZ-STF100N 6000ZZ 5
39 J66011010A Ball Bearing 685ZZ-STF100N 685ZZ 2
40 J66121003A Coupling-STF100N Coupling SDWB31C-10*12KEY 1
41 J61071001A Hook Arm Spring-STF100N Hook Arm Spring STF-20-500-132A 2
42 J61071003A Solenoid Spring-STF100N Solenoid Spring STF-20-500-131A 4
43 J66021003A Timing Belt-STF100N Timing Belt 2100-3GT-11 1
44 J65041001A Cableveyor-STF100N Cableveyor HSP0130-1BN-37R-1000L 1
Technical Drawing
12-1
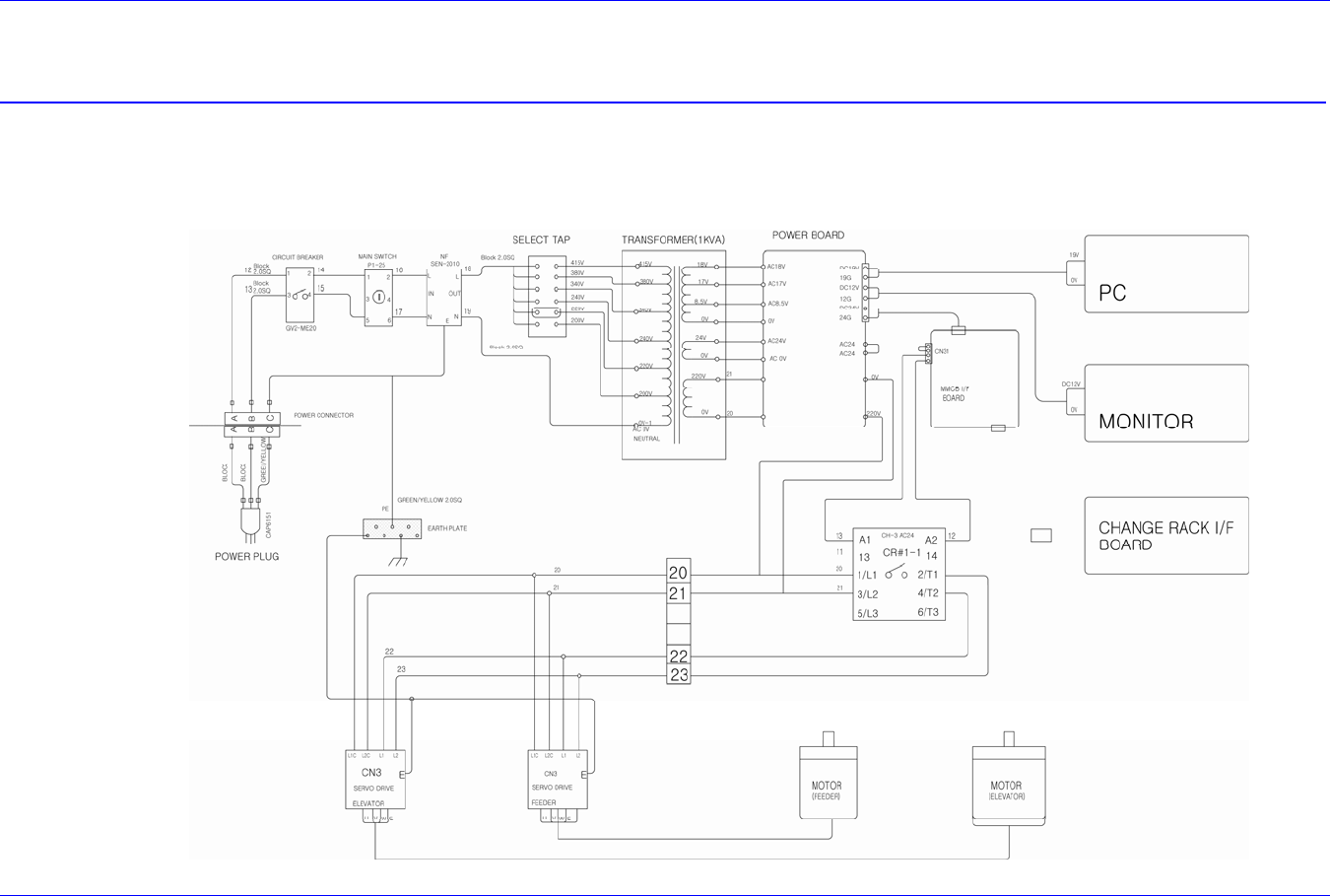
Chapter 12. Technical Drawing
12.1. Electric Circuit
12.1.1. Electric Circuit Diagram