三星贴片机IC Tray柜STF100N电路图手册_A8459.pdf - 第22页

High Speed Multi T ray Feeder STF-100N User ’ s Guide 12-6 12.1.6. Change Rack IF Board Pin Assign

100%1 / 23
Technical Drawing
12-5
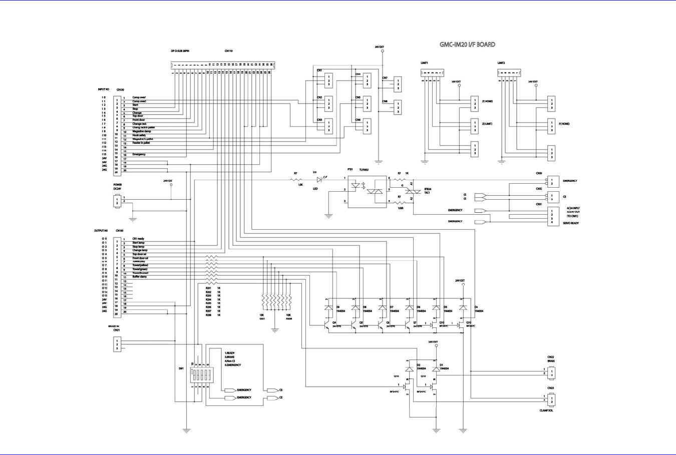
12.1.5. GMC-IM20 IF Board Electric Circuit
High Speed Multi Tray Feeder STF-100N Users Guide
12-6
12.1.6. Change Rack IF Board Pin Assign
Technical Drawing
12-7
12.1.7. Change Rack IF Board Electric Circuit