00194931-20 Anleitung CAN Test Box-Error Frame Diagnoseeinheit_de - 第71页
1 - 71 Ausgabe 1 0/2018 Siplace CAN Bus 71 Abb. 4.9 - 2 CAN Bus Struktur X2 Wirkschaltplan 00194418-02 (1MBit) Di 9 Vision-Steuerung 00363 961 (qd) CAN Hauptverteiler 0301 0004 (qa) X2qd X2qd CAN X2qf Einzug 2 Einzug 1 X…

1 - 70
SIPLACE CAN Bus Ausgabe 10/2018
70
4.9.1 CAN Bus Siplace X2 (Variante 2)
Bei X2 Maschinen, wurde die Variante 1 nicht geliefert.
Die Beleuchtungsteuerung (Vision control unit) wird nur bei IC/FC Kameras bis Version 03 ver-
wendet. Bei IC/FC Kameras Version ab 04 ist die Beleuchtungssteuerung in der Kamera integriert
und hat dann einen eigenen CAN Bus Anschluß.
ACHTUNG:
Wird eine ältere stationäre Kamera bis Version 03 gegen eine stationäre Kamera Version 04 er-
setzt, kann diese bei entsprechender Einstellung der DIP-Schalter auch mit der Vision Control unit
in den Sektoren arbeiten. Der CAN Bus Anschluß an der stat. Kamera Version 04 darf dann nicht
benutzt werden.
Abb. 4.9 - 1 CAN Bus Struktur X2 nach Wirkschaltplan 00194418-02
SMP BUS
Computer Unit
C
O
M
U
n
i
t
1
6
8
CAN Bus cable
PA1
X6pn
Trailing Interface
Gantry 1
Transport
Control unit
COT 1
Tape cutter
(optional stat.
Camera vers.04)
CAN I/O
SUB Modul
Sector 4
Vision Control unit
only for stat.
Cameras up to
Vers.03
COT 4 / MTC2
Tape cutter
SUB Distributor Sector 4
Terminator
120 Ohm
Head board(C500)
Gantry 1
Terminator
(120 OHM)
CAN Bus cable
PA 2
X7pn
Main Distributor Sector 2
COT 3
Tape cutter
(optional stat.
Camera vers.04)
Axis unit
PA 2
(only Axes for PA2)
CAN I/O
Main Modul
Sector 2
COT 2 / MTC2
Tape cutter
Trailing Interface
Gantry 3
Terminator
120 Ohm
Head board(C500)
Gantry 3
Terminator
(120 OHM)
Axis unit
PA 2
(only Axes for PA1)
MC
Vision Control unit
only for stat.
Cameras up to
Vers.03

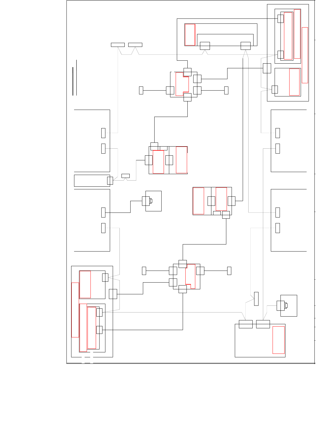
1 - 71
Ausgabe 10/2018 Siplace CAN Bus
71
Abb. 4.9 - 2 CAN Bus Struktur X2 Wirkschaltplan 00194418-02 (1MBit)
Di 9
Vision-Steuerung
00363 961 (qd)
CAN
Hauptverteiler 0301 0004 (qa)
X2qd
X2qd
CAN
X2qf
Einzug 2 Einzug 1
X125X126
CAN-InCAN-Out
X115X116
CAN-InCAN-Out
CAN
LP-Steuerung
X22ao
X22ao
CAN I/O-Modul 00355 051 (qb)
Bu
StBuSt
Bu
Bu
0301 0050
0301 0051
X2rd
X145
CAN-In
Bu
Bu
Achseinschub 1/3
0301 6110
X30_2sq
CAN
Einzug 3
X136
CAN-Out
St
X2rd
CAN
CAN
Unterverteiler 0301 0005 (ra)
Vision-Steuerung
00363 961 (rd)
Einzug 4
0301 0054
Computereinschub
X135
CAN-In
Bu
Bu
X68
Umgebungsdrucksensor
Pneumatikeinheit
Bestückbereich 2
Bestückbereich 1
CAN-Bus Aderbelegung
AderNr. Belegung Sub-D- PIN
1
2
3
4
5
6
7
8
9
CAN
X30_2sq
X30_1sq
Bu
X30_1sq
Bu
X30_2tq
Bu
X30_1tq
X146
CAN-Out
St
Interface 1-Wire CAT5
0304 1578 (qf)
X2qf
X2rf
CAN I/O-Modul 00355 051 (rb)
Bu
0304 1578
Interface 1-Wire CAT5 (rf)
X2rf
BuX30_1sq
120 Ohm
Abschlusswiderstand
0302 7646
X1
Bu
X40da
St
0301 0052
0301 6643
X7pn X6pn
X7pn
Bu
CAN-Karte
X6pn
CAN-BUS 1CAN-BUS 2
Bu
0301 0059
X6qf
X6qf
0304 1626
Patchkabel 3m
X5rk
X5rk
Verteiler
0304 0219
0304 1626
Patchkabel 3m
X6rf
X6rf
0301 0053
X2rk
X1fq
X4rk
X1kq
X2rk
zum 1-Wire-Hub CAT5
zum 1-Wire-Hub CAT5
0304 1627
Patchkabel 3m
0304 1628
Patchkabel 3m
X15qa
X15qa
X15ra
X15ra
X1rk
X1rk
0300 9839
X3rk
X3rk
X4rk
Verteiler
0304 0219 (qk)
X5qk
X5qk
X3qk
X3qk
X1hq
X4qk
X2qk
X2qk
zum 1-Wire-Hub CAT5
X1gq
X4qk
zum 1-Wire-Hub CAT5
0304 1627
Patchkabel 3m
0304 1628
Patchkabel 3m
X1qk
X1qk
0300 9826
D
GND
CAN_INT
PowerFail
frei
RESET
"1-Wire"
CAN_H
CAN_L
GND
3
9
5
8
4
2
7
6
1
1-Wire CAT5
1-Wire CAT5
(rk)
Schalterpos.: oben
0304 2214 (he)
1-Wire CAT5 Portal
CAN In
Abschlusswiderstand
Schlepp Interface
Patchkabel 3m
0304 1629
X1he
X1he
X40ca
X5he
X2he
P3
X4he
CAN
X40ca
0301 0612
0302 7646
120 Ohm
X1
X40ba
Bu
0304 2214 (fe)
Schalterpos.: unten
X4fe
Schlepp Interface
X40aa
CAN
(ca)
0301 0612
P1
(aa)
X2fe
X5fe
1-Wire CAT5 Portal
X40aa
Bu
CAN In
Bu
X1fe
X1fe
Patchkabel 3m
0304 1629
Siehe Seite 3-20
Siehe Seite 5-35
Siehe Seite 5-28
Siehe Seite 3-13
e Seite 5-72
Siehe Seite 5-35
Siehe Seite 3-9
Siehe Seite 4-16
Siehe Seite 5-70
Siehe Seite 5-55
Seite 5-27
Siehe Seite 5-55
Siehe Seite 5-73
Siehe Seite 5-72
Siehe Seite 5-73
Siehe Seite 5-70

1 - 72
SIPLACE CAN Bus Ausgabe 10/2018
72
4.9.2 CAN Bus Siplace X2 (Variante 3)
Alle X-Series Maschinen ab 2008, wurden mit dem CAN Knoten ausgeliefert, dieser steuert den
Pipettenwechsler und Sensoren wieder über den CAN Bus.
Abb. 4.9 - 3 CAN Bus Struktur Siplace X2 ab 2008
SMP BUS
Computer Unit
C
O
M
U
n
i
t
1
6
8
CAN Bus cable
PA1
X6pn
Trailing Interface
Gantry 1
Transport
Control unit
COT 1(optional stat.
Camera vers.04) /
CAN Node
(Tape cutter, NC)
CAN I/O
Sub Module
COT 4 / MTC2
CAN Node
(Tape cutter, NC)
SUB Distributor Sector 4
Terminator
120 Ohm
Head board(C500)
Gantry 1
Terminator
(120 OHM)
CAN Bus cable
PA 2
X7pn
Main Distributor Sector 2
COT 3 (optional stat.
Camera vers.04) /
CAN Node
(Tape cutter, NC)
Axis unit
PA 2
(only Axes for PA2)
CAN I/O
Main Module
Sector 2
COT 2 / MTC2
CAN node
(Tape cutter, NC)
Trailing Interface
Gantry 3
Terminator
120 Ohm
Head board(C500)
Gantry 3
Terminator
(120 OHM)
Axis unit
PA 2
(only Axes for PA1)
MC