00194931-20 Anleitung CAN Test Box-Error Frame Diagnoseeinheit_de - 第79页
1 - 79 Ausgabe 1 0/2018 Siplace CAN Bus 79 Abb. 4.9 - 10 CAN Bus Struktur X3 Wirkschaltplan 00194418-02 X30_2tq X30_1tq CAN 0301 0052 0301 0059 X6qf X6qf 0304 1626 Patchkabel 3m X5rk X5rk X3rk X3rk Verteiler 0304 0219 X2…

1 - 78
SIPLACE CAN Bus Ausgabe 10/2018
78
4.9.5 CAN Bus Siplace X3 (D3) (Variante 2)
Abb. 4.9 - 9 CAN Bus Struktur X3 nach Wirkschaltplan 00194418-02
ACHTUNG:
Die D3 Maschine hat die gleiche CAN Bus Struktur wie die X3, da die D3 einer X3 mit Einschrän-
kungen ist.
SMP BUS
Computer Unit
C
O
M
U
n
i
t
1
6
8
CAN Bus cable
PA1
X6pn
Trailing Interface
Gantry 1
Transport
Control unit
Axis unit
PA 1
CAN I/O
Sub Module
Sector 4
SUB Distributor Sector 4
Trailing Interface
Gantry 4
Head board(C500)
Gantry 4
Terminator
(120 OHM)
Head board(C500)
Gantry 1
Terminator
(120 OHM)
CAN Bus cable
PA 2
X7pn
Main Distributor Sector 2
Axis unit
PA 2
CAN I/O
Main Module
Sector 2
COT 2 / MTC 2
Tape cutter
Terminator
120 Ohm
Trailing Interface
Gantry 3
Head board(C500)
Gantry 3
Terminator
(120 OHM)
MC
Vision Control unit
only for stat.
Cameras up to
vers. 03)
Vision Control unit
(only for stat.
Cameras up to
vers. 03)
COT 1 Tape cutter
(optional stat.
Camera vers.04)
COT 4 Tape cutter
(optional stat.
Camera vers.04)
COT 3 Tape cutter
(optional stat.
Camera vers.04)

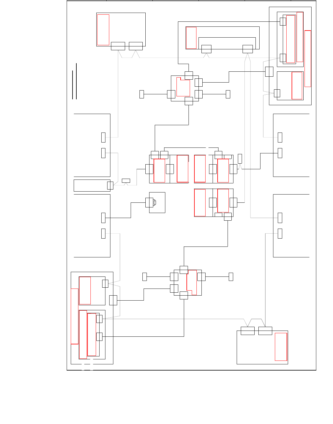
1 - 79
Ausgabe 10/2018 Siplace CAN Bus
79
Abb. 4.9 - 10 CAN Bus Struktur X3 Wirkschaltplan 00194418-02
X30_2tq X30_1tq
CAN
0301 0052
0301 0059
X6qf
X6qf
0304 1626
Patchkabel 3m
X5rk
X5rk
X3rk
X3rk
Verteiler
0304 0219
X2rk
X4rk
X1fq
X4rk
X1kq
X2rk
zum 1-Wire-Hub CAT5
zum 1-Wire-Hub CAT5
0304 1626
Patchkabel 3m
0304 1627
Patchkabel 3m
0304 1628
Patchkabel 3m
X6rf
X6rf
0301 0053
X15qa
X15qa
X15ra
X15ra
X1rk
X1rk
0300 9839
Verteiler
0304 0219 (qk)
X5qk
X5qk
X3qk
X3qk
X1hq
X4qk
X2qk
X2qk
zum 1-Wire-Hub CAT5
X1gq
X4qk
zum 1-Wire-Hub CAT5
0304 1627
Patchkabel 3m
0304 1628
Patchkabel 3m
X1qk
X1qk
0300 9826
Vision-Steuerung
00363 961 (qd)
CAN
Hauptverteiler 0301 0004 (qa)
X2qd
X2qd
CAN
X2qf
Einzug 2 Einzug 1
X125X126
CAN-InCAN-Out
X115X116
CAN-InCAN-Out
CAN
LP-Steuerung
X22ao
X22ao
CAN I/O-Modul 00355 051 (qb)
Bu
StBuSt
Bu
Bu
0301 0050
0301 0051
X2rd
X145
CAN-In
Bu
Bu
Achseinschub 2/3
0301 6110
X30_2sq
CAN
Einzug 3
X136
CAN-Out
St
X2rd
CAN
CAN
Unterverteiler 0301 0005 (ra)
Vision-Steuerung
00363 961 (rd)
Einzug 4
0301 0054
Computereinschub
X135
CAN-In
Bu
Bu
X68
Umgebungsdrucksensor
Pneumatikeinheit
Bestückbereich 2
Bestückbereich 1
CAN-Bus Aderbelegung
AderNr. Belegung Sub-D- PIN
1
2
3
4
5
6
7
8
9
CAN
X30_2sq
X30_1sq
Bu
X30_1sq
Bu
X30_2tq
Bu
X30_1tq
X146
CAN-Out
St
Interface 1-Wire CAT5
0304 1578 (qf)
X2qf
X2rf
CAN I/O-Modul 00355 051 (rb)
Bu
0304 1578
Interface 1-Wire CAT5 (rf)
X2rf
Achseinschub 1/4
0301 6110
CAN
0301 6643
X7pn X6pn
X7pn
Bu
CAN-Karte
X6pn
CAN-BUS 1CAN-BUS 2
Bu
GND
CAN_INT
PowerFail
frei
RESET
"1-Wire"
CAN_H
CAN_L
GND
3
9
5
8
4
2
7
6
1
1-Wire CAT5
1-Wire CAT5
(rk)
1-Wire CAT5 Portal
0304 2214 (he)
Schalterpos.: oben
CAN In
Bu
0302 7646
Abschlusswiderstand
120 Ohm
Bu
Schlepp Interface
Patchkabel 3m
0304 1629
P3
X1he
X1he
X40ca
X5he
X2he
X40ca
X4he
CAN
0301 0612
X40ba
St
X1
P4
1-Wire CAT5 Portal
X5ke
Schalterpos.: oben
0304 2214 (ke)
X40da
X4ke
CAN
X40da
Bu
CAN In
frei
X30_1sq
X1ke
X2ke
X2ke
0304 2214 (fe)
Schalterpos.: unten
X4fe
Schlepp Interface
Schlepp Interface
X40aa
CAN
(ca)
0301 0622
0301 0612
P1
(da)
(aa)
1-Wire Brücke
0304 2347
X2fe
X2fe
X5fe
1-Wire CAT5 Portal
X40aa
CAN In
Bu
X1fe
X1fe
Patchkabel 3m
0304 1629
Siehe Seite 3-20
Siehe Seite 5-35
Siehe Seite 5-28
Siehe Seite 3-13
e Seite 5-72
Siehe Seite 5-35
Siehe Seite 3-9
Siehe Seite 4-16
Siehe Seite 5-70
Siehe Seite 5-55
Siehe Seite 5-56
Siehe Seite 4-16
Seite 5-27
Siehe Seite 5-55
Siehe Seite 5-73 Siehe Seite 5-73
Siehe Seite 5-72
Siehe Seite 5-73
Siehe Seite 5-70

1 - 80
SIPLACE CAN Bus Ausgabe 10/2018
80
4.9.6 CAN Bus Siplace X3 (D3) (Variante 3)
Alle X-Series Maschinen ab 2008, wurden mit dem CAN Knoten ausgeliefert, dieser steuert den
Pipettenwechsler und Sensoren wieder über den CAN Bus.
Abb. 4.9 - 11 CAN Bus Struktur X3 Variante 3
ACHTUNG:
Die D3 Maschine hat die gleiche CAN Bus Struktur wie die X3, da die D3 einer X3 mit Einschrän-
kungen ist.
SMP BUS
Computer Unit
C
O
M
U
n
i
t
1
6
8
CAN Bus cable
PA1
X6pn
Trailing Interface
Gantry 1
Transport
Control unit
Axis unit
PA 1
CAN I/O
Sub Module
SUB Distributor Sector 4
Trailing Interface
Gantry 4
Head board(C500)
Gantry 4
Terminator
(120 OHM)
Head board(C500)
Gantry 1
Terminator
(120 OHM)
CAN Bus cable
PA 2
X7pn
Main Distributor Sector 2
Axis unit
PA 2
CAN I/O
Main Module
Sector 2
COT 2 / MTC 2
CAN node
(Tape cutter, NC)
Terminator
120 Ohm
Trailing Interface
Gantry 3
Head board(C500)
Gantry 3
Terminator
(120 OHM)
MC
COT 4 / MTC2
CAN node
(Tape cutter, NC)
(optional stat.
Camera vers.04)
COT 3 / CAN node
(Tape cutter, NC)
(optional stat.
Camera vers.04)
COT 1 / CAN Node
(Tape cutter, NC
(optional stat.
Camera vers.04))