00194931-20 Anleitung CAN Test Box-Error Frame Diagnoseeinheit_de - 第92页
1 - 92 SIPLACE CAN Bus Ausgabe 10/2018 92 4.10 CAN Bus Struktur Siplace D-Serie 4.10.1 CAN Bus Struktur Siplace D1 Abb. 4.10 - 1 CAN Bus Struktur D1

1 - 91
Ausgabe 10/2018 Siplace CAN Bus
91
Abb. 4.9 - 22 CAN Bus Struktur X4I mit A364 Stromlaufplan
X 2 q d
D o c k i n g u n i t 2 D o c k i n g u n i t 1
X 1 2 5X 1 2 6
C A N I NC A N O U T
X 1 1 5X 1 1 6
C A N I NC A N O U T
C A N
P C B c o n t r o l
X 2 2 a o
X 2 2 a o
C A N I / O - m o d u l e 0 0 3 5 5 0 5 1 ( q b )
0 3 0 1 0 0 5 0
C A N
0 3 0 1 0 0 5 1
X 2 r d
X 1 4 5
C A N I N
A x i s u n i t
0 3 0 5 0 3 6 5
X 3 0 _ 2 s q
C A N
D o c k i n g u n i t 3
X 1 3 6
C A N O U T
X 4 0 c a
C A N
D o c k i n g u n i t 4
( c a )
C a b l e c a r r i e r i n t e r f a c e
0 3 0 1 0 6 1 2
P 3
0 3 0 1 0 0 5 4
X 1 3 5
C A N I N
X 6 8
A m b i e n t p r e s s u r e s e n s o r
P n e u m a t i c u n i t
P l a c e m e n t a r e a 2
P l a c e m e n t a r e a 1
C A N b u s w i r i n g
w i r e n o . w i r i n g S u b - D - P I N
1 " 1 - W i r e " 1
2 G N D 6
3 C A N _ L 2
4 C A N _ H 7
5 G N D 3
6 R E S E T 8
7 P o w e r F a i l 4
8 f r e e 9
9
C A N _ I N T 5
C A N
X 3 0 _ 2 s q
X 3 0 _ 1 s q
X 3 0 _ 1 s q
X 3 0 _ 2 t q X 3 0 _ 1 t q
X 1 4 6
C A N O U T
C A N I / O m o d u l e 0 0 3 5 5 0 5 1 ( r b )
X 4 0 a a
( a a )
C a b l e c a r r i e r i n t e r f a c e
0 3 0 1 0 6 1 2
P 1
0 3 0 1 0 0 5 9
X 4 0 c a
X 4 0 b a
0 3 0 1 0 0 5 3
X 4 0 a a
X 1 r b
X 1 q bX 6 q f
X 6 q f
C A N
X 2 q f
I n t e r f a c e 1 - W i r e C A T 5 ( q f )
0 3 0 4 1 5 7 8
M a i n d i s t r i b u t o r 0 3 0 4 6 2 2 5 ( q a )
X 6 r f
X 6 r f
X 1 2 p n X 1 1 p n
X 7 p n
C A N c a r d
X 6 p n
C A N b u s 1C A N b u s 2
C A N
0 3 0 4 1 5 7 8
I n t e r f a c e 1 - W i r e C A T 5 ( r f )
X 2 r f
S u b d i s t r i b u t o r 0 3 0 4 6 2 2 6 ( r a )
S o
S o
S o
S o
S o
S o
S oS o
S o S o
S o
S o P i nP i n
P i n P i nS o
S o
S o
M a c h i n e
c o n t r o l l e r
0 3 0 5 2 0 3 2
C A N
2 / 3
X 3 0 _ 2 t q X 3 0 _ 1 t q
C A N
0 3 0 1 0 0 5 2
X 3 0 _ 1 s q
s p a r e
X 4 0 d a
C A N
( d a )
C a b l e c a r r i e r i n t e r f a c e
0 3 0 1 0 6 2 2
P 4
X 4 h e
C A N I n
X 5 h e
X 2 h eX 1 h e
1 - W i r e C A T 5 g a n t r y
0 3 0 4 2 2 1 4 ( f e )
C A N I n
X 5 f e
X 4 f e
X 2 f e X 1 f e
X 1 f e
X 4 k e
C A N I n
X 4 0 d a
S o
X 5 k e
X 2 k e
X 1 k e X 2 k e
S w i t c h p o s . : t o p
X 2 f e
C A N
X 4 0 b a
( b a )
C a b l e c a r r i e r i n t e r f a c e
0 3 0 1 0 6 2 2
P 2
X 1 g eX 2 g e
1 - W i r e C A T 5 g a n t r y
0 3 0 4 2 2 1 4 ( g e )
S w i t c h p o s . : t o p
C A N I n
X 5 g e
X 4 g e
X 2 g eX 2 h e
0 3 0 4 2 3 4 7
1 - w i r e b r i d g e
X 1 g e
1 - W i r e C A T 5 g a n t r y
0 3 0 4 2 2 1 4 ( h e )
S w i t c h p o s . : b o t t o m
1 - W i r e C A T 5 g a n t r y
0 3 0 4 2 2 1 4 ( k e )
S w i t c h p
o s . : b o t t o m
0 3 0 4 2 3 4 7
1 - w i r e b r i d g e
A x i s u n i t 1 / 4
0 3 0 5 0 3 6 5
0 3 0 5 7 1 4 5
P a t c h c a b l e 5 m
0 3 0 5 7 1 4 5
P a t c h c a b l e 5 m

1 - 92
SIPLACE CAN Bus Ausgabe 10/2018
92
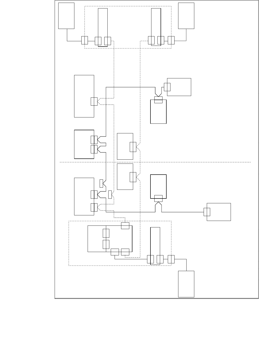
4.10 CAN Bus Struktur Siplace D-Serie
4.10.1 CAN Bus Struktur Siplace D1
Abb. 4.10 - 1 CAN Bus Struktur D1

1 - 93
Ausgabe 10/2018 Siplace CAN Bus
93
Abb. 4.10 - 2 CAN Bus Struktur D1 Zeichnungsnummer 03043799-010302LD3
C A N T e r m i n a t i o n o n :
S 1 . 8 = O N
C A N T e r m i n a t i o n o f f :
S 1 . 5 = O F F
f i x e d C A N T e r m i n a t i o n o n
G a n t r y H e a d B o a r d
0 3
0 3 8 0 0 2
C A N I / O m o d u l e
0 0 3 5 5 0 5 1 ( q b )
B E - T i s c h 2
C o m p o n e n t s t a b l e 2
0 3 0 4 1 3 1 5 )
M a s c h i n e n C o n t r o l l e r
M a c h i n e c o n t r o l l e r
0 3 0 3 2 3 4 2 ( p a )
C A N - B u s 1 D 1
C A N - B u s 2 D 1
A x i s U n i t A 3 6 4
0 3 0 4 2 0 4 7
T r a n s p o r t s t e u e r u n g T S P 2 0 1
C o n v e y o r c o n t r o l l e r T S P 2 0 1
0 3 0 4 3 8 3 2
C A N 2 C A N 1
X 2 2 a o
X 2 2 a o
X 3 0 _ 1 s q
X 3 0 _ 1 s q
X 1 1 p aX 1 2 p a
X 1 1 p aX 1 2 p a
X 1 b f
H a u p t v e r t e i l e r
M a i n D i s t r i b u t o r
0 3 0 5 0 1 7 8 ( b f )
U n t e r v e r t e i l e r
S u b D i s t r i b u t o r
0 3 0 4 8 9 6 6 ( a f )
B E - K a m e r a S t a t .
P + P ( T Y P 3 6 )
5 5 x 4 5 d i g i t .
0 3 0 4 2 4 9 1
B E - K a m e r a S t a t .
P + P ( T y p 2 5 )
1 6 x 1 6 d i g i t .
0 3 0 2 0 5 7 8
S c h l e p p -
V e r t e i l e r
T r a i l i n g
d i s t r i b u t o r
0 3 0 3 8 6 9 0
X 4 0 a a
X 4 0 a a
X 1 b f X 1 a f
X 1 a f
X 1 0 b u
X 3 0 _ 2 s q
X 3 0 _ 2 s q
A b s c h l u s s -
w i d e r s t a n d
T e r m i n a t i n g
r e s i s t o r
0 3 0 2 7 6 4 6
0 3 0 5 0 1 6 2
0 3 0 5 0 1 6 4
X 1 q f
X 1 0 3
X 1 1 p a 2
X 1 2 p a 2 S e r v i c e
S e r v i c e
X 1 0 b u
X 1 0 a u
X 1 0 a u
P o r t a l 1 / G a n t r y 1
S e k t o r 2
S e c t o r 2
S e k t o r 1
S e c t o r 1
C A N - B u s 2 S u b
0 3 0 5 0 1 6 5
X 1 q b
X 1 q e
C A N - I n t e r f a c e
0 3 0 3 2 3 4 6 ( q e )
X 4 b h
X 4 b h
X 3 q e
X 3 q e
X 5 q e
X 5 q e
X 4 q e
X 4 q e
G u r t s c h n e i d e r 2
T a p e c u t t e r 2
0 3 0 0 6 4 1 1 ( b h )
G u r t s c h n e i d e r 1
T a p e c u t t e r 1
0 3 0 0 6 4 1 1 ( a h )
X 1 r b
X 1 r b
X 2 r b
X 2 r b
B E - T i s c h 1
C o m p o n e n t s t a b l e 1
0 3 0 4 1 3 1 5
X 3 0 a f
X 3 0 a f
W a f f l e P a c k
C h a n g e r
0 3 0 4 6 8 1 6
X 2 r d
X 2 r d
X 1 r d
X 1 r d
C A N - B U S t e r m i n a t o r
c o m p o n e n t t a b l e
0 3 0 4 6 8 6 3
C A N - B U S t e r m i n a t o r
c o m p o n e n t t a b l e
0 3 0 4 6 8 6 3
X 4 a h
X 4 a h
X 1 q a
X 1 q a
X 2 q a
X 2 q a
C A N - B U S t e r m i n a t o r
c o m p o n e n t t a b l e
0 3 0 4 6 8 6 3
X 2 q b
X 2 q e