00194931-20 Anleitung CAN Test Box-Error Frame Diagnoseeinheit_de - 第96页
1 - 96 SIPLACE CAN Bus Ausgabe 10/2018 96 4.10.3 CAN Bus Struktur Siplace D2 Abb. 4.10 - 5 CAN Bus Struktur D2

1 - 95
Ausgabe 10/2018 Siplace CAN Bus
95
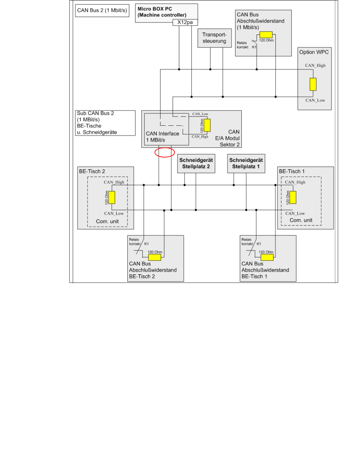
Abb. 4.10 - 4 CAN Bus 2 an der D1 Maschine
Für den CAN Bus 2 (1 MBit/s) erfolgt die Messung am Servicestecker X12pa2. Je nach Option
WPC vorhanden oder nicht sind zwei oder drei Abschlußwiderstände im CAN Bus.
Ohne angeschlossenen WPC ergibt sich ein Wert von 60 Ohm, bei angeschlossenen WPC ein
Wert von 40 Ohm.
In the Abb. 4.10 - 4 sind vier Abschlußwiderstände für den CAN Bus BE-Tische und Schneidg-
eräte, wenn die Maschine ausgeschaltet und die BE-Tische angeschlossen sind. Wird die
Maschine eingeschaltet, öffnen die Relaiskontakte K 1 und der CAN Bus arbeitet normal mit zwei
120 Ohm Abschlußwiderständen. Wird jetzt ein BE-Tisch abgesteckt oder ausgewechselt, kann
der CAN Bus normal weiter arbeiten, da der Relaiskontakt K1 des jeweiligen Stellplatzes ges-
chlossen wird und der Abschlußwiderstand wieder vorhanden ist.
Die Messung der Abschlußwiderstände erfogt am CAN Interface ( Messpunkt (1) ) bei anges-
chlossenen BE-Tischen und ausgeschalteter Maschine. Der Wert sollte 30 Ohm betragen.
1

1 - 96
SIPLACE CAN Bus Ausgabe 10/2018
96
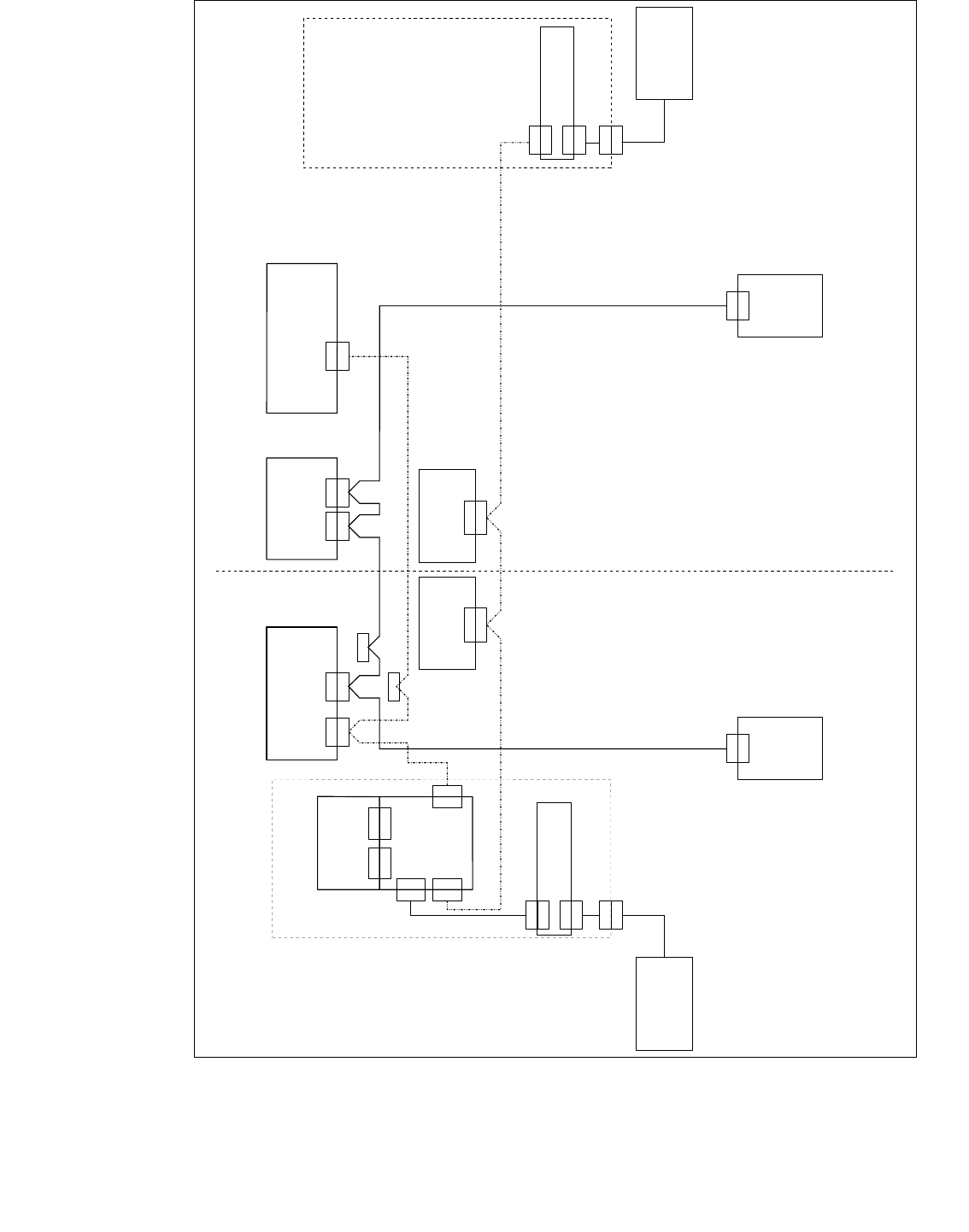
4.10.3 CAN Bus Struktur Siplace D2
Abb. 4.10 - 5 CAN Bus Struktur D2

1 - 97
Ausgabe 10/2018 Siplace CAN Bus
97
Abb. 4.10 - 6 CAN Bus Struktur D2 Zeichnungsnummer 03043798-010302LD3
C A N T e r m i n a t i o n o n :
S 1 . 8 = O N
C A N T e r m i n a t i o n o n :
S 1 . 5 = O N
f i x e d C A N T e r m i n a t i o n o n
G a n t r y H e a d D i s t r i b u t
o r
0 3 0 3 8 0 0 2
f i x e d C A N T e r m i n a t i o n o n
G a n t r y H e a d D i s t r i b u t o r
0 3 0 3 8 0 0 2
C A N I / O m o d u l e
0 0 3 5 5 0 5 1 ( q b )
B E - T i s c h 2
C o m p o n e n t s t a b l e 2
0 3 0 4 1 3 1 5 )
M a s c h i n e n C o n t r o l l e r
M a c h i n e c o n t r o l l e r
0 3 0 3 2 3 4 2 ( p a )
C A N - B U S 1 D 2
A x i s U n i t A 3 6 4
0 3 0 4 2 0 4 7
T r a n s p o r t s t e u e r u n g T S P 2 0 1
C o n v e y o r c o n t r o l l e r T S P 2 0 1
0 3 0 4 3 8 3 2
C A N 2 C A N 1
X 2 2 a o
X 2 2 a o
X 3 0 _ 1 s q
X 3 0 _ 1 s q
X 1 1 p aX 1 2 p a
X 1 1 p a
X 1 b f
H a u p t v e r t e i l e r
M a i n D i s t r i b u t o r
0 3 0 5 0 1 7 8 ( b f )
U n t e r v e r t e i l e r
S u b D i s t r i b u t o r
0 3 0 5 0 1 7 7 ( a f )
S c h l e p p -
V e r t e i l e r
T r a i l i n g
d i s t r i b u t o r
0 3 0 3 8 6 9 0
X 4 0 b a
X 4 0 b a
X 1 b f X 1 a f
X 1 a f
X 3 0 _ 2 s q
X 3 0 _ 2 s q
0 3 0 5 0 1 6 3
X 1 1 p a 2 S e r v i c e
P o r t a l 2 / G a n t r y 2
S e k t o r 2
S e c t o r 2
S e k t o r 1
S e c t o r 1
C A N - B U S 2 S u b
0 3 0 5 0 1 6 5
X 1 q b
X 1 q e
C A N - I n t e r f a c e
0 3 0 3 2 3 4 6 ( q e )
X 4 b h
X 4 b h
X 3 q e
X 3 q e
X 5 q e
X 5 q e
X 4 q e
X 4 q e
G u r t s c h n e i d e r 2
T a p e c u t t e r 2
0 3 0 0 6 4 1 1 ( b h )
G u r t s c h n e i d e r 1
T a p e c u t t e r 1
0 3 0 0 6 4 1 1 ( a h )
X 1 r b
X 1 r b
X 2 r b
X 2 r b
B E - T i s c h 1
C o m p o n e n t s t a b l e 1
0 3 0 4 1 3 1 5
C A N - B U S t e r m i n a t o r
c o m p o n e n t t a b l e
0 3 0 4 6 8 6 3
X 4 a h
X 4 a h
X 1 q a
X 1 q a
X 2 q a
X 2 q a
C A N - B U S t e r m i n a t o r
c o m p o n e n t t a b l e
0 3 0 4 6 8 6 3
X 2 q b
X 2 q e
S c h l e p p -
V e r t e i l e r
T r a i l i n g
d i s t r i b u t o r
0 3 0 3 8 6 9 0
X 4 0 a a
X 4 0 a a
P o r t a l 1 / G a n t r y 1
X 1 2 p a 2 S e r v i c e
X 1 2 p a
C A N - B U S 2 D 2
0 3 0 5 0 6 6 6