P-209-001 - 第171页
MODEL TCM-X100J 0212-002 Key No. P AR T No. P AR T NAME Q’ ty REMARKS NOTE 169 KB-4 30 1 630 094 1746 BASE 1 766KB-010-301 30 2 630 093 9729 GU ID E,L INE AR 1 766KB-010-302 30 3 630 093 2775 P L A T E 1 766KB-010-303 30…

MODEL TCM-X100J
0212-002
168
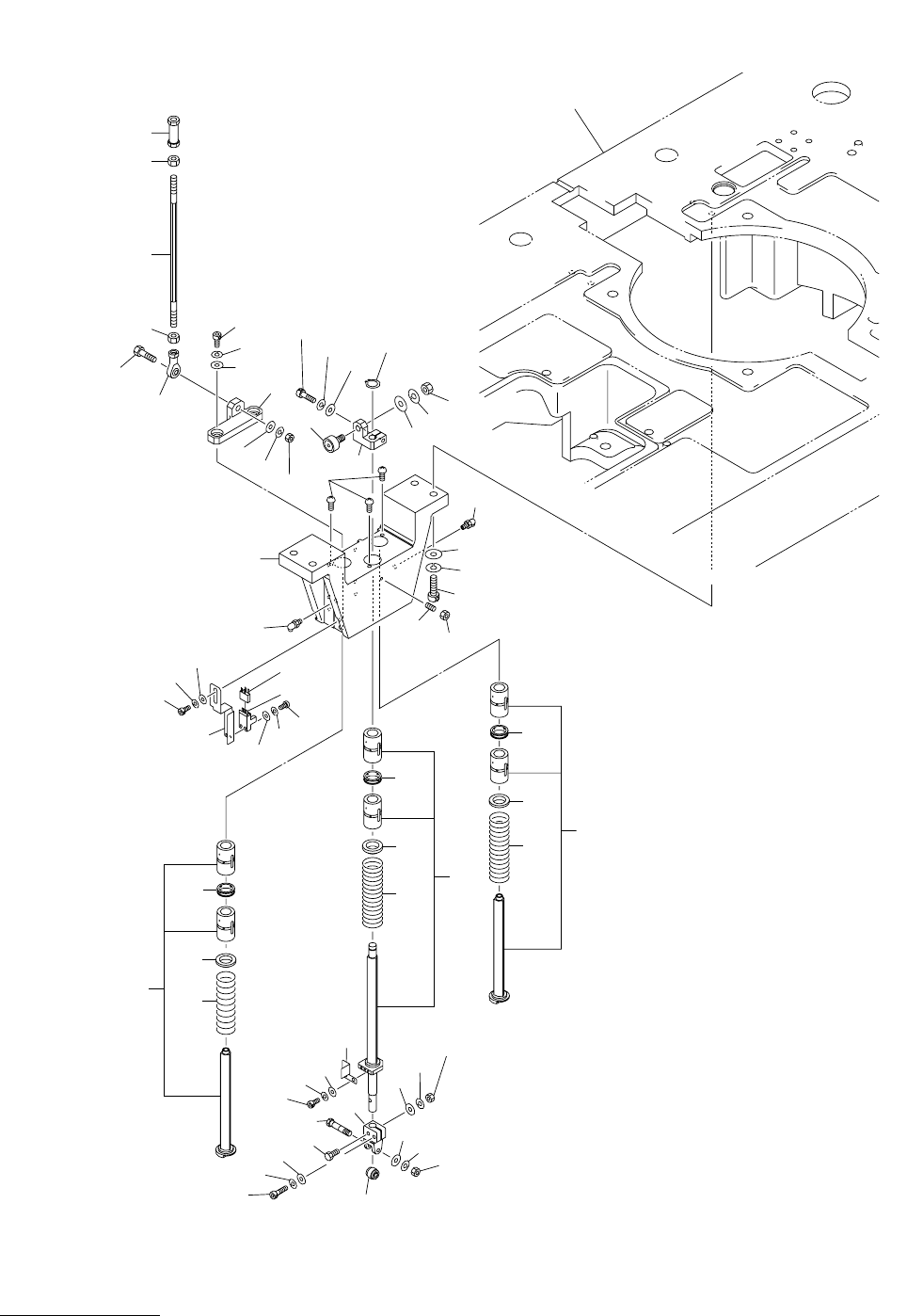
ࡋ࠶࠼㚟േ࡙࠾࠶࠻ HEAD DRIVING UNIT
Fig. KB-4 ๆ⌕ਅᱜㇱ Pick-up Leveller Adjuster
302
303
308
305
306
307
322
345
311
321
320
325
324
333
334
317
332
316
331
323
309
310
See Fig.B-1
Key No.1
See Fig.L-1
Key No.12
347
339
338
337
336
335
342
341
340
314
313
312
315
301

MODEL TCM-X100J
0212-002
Key No. PART No. PART NAME Q’ty REMARKS
NOTE
169
KB-4
301 630 094 1746 BASE 1 766KB-010-301
302 630 093 9729 GUIDE,LINEAR 1 766KB-010-302
303 630 093 2775 PLATE 1 766KB-010-303
305 411 141 3902 WASHER V 3X7X0.5 8 766KB-010-305
306 411 141 2806 WASHER SPR 3 8 766KB-010-306
307 630 000 7510 BOLT,HEX-SCT 8 766KB-010-307
308 411 141 4008 WASHER V 4X9X0.8 2 766KB-010-308
309 411 141 2905 WASHER SPR 4 2 766KB-010-309
310 630 000 7657 BOLT,HEX-SCT 2 766KB-010-310
311 630 086 4021 MOTOR,AC-SERVO 1 MSVM9(CZ),SGMAH-02AAA21
766KB-010-311
312 411 141 4107 WASHER V 5X10X1 4 766KB-010-312
313 411 141 6705 WASHER SPR 5 4 766KB-010-313
314 630 000 7763 BOLT,HEX-SCT 4 766KB-010-314
315 630 086 4045 COUPLING(TR330438-0) 1 766KB-010-315
316 630 116 4144 BRACKET 1 766KB-010-316
317 630 093 9385 BALL SCREW 1 766KB-010-317
320 630 000 7657 BOLT,HEX-SCT 4 766KB-010-320
321 630 001 0244 WASHER 2 766KB-010-321
322 411 141 3100 WASHER SPR 8 2 766KB-010-322
323 630 000 8036 BOLT,HEX-SCT 2 766KB-010-323
324 411 141 4008 WASHER V 4X9X0.8 4 766KB-010-324
325 411 141 2905 WASHER SPR 4 4 766KB-010-325
326 630 000 7619 BOLT,HEX-SCT 4 766KB-010-326
331 630 093 2782 PLATE 1 766KB-010-331
332 411 141 3902 WASHER V 3X7X0.5 2 766KB-010-332
333 411 141 2806 WASHER SPR 3 2 766KB-010-333
334 630 000 7503 BOLT,HEX-SCT 2 766KB-010-334
335 630 093 2799 BRACKET 1 766KB-010-335
336 411 141 4008 WASHER V 4X9X0.8 2 766KB-010-336
337 411 141 2905 WASHER SPR 4 2 766KB-010-337
338 630 000 7619 BOLT,HEX-SCT 2 766KB-010-338
339 630 093 3079 SENSOR,PHOTO 3 BPH9,BPH10,BPH11 766KB-010-339
340 411 119 1909 WASHER V 3X7X0.5 6 766KB-010-340
341 411 086 4408 WASHER SPR 3 6 766KB-010-341
342 411 041 8908 SCR PAN 3X6 6 766KB-010-342
345 630 003 4271 GREASE NIPPLE 2 766KB-010-345
347 630 000 7633 BOLT,HEX-SCT 4 766KB-010-347

MODEL TCM-X100J
0212-002
170
ࡋ࠶࠼㚟േ࡙࠾࠶࠻ HEAD DRIVING UNIT
Fig. KB-5 ࠹ࡊㅍࠅㇱ Tape Feeder Section
407
See Fig.L-1
Key No.12
430
429
430
426
427
425
424
411
410
409
446
404
431
421
448
449
445
446
444
440
439
418
419
420
438
443
442
441
406
405
445
433
432
428
446
445
433
401
431
435
418
418
412
413
417
409
410
411
415
419
416
419
416
434
436
437
450
447
423
422
450
447
414
422
408
447
403
402
4797L 002
TCM-X300-002
4797S-002
TCM-X100J-002
TCM-X100-002