P-209-001 - 第174页
MODEL TCM-X100J 0212-002 172 ࠞࡓ㧟ゲㇱ CAM SHAFT 3 AXIS SECTION Fig. KC-1 ࠞࡓ࡙࠾࠶࠻ Cam Unit Fig.KC-1 See Fig.L-1 Key No.12 10 11 12 9 12 9 11 10 16 15 14 21 20 19 31 8 7 6 34 33 32 39 36 38 37 5 18 17 13 25 24 23 22 28 29 30 2…

MODEL TCM-X100J
0212-002
Key No. PART No. PART NAME Q’ty REMARKS
NOTE
171
KB-5
401 630 112 1543 BLOCK(BALL BUSH) 1 766KB-010-401
402 630 112 1130 GUIDE,LINEAR 1 766KB-010-402
403 630 111 2565 SPRING,COMP 1 766KB-010-403
404 630 085 9690 BLOCK 1 766KB-010-404
405 630 007 2501 CAM FOLLOWER 1 766KB-010-405
406 411 000 7102 RING C 10 1 766KB-010-406
407 630 092 9829 ROD 1 766KB-010-407
408 630 112 1529 COLLAR 1 766KB-010-408
409 411 141 4107 WASHER V 5X10X1 2 766KB-010-409
410 411 141 6705 WASHER SPR 5 2 766KB-010-410
411 630 000 7763 BOLT,HEX-SCT 2 766KB-010-411
412 630 116 4151 HOLDER 1 766KB-010-412
413 630 093 0634 PIN,LOCATE 1 766KB-010-413
414 630 111 2589 SPRING,COMP 1 766KB-010-414
415 630 093 2744 CAM FOLLOWER 1 766KB-010-415
416 411 141 0505 NUT HEX 5 2 766KB-010-416
417 630 093 0955 BOLT,HEX 1 766KB-010-417
418 411 141 4107 WASHER V 5X10X1 4 766KB-010-418
419 411 141 6705 WASHER SPR 5 4 766KB-010-419
420 630 000 7749 BOLT,HEX-SCT 2 766KB-010-420
421 411 140 8007 SCR TRS 5X6 3 766KB-010-421
422 630 112 1123 GUIDE,LINEAR 2 766KB-010-422
423 630 111 2572 SPRING,COMP 1 766KB-010-423
424 630 092 5739 PLATE,LOCATE 1 766KB-010-424
425 630 093 1235 WASHER 2 766KB-010-425
426 411 141 3001 WASHER SPR 6 2 766KB-010-426
427 630 000 7886 BOLT,HEX-SCT 2 766KB-010-427
428 630 001 1081 ROD END 1 766KB-010-428
429 630 092 9812 ROD 1 766KB-010-429
430 630 000 9767 NUT,HEX 2 766KB-010-430
431 630 003 4271 GREASE NIPPLE 2 766KB-010-431
432 630 008 2401 BOLT,HEX 1 766KB-010-432
433 411 141 0901 NUT HEX 8 2 766KB-010-433
434 630 093 0894 PLATE 1 766KB-010-434
435 411 141 3902 WASHER V 3X7X0.5 2 766KB-010-435
436 411 141 2806 WASHER SPR 3 2 766KB-010-436
437 630 000 7527 BOLT,HEX-SCT 2 766KB-010-437
438 630 112 1536 BRACKET 1 766KB-010-438
439 630 069 0545 SENSOR,PHOTO 1 BPH31 766KB-010-439
440 630 000 0269 SENSOR,PHOTO(CONNECTOR) 1 766KB-010-440
441 411 119 1909 WASHER V 3X7X0.5 2 766KB-010-441
442 411 086 4408 WASHER SPR 3 2 766KB-010-442
443 411 041 8908 SCR PAN 3X6 2 766KB-010-443
444 630 000 8050 BOLT,HEX-SCT 4 766KB-010-444
445 411 141 3100 WASHER SPR 8 6 766KB-010-445
446 411 141 4503 WASHER V 8X17X1.6 6 766KB-010-446
447 630 048 3208 COLLAR 3 766KB-010-447
448 630 000 8937 SET SCREW 1 766KB-010-448
449 411 141 0307 NUT HEX 4 1 766KB-010-449
450 630 112 1512 COLLAR 2 766KB-010-450

MODEL TCM-X100J
0212-002
172
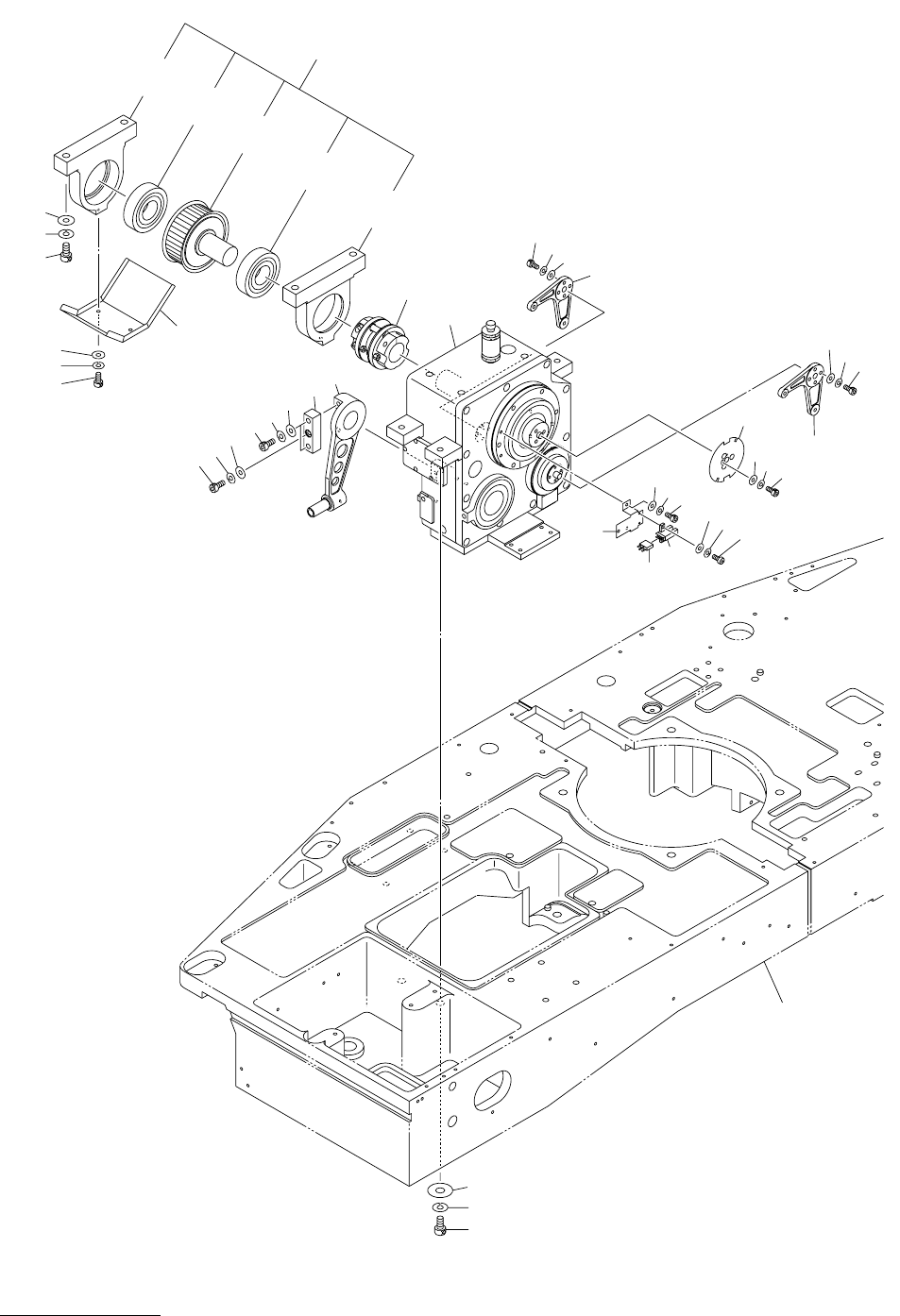
ࠞࡓ㧟ゲㇱ CAM SHAFT 3 AXIS SECTION
Fig. KC-1 ࠞࡓ࡙࠾࠶࠻ Cam Unit
Fig.KC-1
See Fig.L-1
Key No.12
10
11
12
9
12
9
11
10
16
15
14
21
20
19
31
8
7
6
34
33
32
39
36
38
37
5
18
17
13
25
24
23
22
28
29
30
26
1
27
3
4
2
26-02
26-03
26-04
26-03
26-01
4797L
TCM-X200-002
TCM-X300
4797A-002

MODEL TCM-X100J
0212-002
Key No. PART No. PART NAME Q’ty REMARKS
NOTE
173
KC-1
1 630 090 9715 CAM 1 766KC-010-001
2 630 000 8166 BOLT,HEX-SCT 3 766KC-010-002
3 411 141 3209 WASHER SPR 10 3 766KC-010-003
4 630 001 0251 WASHER 3 766KC-010-004
5 630 086 0658 LEVER 1 766KC-010-005
6 630 109 2850 BOLT,HEX-SCT 2 766KC-010-006
7 411 141 3100 WASHER SPR 8 2 766KC-010-007
8 411 141 4503 WASHER V 8X17X1.6 2 766KC-010-008
9 630 088 0403 LEVER 2 766KC-010-009
10 630 000 7770 BOLT,HEX-SCT 8 766KC-010-010
11 411 141 6705 WASHER SPR 5 8 766KC-010-011
12 411 141 4107 WASHER V 5X10X1 8 766KC-010-012
13 630 093 4304 BRACKET 1 766KC-010-013
14 630 000 7626 BOLT,HEX-SCT 2 766KC-010-014
15 411 141 2905 WASHER SPR 4 2 766KC-010-015
16 411 141 4008 WASHER V 4X9X0.8 2 766KC-010-016
17 630 032 5287 SENSOR,PHOTO 1 BPH55 766KC-010-017
18 630 000 0269 SENSOR,PHOTO(CONNECTOR) 1 766KC-010-018
19 411 040 7803 SCR PAN 3X12 2 766KC-010-019
20 411 086 4408 WASHER SPR 3 2 766KC-010-020
21 411 119 1909 WASHER V 3X7X0.5 2 766KC-010-021
22 630 086 9422 DISK 1 766KC-010-022
23 630 000 7619 BOLT,HEX-SCT 1 766KC-010-023
24 411 141 2905 WASHER SPR 4 1 766KC-010-024
25 411 141 5906 WASHER F 4X8X0.8 1 766KC-010-025
26 630 093 1853 ASSY,PULLEY,TIMING 1 766KC-010-026
26 -01 630 093 1815 HOLDER 1
26 -02 630 093 1822 HOLDER 1
26 -03 630 049 0121 BEARING,RADIAL 2
26 -04 630 097 9749 PULLEY,TIMING 1
27 630 000 8166 BOLT,HEX-SCT 4 766KC-010-027
28 411 141 3209 WASHER SPR 10 4 766KC-010-028
29 411 141 6309 WASHER F 10X18X2 4 766KC-010-029
30 630 086 0580 COUPLING 1 766KC-010-030
31 630 108 4503 BLOCK 1 766KC-010-031
32 630 109 2867 BOLT,HEX-SCT 1 766KC-010-032
33 411 141 3001 WASHER SPR 6 1 766KC-010-033
34 411 141 4305 WASHER V 6X12.5X1.6 1 766KC-010-034
36 630 093 1877 COVER 1 766KC-010-036
37 630 000 7732 BOLT,HEX-SCT 2 766KC-010-037
38 411 141 6705 WASHER SPR 5 2 766KC-010-038
39 411 142 3406 WASHER F 5X10X1 2 766KC-010-039