P-209-001 - 第178页
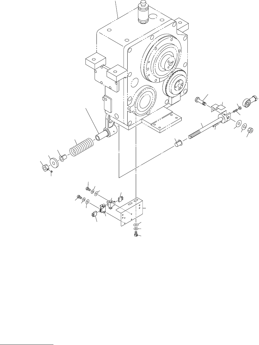
MODEL TCM-X100J 0105-001 176 ࠞࡓ㧟ゲㇱ CAM SHAFT 3 AXIS SECTION Fig. KC-3 ࠞ࠶࠲ࡃࡠ࠶࠼ Cutter Lever Rod 206 See Fig.KC-1 Key No.5 See Fig.KC-1 Key No.1 205 204 202 203 222 223 224 222 223 224 220 217 218 218 217 215 209 201 21 …

MODEL TCM-X100J
0212-002
Key No. PART No. PART NAME Q’ty REMARKS
NOTE
175
KC-2
101 630 086 0597 ASSY,LEVER 2 766KC-010-101
101 -01 630 085 9225 LEVER 1
101 -02 630 001 1425 BEARING,RADIAL 2
101 -03 630 085 9157 COLLAR 1
101 -04 630 085 9584 WASHER 1
101 -05 630 084 8564 BEARING,RADIAL 2
102 630 085 9232 LEVER 2 766KC-010-102
103 630 032 5201 CAM FOLLOWER 2 766KC-010-103
104 411 141 0505 NUT HEX 5 2 766KC-010-104
105 411 141 6705 WASHER SPR 5 2 766KC-010-105
106 411 142 3406 WASHER F 5X10X1 2 766KC-010-106
107 630 097 0968 SPRING,COMP 2 766KC-010-107
108 630 002 4494 SPRING,COMP 2 766KC-010-108
109 630 085 9195 PIN,HINGE 2 766KC-010-109
110 411 141 0901 NUT HEX 8 2 766KC-010-110
111 411 141 3100 WASHER SPR 8 2 766KC-010-111
112 411 141 6101 WASHER F 8X15.5X1.6 2 766KC-010-112
113 630 005 0868 BEARING,PARTS(LOCK NUT) 2 766KC-010-113
115 411 141 0703 NUT HEX 6 2 766KC-010-115
116 411 141 3001 WASHER SPR 6 2 766KC-010-116
117 411 141 6002 WASHER F 6X11.5X1.6 2 766KC-010-117
118 630 085 9201 PIN,HINGE 2 766KC-010-118
119 411 141 0307 NUT HEX 4 2 766KC-010-119
120 411 141 2905 WASHER SPR 4 2 766KC-010-120
121 411 141 5906 WASHER F 4X8X0.8 2 766KC-010-121
122 630 000 8920 SET SCREW 2 766KC-010-122
123 630 094 0817 BOLT,HEX 2 766KC-010-123

MODEL TCM-X100J
0105-001
176
ࠞࡓ㧟ゲㇱ CAM SHAFT 3 AXIS SECTION
Fig. KC-3 ࠞ࠶࠲ࡃࡠ࠶࠼ Cutter Lever Rod
206
See Fig.KC-1
Key No.5
See Fig.KC-1
Key No.1
205
204
202
203
222
223
224
222
223
224
220
217
218
218
217
215
209
201
211
212
208
207
205
214
213
221
219
216
210

MODEL TCM-X100J
0105-001
Key No. PART No. PART NAME Q’ty REMARKS
NOTE
177
KC-3
201 630 088 3077 SHAFT 1 766KC-010-201
202 630 005 0868 BEARING,PARTS(LOCK NUT) 1 766KC-010-202
203 630 000 8920 SET SCREW 1 766KC-010-203
204 630 085 9164 COLLAR 1 766KC-010-204
205 630 049 0176 BUSH,BEARING 2 766KC-010-205
206 630 085 9270 SPRING,COMP 1 766KC-010-206
207 630 085 9171 COLLAR 1 766KC-010-207
208 630 085 9287 SPRING,COMP 1 766KC-010-208
209 630 052 4246 MECH PARTS(PARALLEL PINS) 1 766KC-010-209
210 630 090 8350 ROD END BEARINGS 1 766KC-010-210
211 630 048 9422 PIN,HINGE 1 766KC-010-211
212 630 089 7951 PLATE 1 766KC-010-212
213 411 141 0901 NUT HEX 8 1 766KC-010-213
214 411 141 3100 WASHER SPR 8 1 766KC-010-214
215 411 141 6101 WASHER F 8X15.5X1.6 1 766KC-010-215
216 630 089 7258 BRACKET 1 766KC-010-216
217 630 000 0252 SENSOR,PHOTO 2 BPH32,BPH33 766KC-010-217
218 630 000 0269 SENSOR,PHOTO(CONNECTOR) 2 766KC-010-218
219 630 000 7626 BOLT,HEX-SCT 2 766KC-010-219
220 411 141 2905 WASHER SPR 4 2 766KC-010-220
221 411 141 5906 WASHER F 4X8X0.8 2 766KC-010-221
222 411 040 7803 SCR PAN 3X12 4 766KC-010-222
223 411 141 2806 WASHER SPR 3 4 766KC-010-223
224 411 141 5807 WASHER F 3X6X0.5 4 766KC-010-224