P-209-001 - 第179页
MODEL TCM-X100J 0105-001 Key No. P AR T No. P AR T NAME Q’ ty REMARKS NOTE 177 KC-3 20 1 630 088 3077 S H AF T 1 76 6KC- 010-2 01 20 2 630 005 0868 BEARING,P ARTS(LOCK NUT) 1 7 6 6 K C - 0 1 0 - 2 0 2 20 3 630 000 8920 S…

MODEL TCM-X100J
0105-001
176
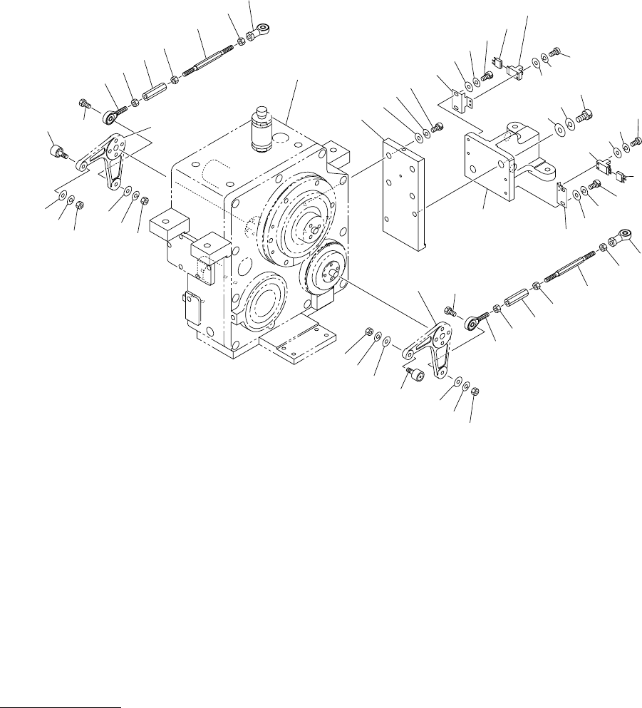
ࠞࡓ㧟ゲㇱ CAM SHAFT 3 AXIS SECTION
Fig. KC-3 ࠞ࠶࠲ࡃࡠ࠶࠼ Cutter Lever Rod
206
See Fig.KC-1
Key No.5
See Fig.KC-1
Key No.1
205
204
202
203
222
223
224
222
223
224
220
217
218
218
217
215
209
201
211
212
208
207
205
214
213
221
219
216
210

MODEL TCM-X100J
0105-001
Key No. PART No. PART NAME Q’ty REMARKS
NOTE
177
KC-3
201 630 088 3077 SHAFT 1 766KC-010-201
202 630 005 0868 BEARING,PARTS(LOCK NUT) 1 766KC-010-202
203 630 000 8920 SET SCREW 1 766KC-010-203
204 630 085 9164 COLLAR 1 766KC-010-204
205 630 049 0176 BUSH,BEARING 2 766KC-010-205
206 630 085 9270 SPRING,COMP 1 766KC-010-206
207 630 085 9171 COLLAR 1 766KC-010-207
208 630 085 9287 SPRING,COMP 1 766KC-010-208
209 630 052 4246 MECH PARTS(PARALLEL PINS) 1 766KC-010-209
210 630 090 8350 ROD END BEARINGS 1 766KC-010-210
211 630 048 9422 PIN,HINGE 1 766KC-010-211
212 630 089 7951 PLATE 1 766KC-010-212
213 411 141 0901 NUT HEX 8 1 766KC-010-213
214 411 141 3100 WASHER SPR 8 1 766KC-010-214
215 411 141 6101 WASHER F 8X15.5X1.6 1 766KC-010-215
216 630 089 7258 BRACKET 1 766KC-010-216
217 630 000 0252 SENSOR,PHOTO 2 BPH32,BPH33 766KC-010-217
218 630 000 0269 SENSOR,PHOTO(CONNECTOR) 2 766KC-010-218
219 630 000 7626 BOLT,HEX-SCT 2 766KC-010-219
220 411 141 2905 WASHER SPR 4 2 766KC-010-220
221 411 141 5906 WASHER F 4X8X0.8 2 766KC-010-221
222 411 040 7803 SCR PAN 3X12 4 766KC-010-222
223 411 141 2806 WASHER SPR 3 4 766KC-010-223
224 411 141 5807 WASHER F 3X6X0.5 4 766KC-010-224

MODEL TCM-X100J
0105-001
178
ࠞࡓ㧟ゲㇱ CAM SHAFT 3 AXIS SECTION
Fig. KC-4 ࡁ࠭࡞ಾᦧ߃ࡌࠬ Nozzle Changer Base
305
310
309
304
323
303
302
308
307
306
313
312
311
322
321
320
313
306
305
301
310
309
308
307
325
315
314
315
316
317
318
326
333
332
331
327
328
329
329
328
327
333
332
331
330
See Fig.KC-1
Key No.1
See Fig.KC-1
Key No.9
See Fig.KC-1
Key No.9
326
318
317
316
315
314
315
325
330
312
311