KE-1070_KE-1080-Rev03 - 第118页
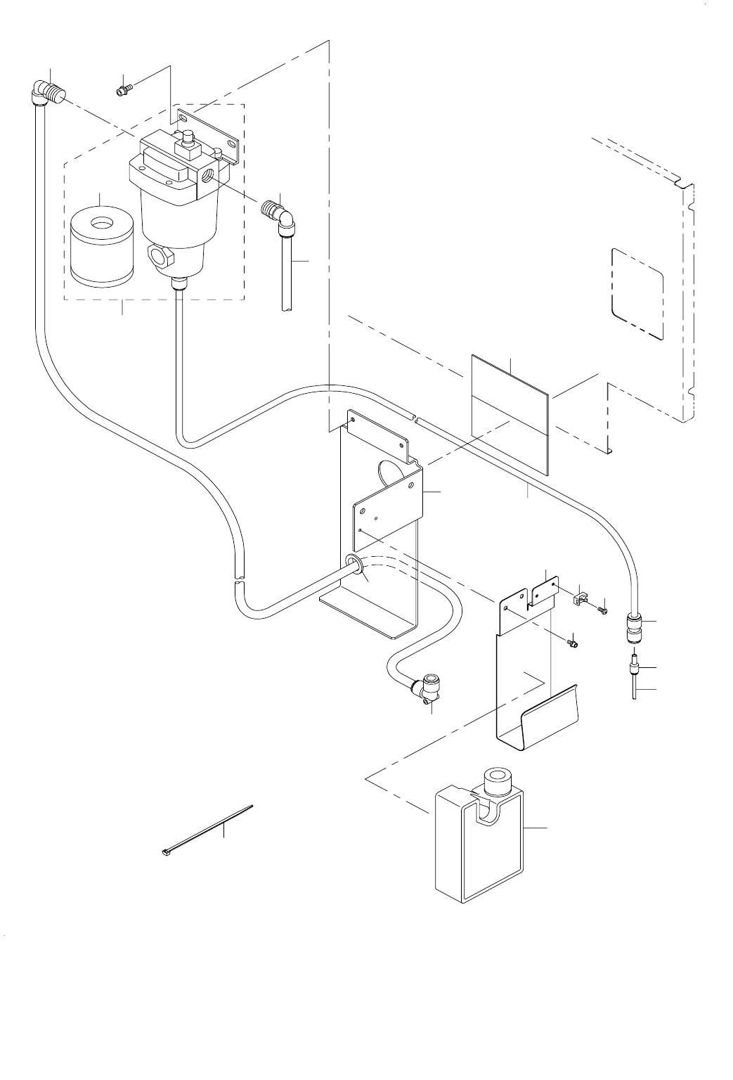
- 113 - 57. MAIN LINE FILTER COMPONENTS メインラインフィルタ関係 15 14 16 17 7 8 13 11 9 4 6 18 5 12 19 3 2 1 10 19

- 112 -
NOTE( 注記 ) #01....FOR EN(1070M,1070CM) EN(1070 M,1070 CM)用
#02....FOR EN(1070L,1070CL) EN(1070 L,1070 CL)用
#03....FOR EN(1070M,1070CM) EN(1070 M,1070 CM)用
FOR TRANSFER REFERENCE ・ 搬送基準・左右用
LEFT-RIGHT
#04....FOR EN(1070M,1070CM) EN(1070 M,1070 CM)用
FOR TRANSFER REFERENCE ・ 搬送基準・右左用
RIGHT-LEFT
#05....FOR EN(1070L,1070CL) EN(1070 L,1070 CL)用
FOR TRANSFER REFERENCE ・ 搬送基準・左右用
LEFT-RIGHT
#06....FOR EN(1070L,1070CL) EN(1070 L,1070 CL)用
FOR TRANSFER REFERENCE ・ 搬送基準・右左用
RIGHT-LEFT
REF.NO NOTE PART NO D E S C R I P T I O N
品 名
Qty
1 400-34046 BARCODE READER SUB ASM
バーコードリーダサブ組
1
2 400-28299 ROTARY PLATE
回転板
(1)
3 SM-1030801-SC SCREW M3 L=8
皿小ねじ M3X0.5 L=8
(2)
4 G6025-875-000 STOPPER PIN
ストッパピン
(1)
5 NM-6050001-SC NUT M5X0.8 TYPE1
六角ナット M 5 X 0.8 1種
(1)
6 HX-0029400-00 FIXED BASE
固定ベース
(1)
7 SM-4030401-SC SCREW M3X0.5 L=4
なべ小ねじ M 3 X 0.5 L =4
(1)
8 SM-8030502-TP SCREW M3 L=5
止めねじ M3X0.5 L=5
(1)
9 NM-6030001-SC NUT M3X0.5 TYPE1
六角ナット M 3 X 0.5 1種
(1)
10 400-28300 ROTARY SUPPORT PLATE
回転支持板
(1)
11 SD-0800327-TP SHOULDER SCREW
段ねじ D =8 H =3.2
(1)
12 400-28302 SLIDE NUT
スライドナット
(4)
13 G6518-880-000 SET PICK-UP
セットつまみ
(1)
14 GBR-11115000 MOTOR SPACER.
モータスペーサ
(1)
15 SM-6041802-TN SCREW M4X0.7 L=18
六角穴ボルト M4X0.7 L =18
(2)
16 400-00912 SENSOR ADJUST SPRING
センサアジャストスプリング
(2)
17 WP-0430801-SC WASHER 4.3X9X0.8
平座金 4.3 X 9 X 0.8
(4)
18 SL-6040892-TN BOLT
座金付き六角穴ボルト
(1)
19
#03
400-33896 BCR BRACKET ASM(M-LEN)
バーコードリーダブラケット組(M − LEN)
1
20
#04
400-33906 BCR BRACKET ASM(M-REN)
バーコードリーダブラケット組(M − REN)
1
21
#05
400-33912 BCR BRACKET ASM(L-LEN)
バーコードリーダブラケット組(L − LEN)
1
22
#06
400-33921 BCR BRACKET ASM(L-REN)
バーコードリーダブラケット組(L − REN)
1
23
#03
400-33898 BCR PILLAR(M-LEN)
バーコードリーダピラー(M − LEN)
(2)
24
#04
400-33907 BCR PILLAR(M-REN)
バーコードリーダピラー(M − REN)
(2)
25
#05
400-33913 BCR PILLAR(L-LEN)
バーコードリーダピラー(L − LEN)
(2)
26
#06
400-33922 BCR PILLAR(L-REN)
バーコードリーダピラー(L − REN)
(2)
27 400-33897 BCR BEAM(EN)
バーコードリーダビーム(EN)
(2)
28 SL-3061232-TN SCREW
座金付き丸ねじ M 6 L =12
(4)
29
#01
400-33899 BCR SLIDE RAIL(M-EN)
バーコードリーダスライドレール(M − EN)
(1)
30
#02
400-33914 BCR SLIDE RAIL(L-EN)
バーコードリーダスライドレール(L − EN)
(1)
31 400-28301 END CAP
エンドキャップ
(2)
32
#02
400-33900 BCR SLIDE PIN(EN)
バーコードリーダスライドピン(EN)
(2)
33
#02
SL-6040692-TN BOLT
座金付き六角穴ボルト
(2)
34
#02
G6518-880-000 SET PICK-UP
セットつまみ
(2)
35
#02
GBR-11115000 MOTOR SPACER.
モータスペーサ
(2)
36
#01
SL-6041092-TN SCREW
座金付き六角穴ボルト
(4)
37 400-28302 SLIDE NUT
スライドナット
(6)
38 HX-0029400-00 FIXED BASE
固定ベース
(4)
39 SM-4040801-SC SCREW M4X0.7 L=8
なべ小ねじ M 4 X 0.7 L =8
(4)
40 EA-9500B01-00 CABLE BAND
束線バンド
8
41
#03
400-34047 BCR COVER ASM(M-LEN)
バーコードリーダカバー組(M − LEN)
1
42
#04
400-34048 BCR COVER ASM(M-REN)
バーコードリーダカバー組(M − REN)
1
43
#05
400-34049 BCR COVER ASM(L-LEN)
バーコードリーダカバー組(L − LEN)
1
44
#06
400-34050 BCR COVER ASM(L-REN)
バーコードリーダカバー組(L − REN)
1
45
#03
400-33901 BCR COVER U(M-LEN)
バーコードリーダカバー U(M − LEN)
(1)
46
#04
400-33908 BCR COVER U(M-REN)
バーコードリーダカバー U(M − REN)
(1)
47
#05
400-33915 BCR COVER U(L-LEN)
バーコードリーダカバー U(L − LEN)
(1)
48
#06
400-33923 BCR COVER U(L-REN)
バーコードリーダカバー U(L − REN)
(1)
49
#03
400-33902 BCR COVER C(M-LEN)
バーコードリーダカバー C(M − LEN)
(1)
50
#04
400-33909 BCR COVER C(M-REN)
バーコードリーダカバー C(M − REN)
(1)
51
#05
400-33918 BCR COVER C(L-LEN)
バーコードリーダカバー C(L − LEN)
(1)
52
#06
400-33924 BCR COVER C(L-REN)
バーコードリーダカバー C(L − REN)
(1)
53
#03
400-33903 BCR COVER B(M-LEN)
バーコードリーダカバー B(M − LEN)
(1)
54
#04
400-33910 BCR COVER B(M-REN)
バーコードリーダカバー B(M − REN)
(1)
55
#05
400-33919 BCR COVER B(L-LEN)
バーコードリーダカバー B(L − LEN)
(1)
56
#06
400-33925 BCR COVER B(L-REN)
バーコードリーダカバー B(L − REN)
(1)
57 400-33904 BCR COVER BRACKET(EN)
バーコードリーダブラケット(EN)
(1)
58
#01
400-01480 CONVEYOR SHUTTER U (EN)
搬送シャッター U(EN)
(1)
59
#02
400-27248 CONVEYOR SHUTTER U(E EN)
搬送シャッター U(E EN)
(1)
60
#01
400-01481 CONVEYOR SHUTTER B (EN)
搬送シャッター B(EN)
(1)
61
#02
400-27249 CONVEYOR SHUTTER B(E EN)
搬送シャッター B(E EN)
(1)
62 SM-0040801-SC SCREW
トラスねじ M 4 L =8
(20)
63 SM-0040601-SC SCREW M4X0.7 L=6
トラス小ねじ M4X0.7 L =6
(3)
64
#01
E1143-721-000 WOOLEN CLOTH PAPER
搬送カバーラシャペーパ(CE)
(3)
65
#02
E1143-721-000 WOOLEN CLOTH PAPER
搬送カバーラシャペーパ(CE)
(5)
66 400-01490 TAPE
テープ
(2)
67 E5721-729-000 LABEL
荷重禁止シール
(1)

- 113 -
57.MAIN LINE FILTER COMPONENTS
メインラインフィルタ関係
15
14
16
17
7
8
13
11
9
4
6
18
5
12
19
3
2
1
10
19

- 114 -
REF.NO NOTE PART NO D E S C R I P T I O N
品 名
Qty
1 PF-0154010-A0 AIR FILTER
エアフィルター
1
2 PF-9010070-00 FILTER ELEMENT
フィルターエレメント
(1)
3 BT-1200801-EF TUBE
チュ−ブ
2
4 PJ-3041200-01 ELBOW D=12
エルボφ12
1
5 400-16815 DRAIN TANK
ドレインタンク
1
6 BT-1000651-EB POLYURETHANE TUBE
ポリウレタン チュ−ブ
0.8
7 PJ-3031000-02 STRAIGHT
ストレート
1
8 PJ-3090400-03 REDUCER 4-10
レジューサ(φ 4− φ 10)
1
9 BT-0400251-EA TUBE HOSE, BLUE
ウレタンホ−ス 青
0.16
10 SL-6082092-TN BOLT
座金付き六角穴ボルト
2
11 400-55291 FILTER BRACKET
フィルタブラケット
1
12 HX-0005500-0J RUBBER BUSHING
ゴムブッシュ
1
13 E1387-700-000 HOD MAGNET
HOD マグネット
2
14 400-55290 DRAIN TANK STAY
ドレインタンクステイ
1
15 SL-6040892-TN BOLT
座金付き六角穴ボルト
2
16 HX-0029400-00 FIXED BASE
固定ベース
1
17 SM-4040601-SC SCREW M4X0.7 L=6
なべ小ねじ M 4 X 0.7 L =6
1
18 EA-9500B01-00 CABLE BAND
束線バンド
1
19 PJ-3041254-01 ELBOW UNION D=12
エルボユニオン φ 12
2