KE-1070_KE-1080-Rev03 - 第119页
- 114 - REF.NO NOTE PART NO D E S C R I P T I O N 品 名 Qty 1 PF-0154010-A0 AIR FILTER エアフィルター 1 2 PF-9010070-00 FILTER ELEMENT フィルターエレメント (1) 3 BT-1200801-EF TUBE チュ−ブ 2 4 PJ-3041200-01 ELBOW D=12 エ ル ボφ1 2 1 5 400-16815 …

- 113 -
57.MAIN LINE FILTER COMPONENTS
メインラインフィルタ関係
15
14
16
17
7
8
13
11
9
4
6
18
5
12
19
3
2
1
10
19

- 114 -
REF.NO NOTE PART NO D E S C R I P T I O N
品 名
Qty
1 PF-0154010-A0 AIR FILTER
エアフィルター
1
2 PF-9010070-00 FILTER ELEMENT
フィルターエレメント
(1)
3 BT-1200801-EF TUBE
チュ−ブ
2
4 PJ-3041200-01 ELBOW D=12
エルボφ12
1
5 400-16815 DRAIN TANK
ドレインタンク
1
6 BT-1000651-EB POLYURETHANE TUBE
ポリウレタン チュ−ブ
0.8
7 PJ-3031000-02 STRAIGHT
ストレート
1
8 PJ-3090400-03 REDUCER 4-10
レジューサ(φ 4− φ 10)
1
9 BT-0400251-EA TUBE HOSE, BLUE
ウレタンホ−ス 青
0.16
10 SL-6082092-TN BOLT
座金付き六角穴ボルト
2
11 400-55291 FILTER BRACKET
フィルタブラケット
1
12 HX-0005500-0J RUBBER BUSHING
ゴムブッシュ
1
13 E1387-700-000 HOD MAGNET
HOD マグネット
2
14 400-55290 DRAIN TANK STAY
ドレインタンクステイ
1
15 SL-6040892-TN BOLT
座金付き六角穴ボルト
2
16 HX-0029400-00 FIXED BASE
固定ベース
1
17 SM-4040601-SC SCREW M4X0.7 L=6
なべ小ねじ M 4 X 0.7 L =6
1
18 EA-9500B01-00 CABLE BAND
束線バンド
1
19 PJ-3041254-01 ELBOW UNION D=12
エルボユニオン φ 12
2

- 115 -
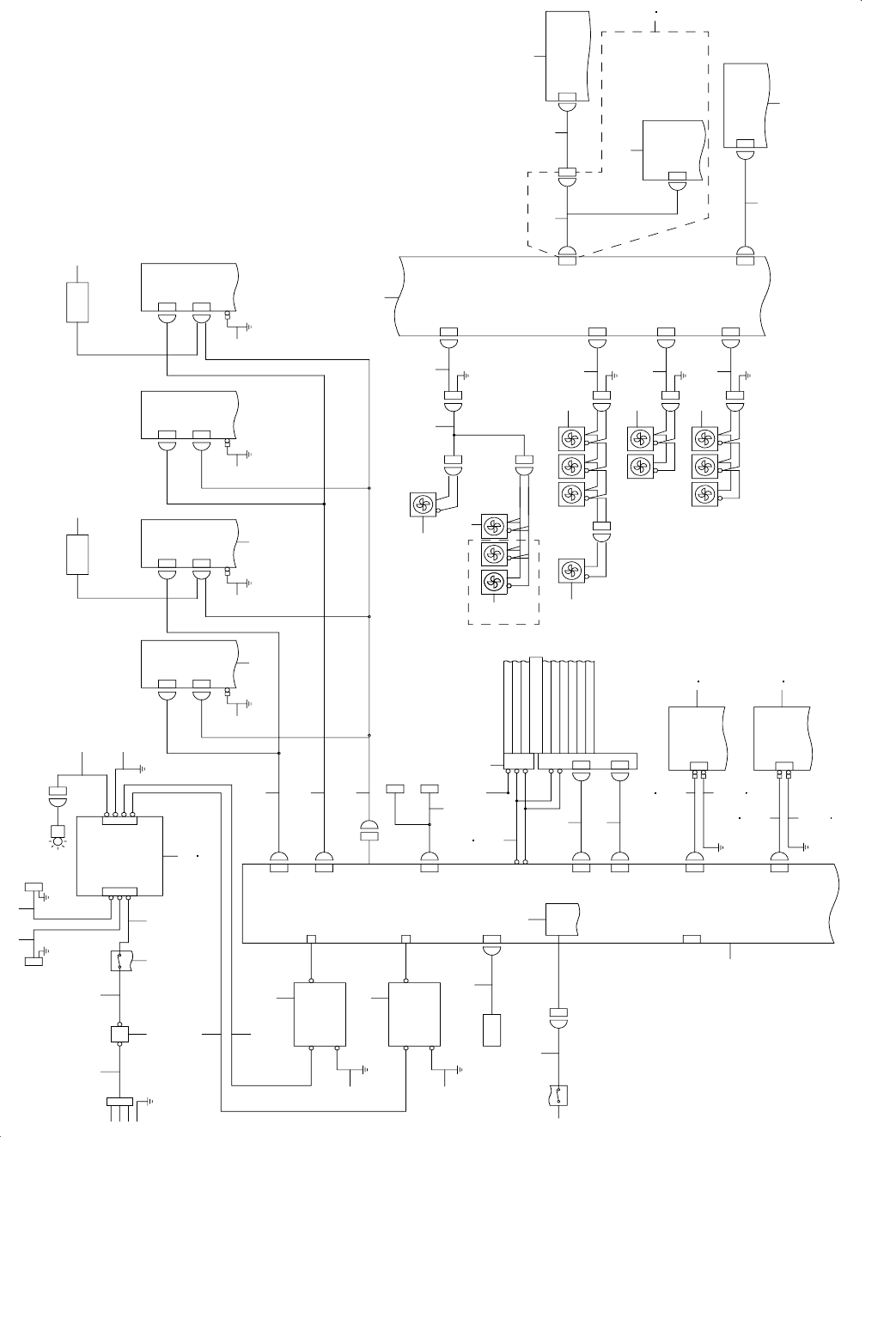
58.SYSTEM DIAGRAM (1)
SYSTEM DIAGRAM(1)
4-1A
14-5B
CN063
CN096
5-4B(1/2)
IEEE 1394 BOARD
C&N KH20B T103/17
7-4B
HUB
BOX(1/3)
RFID WIRING
RLCD
PWR
CN014
CN014
CN014
16-4B
REAR LCD
MONITOR(1/2)
REG2
MR-RB12
REG1
MR-RB12
CN063
CN021
YL MOTOR FAN
COVER TOP
FAN C ASM
CN006
R1E
YR MOTOR FAN
CN013
10-2C
CN005
AWC
DRIVER(1/2)
F6E
TB
10-2B
BU
DRIVER(1/2)
TB
R9ER8E
MTS PWR(R)MTS PWR(L)
CN06 CN07
CN060
PWR ON LAMP
CN015
2-3C
XR
XR SERVO
AMP(1/4)
MR-J3-70B-RJ024
F2E
E
CNP2
CNP1
(1/4) 9 - 2 A
(1/5)
(1/4)
(1/2)
(1/3)
(1/2)
(1/3)
(1/5) 2 - 2 A
6-1A
6-1B
6-1B
5-4C
2-3A
14-2A
2-3D2-3C2-3D
16-4A
16-2B
1-1A
1-1C
1-2D
1-4B
R5E
CPU
OUT MOTER
DRIVER
14-4C
CN031CN031 CN655(R)
IN MOTER
DRIVER
14-4B
CN655(L)
CPCI BACK BOARD
FRONT LCD
MONITOR(1/2)
CN015
BASE FAN R
CN067
CN009
R4E
CN007
R2E
CN08CN008
R3E
CN07
TB2
TB1
BASE-FEEDER
XY RELAY
LIGHT CTRL
I/O CTRL
SAFETY
IP-X3R
BUS-BRIDGE
POSITION BOARD
YR
YR SERVO
AMP(1/4)
MR-J3-200B-RJ024
F3E
E
CNP2
CNP1
XL
XL SERVO
AMP(1/4)
MR-J3-70B-RJ024
F4E
E
CNP2
CNP1
CN001
CN005
CN003
F1E
CN003
MAIN
SW(2/2)
TB2
AC200V
INPUT
YL
BASE FAN L
CN066
CONTROL UNIT
TOP FAN
CN064CN065
YL SERVO
AMP(1/4)
MR-J3-200B-RJ0024
POWER
UNIT(1/13)
CN027
CN024
CN010
POWER
UNIT(2/13)
CN06
CN09
HOURMETER
CN010
CN2
CN1
REMORT SW
UPS
(1/2)
CN027
CN024
F5E
E
CNP2
CNP1
CN099
CN002
TB1
CN096
R7E
TF2(AC
TRANS)
R6E
TF1(DC
TRANS)
AC INPUT
UNIT
TB1
MAIN
SW(1/2)
NFB1
30A
PE
FG
L3
L2
L1
RFID
PWR
KE-2080-ST(RFID)
KE-2080-ST(RFID
COPLANARITY)
1
3
2
4
5
6
7
8
9
10 11
12 13
14 16
15 17
20
18
19
21
22
23 24 25
26
27
28
29
30 31
32
33 34 35
36
37 42 43
40
4138 39
44
45
48
47
49
46
50
51
55
56
57 59 61
58 60
62
63
64
65
69
70
66
67
68
53
52
71
KE-1080 ONLY
COVER TOP FAN
54
72