KE-1070_KE-1080-Rev03 - 第125页
- 120 - REF.NO NOTE PART NO D E S C R I P T I O N 品 名 Qty 1 400-44538 SERVO AMP 750W X 軸サーボアンプ750 W 1 2 400-44539 SERVO AMP 2000W Y 軸サーボアンプ200 0 W 1 3 400-45395 XL ENC CABLE ASM XL ENC ケーブル組 1 4 400-45396 XL MTR CABLE AS…

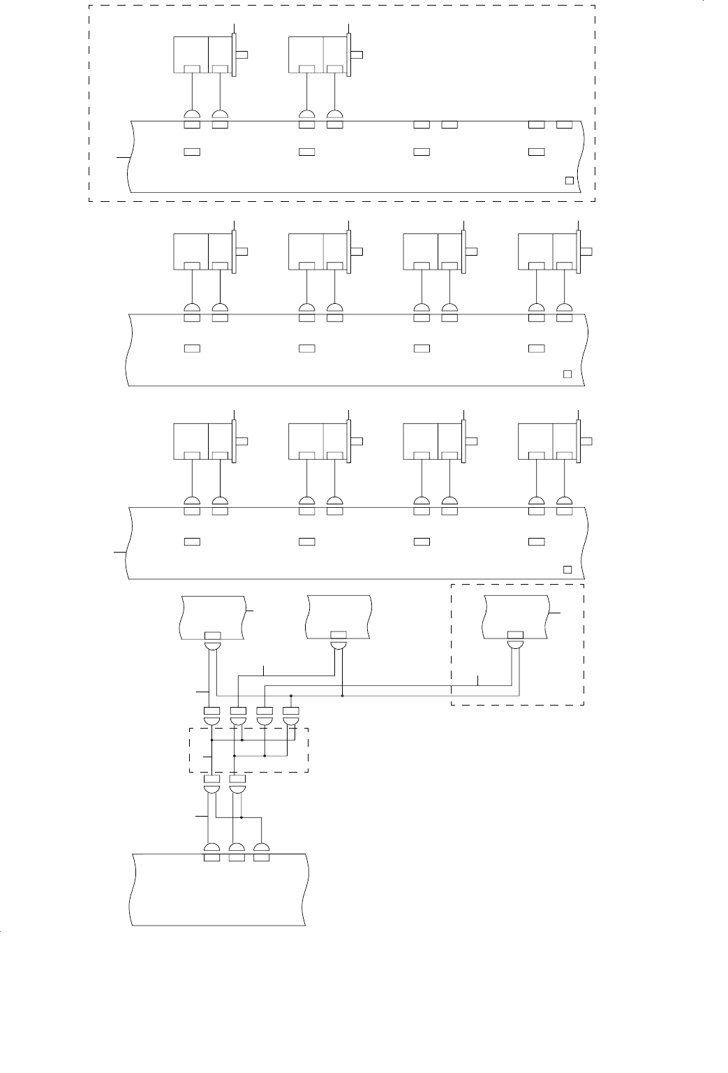
- 119 -
60.SYSTEM DIAGRAM (3)
SYSTEM DIAGRAM(3)
XRCNENC
F8E
F12E
F13E
F14E
CN168CN168
CN164CN164
YRCNMTR
Y MOTOR SW(2/2)
YRCNENC
YRCNP3
YRCN2
YLCNMTR
Y MOTOR SW(1/2)
3-2C
YLCNENC
XRCNMTR
XLCNMTR
XLCNENC
CN167
CN155
CN166
CN154
CN165
CN152
2-3A
YL SERVO
AMP(4/4)
MR-J3-200B-RJ024
YL SERVO
MOTOR
HF-RP153D-S1
YLCNP3
YLCN2
CNP3
CN2
YBEAR
CABLES
2-4A
XL
XL SERVO
AMP(4/4)
MR-J3-70B-RJ024
XL SERVO
MOTOR
HF-KP7SD-S1
CN162
CN153
CN161
CN151
XLCNP3
XLCN2
CNP3
CN2
YR SERVO
MOTOR
HF-RP153D-S1
CNP3
CN2
2-4A
2-5A
YR
YR SERVO
AMP(4/4)
MR-J3-200B-RJ024
YL
XR
XR SERVO
AMP(4/4)
MR-J3-70B-RJ024
XR SERVO
MOTOR
HF-KP73D-S1
XRCNP3
XRCN2
CNP3
CN2
1
2
34 6516
17
21
22
7
89
11 12
13 14
19
18
23
24
10
15
20
25

- 120 -
REF.NO NOTE PART NO D E S C R I P T I O N
品 名
Qty
1 400-44538 SERVO AMP 750W
X 軸サーボアンプ750 W
1
2 400-44539 SERVO AMP 2000W
Y 軸サーボアンプ2000 W
1
3 400-45395 XL ENC CABLE ASM
XL ENC ケーブル組
1
4 400-45396 XL MTR CABLE ASM
XL MTR ケーブル組
1
5 400-45397 XR ENC CABLE ASM
XR ENC ケーブル組
1
6 400-45398 XR MTR CABLE ASM
XR MTR ケーブル組
1
7 400-45427 Y BEAR CABLES ASM
Y BEAR ケーブル組
1
8 400-44545 X MOTOR ENCODER CABLE
X 軸エンコーダ中継ケーブル
1
9 400-44546 X MTR PWR CABLE
X MTR パワーケーブル
1
10 400-44536 SERVO MOTOR 750W
X 軸サーボモータ750 W
1
11 400-45399 XR ENC RELAY CABLE ASM
XR ENC リレーケーブル組
1
12 400-45400 XR MTR RELAY CABLE ASM
XR MTR リレーケーブル組
1
13 400-44545 X MOTOR ENCODER CABLE
X 軸エンコーダ中継ケーブル
1
14 400-44546 X MTR PWR CABLE
X MTR パワーケーブル
1
15 400-44536 SERVO MOTOR 750W
X 軸サーボモータ750 W
1
16 400-45401 YL ENC CABLE ASM
YL ENC ケーブル組
1
17 400-46668 YL MOTOR RELAY CABLE ASM
YL モータリレーケーブル組
1
18 400-46670 Y MOTOR SW CABLE ASM
Y モータ SW ケーブル組
1
19 400-46666 YL MOTOR CABLE ASM
YL モータケーブル組
1
20 400-44537 SERVO MOTOR 1500W
Y 軸サーボーモータ1500 W
1
21 400-45403 YR ENC CABLE ASM
YR ENC ケーブル組
1
22 400-46669 YR MOTOR RELAY CABLE ASM
YR モータリレーケーブル組
1
23 400-46670 Y MOTOR SW CABLE ASM
Y モータ SW ケーブル組
1
24 400-46667 YR MOTOR CABLE ASM
YR モータケーブル組
1
25 400-44537 SERVO MOTOR 1500W
Y 軸サーボーモータ1500 W
1

- 121 -
61.SYSTEM DIAGRAM (4)
SYSTEM DIAGRAM(4)
1
ID
0
ID
CN2A
CN2B
CN2C
CN2D
CN2A
CN2B
CN2C
CN2D
5-2C
CN098
CN033
CN032
4-4A
4-3A
XY BEAR
CABLES
CN098
CN033
CN214
CN213
CN212
ZTACNP1
CN202
CN211
2-4B
CNP1
ZTA SERVO
AMP(2/5)
MR-MD100
CN201
CN032
ZTBCNP1
2-4B
CNP1
ZTB SERVO
AMP(2/5)
MR-MD100
1-4D
POWER UNIT
(3/13)
5-2A
5-2A
CN2C
CN2B
CN2A
CNP2D
CNP2C
CNP2B
T4 MOTOR
HC-BP0136D-S1
Z4 MOTOR
HC-BH0336LW-S4
T3 MOTOR
HC-BP0136D-S1
CNP2A
Z3 MOTOR
HC-BH0336LW-S4
4-2B
CN2D
ZTB SERVO
AMP(3/5)
MR-MD100
CN2C
CN2B
CN2A
CNP2D
CNP2C
CNP2B
T2 MOTOR
HC-BP0136D-S1
Z2 MOTOR
HC-BH0336LW-S4
T1 MOTOR
HC-BP0136D-S1
CNP2A
Z1 MOTOR
HC-BH0336LW-S4
4-2B
CN2D
ZTA SERVO
AMP(3/5)
MR-MD100
1
2
3
4
5
6
78910
11 12 13 14
CN2A
CN2B
CN2C
CN2D
ID
3
5-1B
ONLY KE-1080
CN2C
CN2B
CN2A
CNP2D
CNP2C
CNP2B
T7 MOTOR
HC-BH0336LW-S4
CNP2A
Z7 MOTOR
HC-BH0336LW-S4
4-2C
CN2D
ZTD SERVO
AMP(3/5)
MR-MD100
ONLY KE-1080
ZTDCNP1
4-4A
2-5B
ZTD SERVO
AMP(2/5)
MR-MD100
CNP1
16
15
18 19
17