KE-1070_KE-1080-Rev03 - 第130页
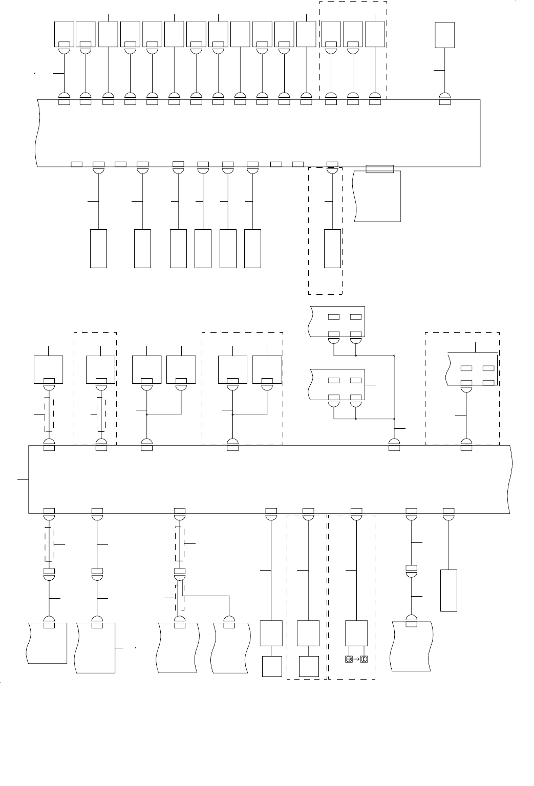
- 125 - 63. SYSTEM DIAGRAM (6) SYSTEM DIAGRAM (6) CN26 CN25 CN24 80P 6-2 D HEAD MAIN PCB (2/2) CN34 C N23 6-4C 8-1A 5-2C CN018 CN018 AMP CN820 10-3A 1-2C 1-2C 5-1D 5-5 D 6-1C Z2 VAC SV Z1 VAC SENS OR CN23 CN22 CN21 CN20 …

- 124 -
NOTE( 注記 ) #01....FOR EN EN 用
#02....FOR 1080 1080用
REF.NO NOTE PART NO D E S C R I P T I O N
品 名
Qty
1 400-44535 4AXIS SERVO AMP
4軸一体型サーボアンプ
1
2 400-75759 LNC60 I/F CABLE 1070 ASM
LNC 60 I / F ケーブル1070組
1
3 400-45547 LNC60
レーザセンサ
1
4 400-44517 1394 ROBOT CABLE ASM
1394ロボットケーブル組
1
5 400-48078 IEEE1394 REPEATER BOARD
IEEE 1394リピータボード
1
6 400-44516 1394 RELAY CABLE ASM
1394中継ケーブル組
1
7 400-44519 IEEE1394 BOARD
IEEE 1394ボード
1
8
#02
E9617-725-000 CCD CAMERA
CCD カメラ
1
9
#02
400-02152 VCS CAMERA CABLE ASM
VCS カメラケーブル組
1
10 401-02599 8.4 LCD MONITOR(CE)
8.4 LCD モニタ(CE)
1
11 E9623-721-000 PORTRAIT MONITOR CABLE
画像モニタケーブル
1
12 E9580-729-0A0 IMG-CPU 232C CABLE ASM.
IMG − CPU 232 C ケーブル組
1
13 400-02141 VCS LIGHT CABLE ASM
VCS ライトケーブル組
1
14
#02
400-44535 4AXIS SERVO AMP
4軸一体型サーボアンプ
1
15
#01
400-02144 VCS LIGHT(OP)CABLE ASM
VCS ライト(OP)ケーブル組
1
16 400-01917 BOTTOM LIGHT PCB ASM.
ボトムライト基板組
1
17 400-02142 BACKLIGHT WIRE ASM
バックライトケーブル組
1
18 400-02143 SIDELIGHT WIREASM
サイドライトケーブル組
1
19 400-01915 COAXIAL LIGHT PCB ASM.
コアキシャルライト基板組
1
20 400-01911 BACK LIGHT PCB ASM.
バックライト基板組
1
21 400-01939 SIDE LIGHT PCB UNIT ASM
サイドライトユニット組
1
22
#02
400-02145 VCS LIGHT RELAY CABLE A
VCS ライト中継ケーブル組
1
23
#02
400-02147 VCS OP SENS ASM
VCS ST センサ組
1
24
#02
400-02146 VCS ST SENS ASM
VCS ST センサ組
1
25
#02
400-02148 VCS SV CABLE ASM
VCS SV ケーブル組
1
26
#02
400-02149 VCS HR CCD POWER CABLE
VCS HR CCD カメラ電源ケーブル組
1
27
#02
400-03293 HR CCD CAMERA
HR CCD カメラ
1
28
#02
400-03294 HR CCD CAMERA CABLE
HR CCD カメラケーブル組
1

- 125 -
63.SYSTEM DIAGRAM (6)
SYSTEM DIAGRAM(6)
CN26
CN25
CN24
80P
6-2D
HEAD MAIN PCB
(2/2)
CN34CN23
6-4C
8-1A
5-2C
CN018 CN018
AMP
CN820
10-3A
1-2C
1-2C
5-1D
5-5D
6-1C
Z2 VAC
SV
Z1
VAC
SENSOR
CN23
CN22
CN21
CN20
CN18
CN16
CN17
CN15
E2S-W23
E2S-W23
E2S-W23
E2S-W23
D-M9NL
D-M9NL
CN19
NOZZLE
UP SV
CN19
CN18
NOZZLE DOWN
SENSOR R
CN16
NOZZLE DOWN
SENSOR L
CN23
CN22
CN21
Z4 SLOW
DOWN SENSOR
Z3 SLOW
DOWN SENSOR
Z2 SLOW
DOWN SENSOR
CN20
Z1 SLOW
DOWN SENSOR
Z4
VAC
SENSOR
CN4
Z4 BLW
SV
CN4
Z4 VAC
SV
CN11CN11
CN30CN30
Z3
VAC
SENSOR
CN3
Z3 BLW
SV
CN3
Z3 VAC
SV
CN10CN10
CN29CN29
Z2
VAC
SENSOR
CN2
Z2 BLW
SV
CN2
CN9CN9
CN28CN28
CN1
Z1 BLW
SV
CN1
Z1 VAC
SV
CN8CN8
CN27CN27
HEAD RELAY PCB
(2/2)
CN10CN810
E2S-W23
T7 SLOW DOWN
SENSOR
5-2B5-2A
CN808 CN8
7-1C
XY BEAR
CABLES
POWER UNIT
(5/13)
CN246
XY BEAR
CABLES
XY BEAR
CABLES
XY BEAR
CABLES
ZTB SERVO
AMP(5/5)
MR-MD100
CN13CN13
CN4B CN4A
CN4D CN4C
CN4B CN4A
CN4D CN4C
ZTA SERVO
AMP(5/5)
MR-MD100
OCC-C
LIGHT
PCB
BAD
MARK
SENSOR
AMP
HEIGHT
SENSOR
AMP
LS4-5CN5
CN2CN802
CN7
CN20
CN809 CN9
CN852 CN12(CN52)
LIGHT CTRL
PCB(2/2)
CN479LS2-1CN1
CN805CN478
LS5-4
CN5
IP-X3R PCB
(3/3)
CN4
OCC2(L)
OCC1(L)
CN4
OCC-A
LIGHT
PCB
OCC L
CN823CN3
CN806CN6
SAFETY PCB
(2/4)
LS1-7CN7
CN801
CN245
HEAD MAIN
PCB(1/2)
CN1
I/O CONTROL
PCB(2/4)
1
2
4
5
7
6
3
41
89 10
11
12
13
14
16
15 17 18
20
19
21 22 23 24 25 26
27
40
28 29 30 31
32
Only KE-1080
Z7 VAC
SENSOR
CN7
Z7 BLW
SV
CN7
Z7 VAC
SV
CN14CN14
CN33CN33
Only KE-1080
CN26
E2S-W23
Z7 SLOW
DOWN SENSOR
Only KE-1080
5-1B
CN19CN19
CN4BCN4A
CN4DCN4C
ZTD SERVO
AMP(5/5)
MR-MD100
Only KE-1080
OCC-C
LIGHT
PCB
OCC2(R)
OCC1(R)
OCC-A
LIGHT
PCB
CN824
Only KE-1080
OCC R
CN807
Option
Only KE-1080
42
43 3534
33
36
37
38
39

- 126 -
NOTE( 注記 ) #01....FOR 1080 1080用
REF.NO NOTE PART NO D E S C R I P T I O N
品 名
Qty
1 400-02151 OCC CAMERA CABLE ASM
OCC カメラケーブル組
1
2 400-45428 XY BEAR CABLES ASM
XY ベアケーブル組
1
3 400-01904 LIGHT CTRL PCB ASM.
LIGHT CTRL 基板組
1
4 400-02140 OCC LIGHT CABLE ASM
OCC ライトケーブル組
1
5 400-45428 XY BEAR CABLES ASM
XY ベアケーブル組
1
6 400-45452 HEAD SP CABLE ASM
ヘッド SP ケーブル組
1
7 400-45428 XY BEAR CABLES ASM
XY ベアケーブル組
1
8 400-02185 HIGHT SENSOR CABLE ASM
HMS アンプケーブル組
1
9 400-02267 BAD MARK SENSOR ASM
バッドマークセンサ組
1
10
#01
400-45484 NOZZLE SENSOR AMP ASM
ノズルセンサアンプ組
1
11 400-45435 HEAD MAIN PWR CABLE ASM
ヘッドメインパワーケーブル組
1
12 400-45428 XY BEAR CABLES ASM
XY ベアケーブル組
1
13 400-90481 HEAD MAIN PCB ASM
ヘッドメイン基板組
1
14 400-45453 OCC L CABLE ASM
OCC L ケーブル組
1
15 E9617-725-000 CCD CAMERA
CCD カメラ
1
16 400-45456 OCC LIGHT L CABLE ASM
OCC ライト L ケーブル組
1
17 400-01979 OCC C LIGHT P.C.B ASM
OCC 同軸照明基板組
1
18 400-01959 OCC A LIGHT PCB ASM.
OCC A ライト基板組
1
19 400-75760 Z ORG DI CABLE 1070 ASM
Z ORG DI ケーブル1070組
1
20 400-44535 4AXIS SERVO AMP
4軸一体型サーボアンプ
1
21 400-45458 NOZZLE DOWN SENSOR L ASM
ノズルダウンセンサ L 組
1
22 400-45460 NOZZLE DOWN SENSOR R ASM
ノズルダウンセンサ R 組
1
23 400-45462 Z1 SLOW DOWN SENSOR ASM
Z 1スローダウンセンサ組
1
24 400-45464 Z2 SLOW DOWN SENSOR ASM
Z 2スローダウンセンサ組
1
25 400-45465 Z3 SLOW DOWN SENSOR ASM
Z 3スローダウンセンサ組
1
26 400-45466 Z4 SLOW DOWN SENSOR ASM
Z 4スローダウンセンサ組
1
27 400-74077 VACCUM SV CABLE 1070 ASM
バキューム SV ケーブル1070組
1
28 400-45471 Z1 EJECTOR ASM
Z 1エジェクタ組
1
29 400-45472 Z2 EJECTOR ASM
Z 2エジェクタ組
1
30 400-45473 Z3 EJECTOR ASM
Z 3エジェクタ組
1
31 400-45474 Z4 EJECTOR ASM
Z 4エジェクタ組
1
32 400-45461 NOZZLE UP SV ASM
ノズルアップ SV 組
1
33
#01
400-45457 OCC LIGHT R CABLE ASM
OCC ライト R ケーブル組
1
34
#01
400-01979 OCC C LIGHT P.C.B ASM
OCC 同軸照明基板組
1
35
#01
400-01959 OCC A LIGHT PCB ASM.
OCC A ライト基板組
1
36
#01
400-45487 Z7 ORG DI CABLE ASM
Z 7 ORG DI ケーブル組
1
37
#01
400-44535 4AXIS SERVO AMP
4軸一体型サーボアンプ
1
38
#01
400-45470 Z7 SLOW DOWN SENSOR ASM
Z 7スローダウンセンサ組
1
39
#01
400-45477 Z7 EJECTOR ASM
Z 7エジェクタ組
1
40
#01
400-99209 VACCUM SV CABLE 1080 ASM
バキューム SV ケーブル1080組
1
41
#01
400-01904 LIGHT CTRL PCB ASM.
LIGHT CTRL 基板組
1
42
#01
400-45454 OCC R CABLE ASM
OCCR ケーブル組
1
43
#01
E9617-725-000 CCD CAMERA
CCD カメラ
1